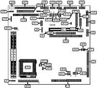
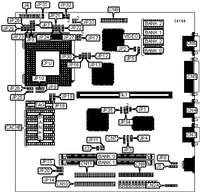
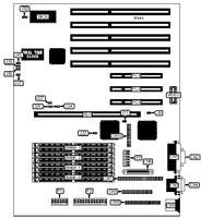
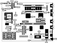
MOTHERBOARDS 486 (socket 2,3)
A-H