COMPAQ COMPUTER CORPORATION

DESKPRO 486/33L DESKPRO 386/33L

Processor

80306DX/80486DX

Processor Speed

33MHz

Chip Set

Intel

Max. Onboard DRAM

100MB (on system memory card)

Cache

None

BIOS

Compaq

Dimensions

330mm x 218mm

I/O Options

System processor card slot, proprietary system memory card, VGA port, parallel port, serial ports (2), bus mouse port, IDE interface, 3.5 and 5.25 inch floppy drive interface

NPU Options

None

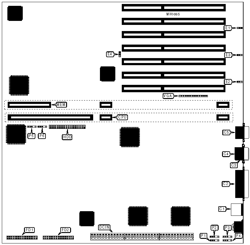
CONNECTIONS

Purpose

Location

Purpose

Location

Bus mouse port

C1

3.5 inch floppy drive interface

FD1

Parallel port

C2

Floppy drive interface

FD2

Serial port

C3

IDE interface

HDD

VGA port

C4

32-bit system memory card

MEM

Proprietary system processor card

CPU

Drive power plugs

P1-P6

Main power

DCIN

VGA pass through

VGA

USER CONFIGURABLE SETTINGS

Function

Jumper

Position

»

Configuration enabled

E1

pins 2 & 3 closed

 

Configuration disabled (erased)

E1

pins 1 & 2 closed

»

Password enabled

E2

pins 2 & 3 closed

 

Passowrd disabled

E2

pins 1 & 2 closed

»

Onboard VGA controller enabled

E3

pins 2 & 3 closed

 

Onboard VGA controller disabled

E3

pins 1 & 2 closed

»

Local bus hidden refresh enabled

E4

pins 2 & 3 closed

 

Local bus hidden refresh disabled

E4

pins 1 & 2 closed

Note:Not all jumpers are present on all board revisions.

SYSTEM MEMORY CARD (Model 001370)

CONNECTIONS

Purpose

Location

VGA pass through

V1

DRAM CONFIGURATION

Size

M0

M1

M2

M3

2MB

2MB module

NONE

NONE

NONE

4MB

2MB module

2MB module

NONE

NONE

6MB

2MB module

2MB module

2MB module

NONE

8MB

2MB module

2MB module

2MB module

2MB module

8MB

8MB module (2 plug)

-----------------

NONE

NONE

8MB

8MB module

NONE

NONE

NONE

10MB

8MB module (2 plug)

-----------------

2MB module

NONE

10MB

8MB module

2MB module

NONE

NONE

12MB

8MB module (2 plug)

-----------------

2MB module

2MB module

12MB

8MB module

2MB module

2MB module

NONE

14MB

8MB module

2MB module

2MB module

2MB module

16MB

8MB module (2 plug)

-----------------

8MB module (2 plug)

-----------------

16MB

8MB module

8MB module

NONE

NONE

18MB

8MB module

8MB module

2MB module

NONE

18MB

8MB module (2 plug)

-----------------

8MB module

2MB module

20MB

8MB module

8MB module

2MB module

2MB module

24MB

8MB module (2 plug)

-----------------

8MB module

8MB module

24MB

8MB module

8MB module

8MB module

NONE

26MB

8MB module

8MB module

8MB module

2MB module

32MB

8MB module

8MB module

8MB module

8MB module

32MB

32MB module (2 plug)

-----------------

NONE

NONE

34MB

32MB module (2 plug)

-----------------

2MB module

NONE

36MB

32MB module (2 plug)

-----------------

2MB module

2MB module

40MB

32MB module (2 plug)

-----------------

8MB module (2 plug)

-----------------

40MB

32MB module (2 plug)

-----------------

8MB module

NONE

42MB

32MB module (2 plug)

-----------------

8MB module

2MB module

48MB

32MB module (2 plug)

-----------------

8MB module

8MB module

64MB

32MB module (2 plug)

-----------------

32MB module (2 plug)

-----------------

Note: The system memory card uses proprietary memory modules, some require only one module space on the memory board, while others require two. In the cases where a double size module is used, the following space is marked with "-----------------", designating that space as occupied.

DRAM CONFIGURATION

Size

M0

M1

M2

M3

M4

M5

6MB

2MB

NONE

NONE

NONE

NONE

NONE

8MB

2MB

2MB

NONE

NONE

NONE

NONE

10MB

2MB

2MB

2MB

NONE

NONE

NONE

12MB

2MB

2MB

2MB

2MB

NONE

NONE

12MB

8MB

NONE

NONE

NONE

NONE

NONE

12MB

8MB

-----------------

NONE

NONE

NONE

NONE

14MB

2MB

2MB

2MB

2MB

2MB

NONE

14MB

8MB

2MB

NONE

NONE

NONE

NONE

14MB

8MB

-----------------

2MB

NONE

NONE

NONE

16MB

2MB

2MB

2MB

2MB

2MB

2MB

16MB

8MB

2MB

2MB

NONE

NONE

NONE

16MB

8MB

-----------------

2MB

2MB

NONE

NONE

18MB

8MB

2MB

2MB

2MB

NONE

NONE

18MB

8MB

-----------------

2MB

2MB

2MB

NONE

20MB

8MB

2MB

2MB

2MB

2MB

NONE

20MB

8MB

-----------------

2MB

2MB

2MB

2MB

20MB

8MB

8MB

NONE

NONE

NONE

NONE

20MB

8MB

-----------------

8MB

NONE

NONE

NONE

20MB

8MB

-----------------

8MB

-----------------

NONE

NONE

22MB

8MB

2MB

2MB

2MB

2MB

2MB

22MB

8MB

8MB

2MB

NONE

NONE

NONE

22MB

8MB

-----------------

8MB

2MB

NONE

NONE

22MB

8MB

-----------------

8MB

-----------------

2MB

NONE

24MB

8MB

8MB

2MB

2MB

NONE

NONE

24MB

8MB

-----------------

8MB

2MB

2MB

NONE

24MB

8MB

-----------------

8MB

-----------------

2MB

2MB

26MB

8MB

8MB

2MB

2MB

2MB

NONE

26MB

8MB

-----------------

8MB

2MB

2MB

2MB

28MB

8MB

8MB

2MB

2MB

2MB

2MB

28MB

8MB

8MB

8MB

NONE

NONE

NONE

28MB

8MB

-----------------

8MB

8MB

NONE

NONE

DRAM CONFIGURATION (CON'T)

28MB

8MB

-----------------

8MB

-----------------

8MB

NONE

28MB

8MB

-----------------

8MB

-----------------

8MB

-----------------

30MB

8MB

8MB

8MB

2MB

NONE

NONE

30MB

8MB

-----------------

8MB

8MB

2MB

NONE

30MB

8MB

-----------------

8MB

-----------------

8MB

2MB

32MB

8MB

8MB

8MB

2MB

2MB

NONE

32MB

8MB

-----------------

8MB

8MB

2MB

2MB

34MB

8MB

8MB

8MB

2MB

2MB

2MB

36MB

8MB

8MB

8MB

8MB

NONE

NONE

36MB

8MB

-----------------

8MB

8MB

8MB

NONE

36MB

8MB

-----------------

8MB

-----------------

8MB

8MB

36MB

32MB

-----------------

NONE

NONE

NONE

NONE

38MB

8MB

8MB

8MB

8MB

2MB

NONE

38MB

8MB

-----------------

8MB

8MB

8MB

2MB

38MB

32MB

-----------------

2MB

NONE

NONE

NONE

40MB

8MB

8MB

8MB

8MB

2MB

2MB

40MB

32MB

-----------------

2MB

2MB

NONE

NONE

44MB

8MB

8MB

8MB

8MB

8MB

NONE

44MB

8MB

-----------------

8MB

8MB

8MB

8MB

44MB

32MB

-----------------

2MB

2MB

2MB

2MB

44MB

32MB

-----------------

8MB

NONE

NONE

NONE

44MB

32MB

-----------------

8MB

-----------------

NONE

NONE

46MB

8MB

8MB

8MB

8MB

8MB

2MB

46MB

32MB

-----------------

8MB

2MB

NONE

NONE

46MB

32MB

-----------------

8MB

-----------------

2MB

NONE

DRAM CONFIGURATION (CON'T)

52MB

8MB

8MB

8MB

8MB

8MB

8MB

52MB

32MB

-----------------

8MB

8MB

NONE

NONE

52MB

32MB

-----------------

8MB

-----------------

8MB

-----------------

54MB

32MB

-----------------

8MB

8MB

2MB

NONE

54MB

32MB

-----------------

8MB

8MB

-----------------

2MB

56MB

32MB

-----------------

8MB

8MB

2MB

2MB

60MB

32MB

-----------------

8MB

8MB

8MB

NONE

60MB

32MB

-----------------

8MB

-----------------

8MB

8MB

62MB

32MB

-----------------

8MB

8MB

8MB

2MB

68MB

32MB

-----------------

8MB

8MB

8MB

8MB

68MB

32MB

-----------------

32MB

-----------------

NONE

NONE

70MB

32MB

-----------------

32MB

-----------------

2MB

NONE

72MB

32MB

-----------------

32MB

-----------------

2MB

2MB

76MB

32MB

-----------------

32MB

-----------------

8MB

NONE

76MB

32MB

-----------------

32MB

-----------------

8MB

-----------------

78MB

32MB

-----------------

32MB

-----------------

8MB

2MB

84MB

32MB

-----------------

32MB

-----------------

8MB

8MB

100MB

32MB

-----------------

32MB

-----------------

32MB

-----------------

Note: The system memory card uses proprietary memory modules, some require only one module space on the memory board, while others require two. In the cases where a double size module is used, the following space is marked with "-----------------", designating that space as occupied.