GMX, INC.

ESA-MB

Processor

80486SX/80487SX/80486DX/ODP486SX/80486DX2

Processor Speed

33/66(internal)MHz

Chip Set

National/INTEL

Max. Onboard DRAM

256MB

SRAM Cache

64/128 (optional on CPU card only)

BIOS

AMI (located on CPU card)

Dimensions

307.34mm x 330.20mm

I/O Options

Floppy drive interface, IDE interface, parallel port,

proprietary CPU card, serial port (2)

NPU Options

None

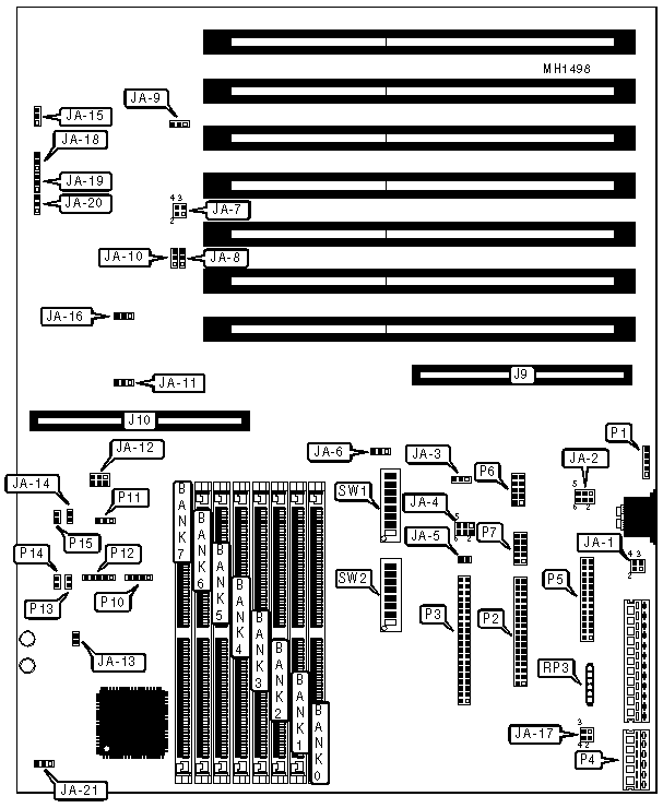
CONNECTIONS

Purpose

Location

Purpose

Location

8-bit ISA slot

J9

Serial port (COM2)

P7

Proprietary CPU card

J10

Speaker

P10

Keyboard interface

P1

Turbo Switch

P11

Floppy drive interface

P2

Power LED & keylock

P12

IDE interface

P3

IDE interface LED

P13

Auxiliary power connector

P4

Reset switch

P14

Parallel port

P5

Lockable reset switch

P15

Serial port (COM1)

P6

   

USER CONFIGURABLE SETTINGS

Function

Jumper

Position

»

IDE interface select IORDY at pin 21

JA-2

pins 2 & 4 closed

 

IDE interface select IORDY at pin 27

JA-2

pins 4 & 6 closed

»

Watchdog strobe select 1.8MHz clock

JA-4

pins 5 & 6 closed

 

Watchdog strobe select host address strobe

JA-4

pins 3 & 4 closed

 

Watchdog strobe select signal watchdog

JA-4

pins 1 & 2 closed

»

IDE interface address latch enabled at IDE pin 28

JA-5

Closed

 

IDE interface address select spindle sync at IDE pin 28

JA-5

Open

»

ISA bus select 0 wait state

JA-7

pins 1 & 3 open

 

ISA bus select 1 wait state

JA-7

pins 1 & 3 closed

»

Posted memory write cycles enabled

JA-7

pins 2 & 4 closed

 

Posted memory write cycles disabled

JA-7

pins 2 & 4 open

»

Factory configured - do not alter

JA-8 & JA-9

N/A

»

Keyboard buffer full interrupts from keyboard controller

JA-10

pins 2 & 3 closed

 

Keyboard buffer full interrupts from 82351 at IRQ1

JA-10

pins 1 & 2 closed

»

Address enable active on slot 0 & slot 8 (J9)

JA-11

pins 1 & 2 closed

 

Address enable active on slot 8 (J9) only

JA-11

pins 1 & 2 open

 

. Factory configured - do not alter

JA-12

N/A

»

Factory configured - do not alter

JA-13

N/A

»

Memory speed select speed 1

JA-14

pins 1 & 3 closed

 

Memory speed select speed 0

JA-14

pins 2 & 4 closed

»

CMOS memory normal operation

JA-15

pins 2 & 3 closed

 

CMOS memory clear

JA-15

pins 1 & 2 closed

 

Floppy drive select 2 drives

JA-17

Open

 

Floppy drive select 3 drives

JA-17

pins 1 & 2, 3 & 4 closed

»

UART type 16550

JA18

pins 1 & 2 closed

 

UART type 16540

JA18

pins 2 & 3 closed

»

IDE interface select National chipset

JA-19

pins 1 & 2 closed

 

IDE interface Intel chipset

JA-19

pins 2 & 3 closed

»

Floppy drive select National chipsey

JA--20

pins 1 & 2 closed

 

Floppy drive select Intel chipset

JA-20

pins 2 & 3 closed

»

Keylock disabled

JA-21

pins 2 & 3 closed

 

Keylock enabled

JA-21

pins 1 & 2 closed

Note:SW1 & SW2 are software dependent.

DRAM CONFIGURATION

Size

Bank0

Bank1

Bank2

Bank3

Bank4

Bank5

Bank6

Bank7

1MB

256K

NONE

NONE

NONE

NONE

NONE

NONE

NONE

2MB

256K

256K

NONE

NONE

NONE

NONE

NONE

NONE

2MB

512K

NONE

NONE

NONE

NONE

NONE

NONE

NONE

3MB

256K

256K

256K

NONE

NONE

NONE

NONE

NONE

4MB

256K

256K

256K

256K

NONE

NONE

NONE

NONE

4MB

512K

512K

NONE

NONE

NONE

NONE

NONE

NONE

4MB

1M

NONE

NONE

NONE

NONE

NONE

NONE

NONE

5MB

256K

256K

256K

256K

256K

NONE

NONE

NONE

6MB

256K

256K

256K

256K

256K

256K

NONE

NONE

6MB

256K

256K

256K

256K

512K

NONE

NONE

NONE

6MB

512K

512K

512K

NONE

NONE

NONE

NONE

NONE

7MB

256K

256K

256K

256K

256K

256K

256K

NONE

8MB

256K

256K

256K

256K

256K

256K

256K

256K

8MB

256K

256K

256K

256K

512K

512K

NONE

NONE

8MB

256K

256K

256K

256K

1M

NONE

NONE

NONE

8MB

512K

512K

512K

512K

NONE

NONE

NONE

NONE

8MB

1M

1M

NONE

NONE

NONE

NONE

NONE

NONE

8MB

2M

NONE

NONE

NONE

NONE

NONE

NONE

NONE

9MB

512K

512K

512K

512K

256K

NONE

NONE

NONE

10MB

512K

512K

512K

512K

256K

256K

NONE

NONE

10MB

512K

512K

512K

512K

512K

NONE

NONE

NONE

11MB

512K

512K

512K

512K

256K

256K

256K

NONE

12MB

512K

512K

512K

512K

256K

256K

256K

256K

12MB

512K

512K

512K

512K

512K

512K

NONE

NONE

12MB

512K

512K

512K

512K

1M

NONE

NONE

NONE

12MB

1M

1M

1M

NONE

NONE

NONE

NONE

NONE

14MB

512K

512K

512K

512K

512K

512K

512K

NONE

16MB

512K

512K

512K

512K

512K

512K

512K

512K

16MB

512K

512K

512K

512K

1M

1M

NONE

NONE

16MB

512K

512K

512K

512K

2M

NONE

NONE

NONE

16MB

1M

1M

1M

1M

NONE

NONE

NONE

NONE

16MB

2M

2M

NONE

NONE

NONE

NONE

NONE

NONE

16MB

4M

NONE

NONE

NONE

NONE

NONE

NONE

NONE

17MB

1M

1M

1M

1M

256K

NONE

NONE

NONE

18MB

1M

1M

1M

1M

256K

256K

NONE

NONE

18MB

1M

1M

1M

1M

512K

NONE

NONE

NONE

19MB

1M

1M

1M

1M

256K

256K

256K

NONE

20MB

1M

1M

1M

1M

256K

256K

256K

256K

20MB

1M

1M

1M

1M

512K

512K

NONE

NONE

20MB

1M

1M

1M

1M

1M

NONE

NONE

NONE

22MB

1M

1M

1M

1M

512K

512K

512K

NONE

24MB

1M

1M

1M

1M

512K

512K

512K

512K

24MB

1M

1M

1M

1M

1M

1M

NONE

NONE

DRAM CONFIGURATION (CONTINUED)

Size

Bank0

Bank1

Bank2

Bank3

Bank4

Bank5

Bank6

Bank7

24MB

1M

1M

1M

1M

2M

NONE

NONE

NONE

24MB

2M

2M

2M

NONE

NONE

NONE

NONE

NONE

28MB

1M

1M

1M

1M

1M

1M

1M

NONE

32MB

1M

1M

1M

1M

1M

1M

1M

1M

32MB

1M

1M

1M

1M

2M

2M

NONE

NONE

32MB

1M

1M

1M

1M

4M

NONE

NONE

NONE

32MB

4M

4M

NONE

NONE

NONE

NONE

NONE

NONE

32MB

8M

NONE

NONE

NONE

NONE

NONE

NONE

NONE

32MB

2M

2M

2M

2M

NONE

NONE

NONE

NONE

33MB

2M

2M

2M

2M

256K

NONE

NONE

NONE

34MB

2M

2M

2M

2M

256K

256K

NONE

NONE

34MB

2M

2M

2M

2M

512K

NONE

NONE

NONE

35MB

2M

2M

2M

2M

256K

256K

256K

NONE

36MB

2M

2M

2M

2M

256K

256K

256K

256K

36MB

2M

2M

2M

2M

512K

512K

NONE

NONE

36MB

2M

2M

2M

2M

1M

NONE

NONE

NONE

38MB

2M

2M

2M

2M

512K

512K

512K

NONE

40MB

2M

2M

2M

2M

512K

512K

512K

512K

40MB

2M

2M

2M

2M

1M

1M

NONE

NONE

40MB

2M

2M

2M

2M

2M

NONE

NONE

NONE

44MB

2M

2M

2M

2M

1M

1M

1M

NONE

48MB

2M

2M

2M

2M

1M

1M

1M

1M

48MB

2M

2M

2M

2M

2M

2M

NONE

NONE

48MB

2M

2M

2M

2M

4M

NONE

NONE

NONE

48MB

4M

4M

4M

NONE

NONE

NONE

NONE

NONE

56MB

2M

2M

2M

2M

2M

2M

2M

NONE

64MB

2M

2M

2M

2M

2M

2M

2M

2M

64MB

2M

2M

2M

2M

4M

4M

NONE

NONE

64MB

2M

2M

2M

2M

8M

NONE

NONE

NONE

64MB

4M

4M

4M

4M

NONE

NONE

NONE

NONE

64MB

8M

8M

NONE

NONE

NONE

NONE

NONE

NONE

65MB

4M

4M

4M

4M

256K

NONE

NONE

NONE

66MB

4M

4M

4M

4M

256K

256K

NONE

NONE

66MB

4M

4M

4M

4M

512K

NONE

NONE

NONE

67MB

4M

4M

4M

4M

256K

256K

256K

NONE

68MB

4M

4M

4M

4M

256K

256K

256K

256K

68MB

4M

4M

4M

4M

512K

512K

NONE

NONE

68MB

4M

4M

4M

4M

1M

NONE

NONE

NONE

70MB

4M

4M

4M

4M

512K

512K

512K

NONE

72MB

4M

4M

4M

4M

512K

512K

512K

512K

72MB

4M

4M

4M

4M

1M

1M

NONE

NONE

72MB

4M

4M

4M

4M

2M

NONE

NONE

NONE

DRAM CONFIGURATION (CONTINUED)

Size

Bank0

Bank1

Bank2

Bank3

Bank4

Bank5

Bank6

Bank7

80MB

4M

4M

4M

4M

2M

2M

NONE

NONE

80MB

4M

4M

4M

4M

4M

NONE

NONE

NONE

88MB

4M

4M

4M

4M

2M

2M

2M

NONE

96MB

4M

4M

4M

4M

4M

4M

NONE

NONE

96MB

4M

4M

4M

4M

8M

NONE

NONE

NONE

96MB

4M

4M

4M

4M

2M

2M

2M

2M

96MB

8M

8M

8M

NONE

NONE

NONE

NONE

NONE

128MB

8M

8M

8M

8M

NONE

NONE

NONE

NONE

128MB

4M

4M

4M

4M

8M

8M

NONE

NONE

129MB

8M

8M

8M

8M

256K

NONE

NONE

NONE

130MB

8M

8M

8M

8M

256K

256K

NONE

NONE

130MB

8M

8M

8M

8M

512K

NONE

NONE

NONE

131MB

8M

8M

8M

8M

256K

256K

256K

NONE

132MB

8M

8M

8M

8M

256K

256K

256K

256K

132MB

8M

8M

8M

8M

512K

512K

NONE

NONE

132MB

8M

8M

8M

8M

1M

NONE

NONE

NONE

134MB

8M

8M

8M

8M

512K

512K

512K

NONE

136MB

8M

8M

8M

8M

512K

512K

512K

512K

136MB

8M

8M

8M

8M

1M

1M

NONE

NONE

136MB

8M

8M

8M

8M

2M

NONE

NONE

NONE

140MB

8M

8M

8M

8M

1M

1M

1M

NONE

144MB

8M

8M

8M

8M

1M

1M

1M

1M

144MB

8M

8M

8M

8M

2M

2M

NONE

NONE

144MB

8M

8M

8M

8M

4M

NONE

NONE

NONE

152MB

8M

8M

8M

8M

2M

2M

2M

NONE

160MB

8M

8M

8M

8M

2M

2M

2M

2M

160MB

8M

8M

8M

8M

4M

4M

NONE

NONE

160MB

8M

8M

8M

8M

8M

NONE

NONE

NONE

176MB

8M

8M

8M

8M

4M

4M

4M

NONE

192MB

8M

8M

8M

8M

4M

4M

4M

4M

192MB

8M

8M

8M

8M

8M

8M

NONE

NONE

224MB

8M

8M

8M

8M

8M

8M

8M

NONE

256MB

8M

8M

8M

8M

8M

8M

8M

8M

Note: The 512K x 36, 2M x 36, and 8M x 36 SIMMs are double-sided SIMMs.

FLOPPY DRIVE 0 CONFIGURATION

A:

JA-1/pins 2 & 4

3.5"

Closed

5.25"

Open

FLOPPY DRIVE 1 CONFIGURATION

B:

JA-1/pins 1 & 3

3.5"

Closed

5.25"

Open

FLOPPY DRIVE POWER CONFIGURATION

Drive Type

RP3

Normal 3.5"

150 W

Low power 3.5"

1K W

IDE INTERFACE I/O READY SIGNAL CONFIGURATION

IORDY

JA-2/pins 2, 4, & 6

At pin 21 of IDE interface

pins 2 & 4 closed

At pin 27 of IDE interface

pins 4 & 6 closed

Note:If the hard drive has the IORDY signal at at both pins then either configuration will work.

IDE INTERFACE DMA CONFIGURATION

DMA

JA-2/pins 1 & 2

JA-2/pins 3 & 5

JA-6 & JA-16

DMA6

Closed

Closed

pins 1 & 2 closed

Disabled

Open

Open

pins 2 & 3 closed

Note:If the drive supports DMA then the IORDY signal must be at pin 27 of the IDE interface.

WATCHDOG TIMER CONFIGURATION

Timeout Minimum

Timeout Typical

Timeout Maximum

JA-3

50ms

150ms

250ms

pins 1 & 2 closed

250ms

600ms

1000ms

Open

400ms

1200ms

2000ms

pins 2 & 3 closed

CONNECTIONS

Purpose

Location

CPU cooling fan power +12VDC

P1

Optional secondary cache module (64K or 128K)

U7

Note:All DRAM banks must be populated on the motherboard before any cache modules can be installed.

USER CONFIGURABLE SETTINGS

Function

Jumper

Position

»

Flash memory normal operation at address A16

JA-1

pins 2 & 3 closed

 

Flash memory inverted operation at address A16

JA-1

pins 1 & 2 open

»

Flash BIOS write protect enabled

JA-2

pins 1 & 3, 2 & 4 closed

 

Flash BIOS write protect disabled

JA-2

pins 1 & 3, 2 & 4 open

CPU TYPE CONFIGURATION

Type

Speed

JA-3

JA-4

80486SX

33MHz

pins 1 & 2 closed

pins 2 & 4 closed

80486DX/DX2

33/66i MHz

pins 1 & 2 closed

pins 1 & 2, 3 & 4 closed

ODPR486DX

33MHz

pins 1 & 2 closed

pins 1 & 2, 3 & 4 closed

ODP486DX

33MHz

pins 2 & 3 closed

pins 1 & 2, 3 & 4 closed

Note:ODPR486DX is pin compatible with the 80486DX/80486DX2 processors.