COMPAQ COMPUTER CORPORATION

SYSTEMPRO 386/33, SYSTEMPRO 486/33

Processor

80386DX/80486DX

Processor Speed

33MHz

Chip Set

Intel

Max. Onboard DRAM

64MB (on system memory card Model 001370)

Cache

64/256KB (on external CPU card)

BIOS

Compaq

Dimensions

330mm x 218mm

I/O Options

System processor card slot, system processor card/Proprietary expansion card slot, 32-bit system memory card, 32-bit external memory card, VGA port, parallel port, serial port, bus mouse port, IDE interface, floppy drive interface

NPU Options

80387/3167

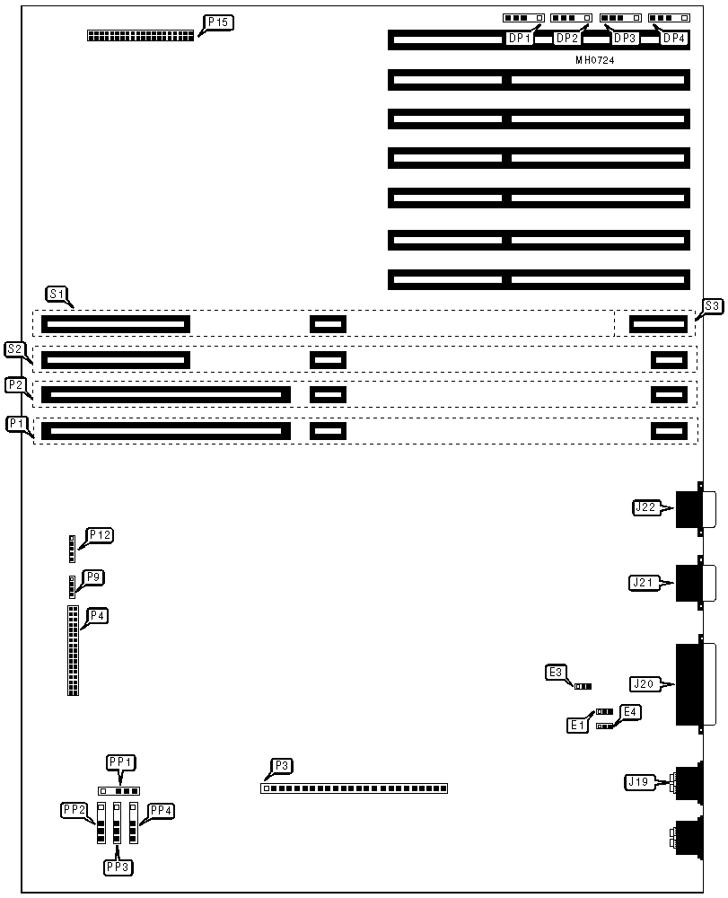
CONNECTIONS

Purpose

Location

Purpose

Location

Drive power plugs

DP1-DP4

Main power

P3

Bus mouse port

J19

Floppy drive interface

P4

Parallel port

J20

Fan power

P12

Serial port

J21

IDE interface

P15

VGA port

J22

Peripheral power plugs

PP1-PP4

Proprietary system processor card

P1

32-bit system memory card

S1

System processor/external memory card

P2

32-bit external memory card

S2

Speaker

P9

VGA pass through

S3

USER CONFIGURABLE SETTINGS

Function

Jumper

Position

»

Password disabled

E1

pins 1 & 2 closed

 

Password enabled

E1

pins 2 & 3 closed

»

Factory configured - do not alter

E2

N/A

»

Maintenance mode disabled

E3

pins 2 & 3 closed

 

Maintenance mode enabled

E3

pins 1 & 2 closed

 

Onboard VGA controller enabled

E4

pins 1 & 2 closed

 

Onboard VGA controller disabled

E4

pins 2 & 3 closed

SYSTEM MEMORY CARD (Model 001370)

CONNECTIONS

Purpose

Location

VGA pass through

V1

DRAM CONFIGURATION

Size

M0

M1

M2

M3

2MB

2MB module

NONE

NONE

NONE

4MB

2MB module

2MB module

NONE

NONE

6MB

2MB module

2MB module

2MB module

NONE

8MB

2MB module

2MB module

2MB module

2MB module

8MB

8MB module (2 plug)

-----------------

NONE

NONE

8MB

8MB module

NONE

NONE

NONE

10MB

8MB module (2 plug)

-----------------

2MB module

NONE

10MB

8MB module

2MB module

NONE

NONE

12MB

8MB module (2 plug)

-----------------

2MB module

2MB module

12MB

8MB module

2MB module

2MB module

NONE

14MB

8MB module

2MB module

2MB module

2MB module

16MB

8MB module (2 plug)

-----------------

8MB module (2 plug)

-----------------

16MB

8MB module

8MB module

NONE

NONE

18MB

8MB module

8MB module

2MB module

NONE

18MB

8MB module (2 plug)

-----------------

8MB module

2MB module

20MB

8MB module

8MB module

2MB module

2MB module

24MB

8MB module (2 plug)

-----------------

8MB module

8MB module

24MB

8MB module

8MB module

8MB module

NONE

26MB

8MB module

8MB module

8MB module

2MB module

32MB

8MB module

8MB module

8MB module

8MB module

32MB

32MB module (2 plug)

-----------------

NONE

NONE

34MB

32MB module (2 plug)

-----------------

2MB module

NONE

36MB

32MB module (2 plug)

-----------------

2MB module

2MB module

40MB

32MB module (2 plug)

-----------------

8MB module (2 plug)

-----------------

40MB

32MB module (2 plug)

-----------------

8MB module

NONE

42MB

32MB module (2 plug)

-----------------

8MB module

2MB module

48MB

32MB module (2 plug)

-----------------

8MB module

8MB module

64MB

32MB module (2 plug)

-----------------

32MB module (2 plug)

-----------------

Note:The system memory card uses proprietary memory modules, some require only one module

space on the memory board, while others require two. In the cases where a double size module

is used, the following space is marked with "-----------------", designating that space as occupied.

DRAM CONFIGURATION

Size

M0

M1

M2

M3

M4

M5

2MB

2MB

NONE

NONE

NONE

NONE

NONE

4MB

2MB

2MB

NONE

NONE

NONE

NONE

6MB

2MB

2MB

2MB

NONE

NONE

NONE

8MB

2MB

2MB

2MB

2MB

NONE

NONE

8MB

8MB

NONE

NONE

NONE

NONE

NONE

8MB

8MB

-----------------

NONE

NONE

NONE

NONE

10MB

2MB

2MB

2MB

2MB

2MB

NONE

10MB

8MB

2MB

NONE

NONE

NONE

NONE

10MB

8MB

-----------------

2MB

NONE

NONE

NONE

12MB

2MB

2MB

2MB

2MB

2MB

2MB

12MB

8MB

2MB

2MB

NONE

NONE

NONE

12MB

8MB

-----------------

2MB

2MB

NONE

NONE

14MB

8MB

2MB

2MB

2MB

NONE

NONE

14MB

8MB

-----------------

2MB

2MB

2MB

NONE

16MB

8MB

2MB

2MB

2MB

2MB

NONE

16MB

8MB

-----------------

2MB

2MB

2MB

2MB

16MB

8MB

8MB

NONE

NONE

NONE

NONE

16MB

8MB

-----------------

8MB

NONE

NONE

NONE

16MB

8MB

-----------------

8MB

-----------------

NONE

NONE

18MB

8MB

2MB

2MB

2MB

2MB

2MB

18MB

8MB

8MB

2MB

NONE

NONE

NONE

18MB

8MB

-----------------

8MB

2MB

NONE

NONE

18MB

8MB

-----------------

8MB

-----------------

2MB

NONE

20MB

8MB

8MB

2MB

2MB

NONE

NONE

20MB

8MB

-----------------

8MB

2MB

2MB

NONE

20MB

8MB

-----------------

8MB

-----------------

2MB

2MB

22MB

8MB

8MB

2MB

2MB

2MB

NONE

22MB

8MB

-----------------

8MB

2MB

2MB

2MB

24MB

8MB

8MB

2MB

2MB

2MB

2MB

24MB

8MB

8MB

8MB

NONE

NONE

NONE

24MB

8MB

-----------------

8MB

-----------------

8MB

NONE

24MB

8MB

-----------------

8MB

-----------------

8MB

NONE

24MB

8MB

-----------------

8MB

8MB

NONE

NONE

DRAM CONFIGURATION (CON’T)

Size

M0

M1

M2

M3

M4

M5

24MB

8MB

-----------------

8MB

-----------------

8MB

-----------------

26MB

8MB

8MB

8MB

2MB

NONE

NONE

26MB

8MB

-----------------

8MB

8MB

2MB

NONE

26MB

8MB

-----------------

8MB

-----------------

8MB

2MB

28MB

8MB

8MB

8MB

2MB

2MB

NONE

28MB

8MB

-----------------

8MB

8MB

2MB

2MB

30MB

8MB

8MB

8MB

2MB

2MB

2MB

32MB

8MB

8MB

8MB

8MB

NONE

NONE

32MB

8MB

-----------------

8MB

8MB

8MB

NONE

32MB

8MB

-----------------

8MB

-----------------

8MB

8MB

32MB

32MB

-----------------

NONE

NONE

NONE

NONE

34MB

8MB

8MB

8MB

8MB

2MB

NONE

34MB

8MB

-----------------

8MB

8MB

8MB

2MB

34MB

32MB

-----------------

2MB

NONE

NONE

NONE

36MB

8MB

8MB

8MB

8MB

2MB

2MB

36MB

32MB

-----------------

2MB

2MB

NONE

NONE

40MB

8MB

8MB

8MB

8MB

8MB

NONE

40MB

8MB

-----------------

8MB

8MB

8MB

8MB

40MB

32MB

-----------------

2MB

2MB

2MB

2MB

40MB

32MB

-----------------

8MB

NONE

NONE

NONE

40MB

32MB

-----------------

8MB

-----------------

NONE

NONE

42MB

8MB

8MB

8MB

8MB

8MB

2MB

42MB

32MB

-----------------

8MB

2MB

NONE

NONE

42MB

32MB

-----------------

8MB

-----------------

2MB

NONE

48MB

8MB

8MB

8MB

8MB

8MB

8MB

48MB

32MB

-----------------

8MB

8MB

NONE

NONE

48MB

32MB

-----------------

8MB

-----------------

8MB

-----------------

50MB

32MB

-----------------

8MB

8MB

2MB

NONE

50MB

32MB

-----------------

8MB

8MB

-----------------

2MB

52MB

32MB

-----------------

8MB

8MB

2MB

2MB

DRAM CONFIGURATION (CON’T)

Size

M0

M1

M2

M3

M4

M5

56MB

32MB

-----------------

8MB

8MB

8MB

NONE

56MB

32MB

-----------------

8MB

-----------------

8MB

8MB

58MB

32MB

-----------------

8MB

8MB

8MB

2MB

64MB

32MB

-----------------

8MB

8MB

8MB

8MB

64MB

32MB

-----------------

32MB

-----------------

NONE

NONE

66MB

32MB

-----------------

32MB

-----------------

2MB

NONE

68MB

32MB

-----------------

32MB

-----------------

2MB

2MB

72MB

32MB

-----------------

32MB

-----------------

8MB

NONE

72MB

32MB

-----------------

32MB

-----------------

8MB

-----------------

74MB

32MB

-----------------

32MB

-----------------

8MB

2MB

80MB

32MB

-----------------

32MB

-----------------

8MB

8MB

96MB

32MB

-----------------

32MB

-----------------

32MB

-----------------

Note:The system memory card uses proprietary memory modules, some require only one module

space on the memory board, while others require two. In the cases where a double size module

is used, the following space is marked with "-----------------", designating that space as occupied.

PROCESSOR CARD (MODEL 001358)

CACHE CONFIGURATION

Size

Bank 0

TAG

64KB

(8) 8K x 8

(1) 4K x 8

256KB

(8) 32K x 8

(1) 16K x 8

Note:System board layout is the artist's representation of what the system board might look like.

All locations of components are unknown.

CACHE CONFIGURATION

Size

Bank 0

TAG

64KB

(8) 8K x 8

(1) 4K x 8

256KB

(8) 32K x 8

(1) 16K x 8

Note:System board layout is the artist's representation of what the system board might look like.

All locations of components are unknown.