MOTHERBOARDS Pentium (socket 4,5,7)

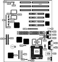
GIGA-BYTE - LONGBAR

GIGA-BYTE TECHNOLOGY CO., INC.
Pentium
GA-586AP
32-bit PCI slots (3), floppy drive interface, green PC connector, IDE interfaces (2), parallel port, serial ports (2)
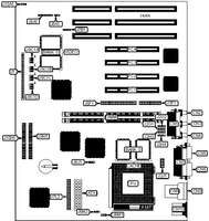
GIGA-BYTE TECHNOLOGY CO., INC.
Pentium
GA-586AP REV. 2A
32-bit PCI slots (3), floppy drive interface, green PC connector, IDE interfaces (2), parallel port, serial ports (2)
GIGA-BYTE TECHNOLOGY CO., INC.
Pentium
GA-586AS
32-bit PCI slots (4), green PC connector
GIGA-BYTE TECHNOLOGY CO., INC.
Pentium
GA-586AT
32-bit PCI slots (3), floppy drive interface, green PC connector, IDE interfaces (2), parallel port, serial ports (2)
GIGA-BYTE TECHNOLOGY CO., INC.
Pentium
GA-586AT VER. 2x/3x
32-bit PCI slots (3), floppy drive interface, green PC connector, IDE interfaces (2), parallel port, serial ports (2)
GIGA-BYTE TECHNOLOGY CO., INC.
Pentium
GA-586VL
32-bit PCI slots (3), floppy drive interface, IDE interfaces (2), parallel port, serial ports (2)
GIGA-BYTE TECHNOLOGY CO., LTD.
Pentium
GA-586AL
32-bit PCI slots (3), floppy drive interface, green PC connector, IDE interfaces (2), parallel port, serial ports (2)
GIGA-BYTE TECHNOLOGY CO., LTD.
Pentium
GA-586AM
32-bit PCI slots (4), floppy drive interface, green PC connector, IDE interfaces (2), parallel port, serial ports (2)
GIGA-BYTE TECHNOLOGY CO., LTD.
Pentium
GA-586ATE
32-bit PCI slots (4), floppy drive interface, green PC connector, IDE interfaces (2), parallel port, PS/2 mouse interface, serial ports (2), VRM connector
GIGA-BYTE TECHNOLOGY CO., LTD.
Pentium
GA-586ATS
32-bit PCI slots (4), floppy drive interface, green PC connector, IDE interfaces (2), parallel port, PS/2 mouse interface, serial ports (2), cache slot
GIGA-BYTE TECHNOLOGY CO., LTD.
Pentium
GA-586ATV
32-bit PCI slots (2), floppy drive interface, green PC connector, IDE interfaces (2), parallel port, PS/2 mouse interface, serial ports (2), cache slot
GIGA-BYTE TECHNOLOGY CO., LTD.
Pentium
GA-586ATX
32-bit PCI slots (4), floppy drive interface, green PC connector, IDE interfaces (2), parallel port, PS/2 mouse interface, serial ports (2), IR connector, USB connector, ATX power connector
GIGA-BYTE TECHNOLOGY CO., LTD.
Pentium
GA-586ATX (Rev. 3.0)
32-bit PCI slots (4), floppy drive interface, green PC connector, IDE interfaces (2), parallel port, PS/2 mouse port, PS/2 keyboard port, serial ports (2), USB connector, ATX power connector, IR connector
GIGA-BYTE TECHNOLOGY CO., LTD.
Pentium
GA-586ATX2
32-bit PCI slots (4), floppy drive interface, green PC connector, IDE interfaces (2), parallel port, PS/2 mouse port, serial ports (2), IR connector, USB connector, ATX power connector
GIGA-BYTE TECHNOLOGY CO., LTD.
Pentium
GA-586AVS
32-bit PCI slots (3), floppy drive interface, green PC connector, IDE interfaces (2), parallel port, PS/2 mouse interface, serial ports (2), VGA feature connector, VGA interface, cache slot
GIGA-BYTE TECHNOLOGY CO., LTD.
Pentium
GA-586DX
32-bit PCI slots (4), floppy drive interface, green PC connector, IDE interfaces (2), Ultra SCSI interface, Ultra Wide SCSI interface, parallel port, PS/2 mouse port, serial ports (2), IR connector, USB connector, ATX power connector, RAID slo
GIGA-BYTE TECHNOLOGY CO., LTD.
Pentium
GA-586HX (VER. 1)
32-bit PCI slots (4), floppy drive interface, green PC connector, IDE interfaces (2), parallel port, PS/2 mouse interface, serial ports (2), cache slot
GIGA-BYTE TECHNOLOGY CO., LTD.
Pentium
GA-586HX (VER. 2)
32-bit PCI slots (4), floppy drive interface, green PC connector, IDE interfaces (2), parallel port, PS/2 mouse interface, serial ports (2), cache slot
GIGA-BYTE TECHNOLOGY CO., LTD.
Dual Pentium
GA-586ID REV. 1
32-bit PCI bus slots (3)
GIGA-BYTE TECHNOLOGY CO., LTD.
Pentium
GA-586IM (Version 1 & Version 2)
32-bit PCI local bus slots (3)
GIGA-BYTE TECHNOLOGY CO., LTD.
Pentium
GA-586IP REV. 1
32-bit PCI bus slots (4)
GIGA-BYTE TECHNOLOGY CO., LTD.
Pentium
GA-586IS
32-bit PCI bus slots (4)
GIGA-BYTE TECHNOLOGY CO., LTD.
Pentium
GA-586MS
32-bit PCI slots (3), floppy drive interface, green PC connector, IDE interfaces (2), parallel port, PS/2 mouse port, serial ports (2), VGA port, IR connector, ATX power connector
GIGA-BYTE TECHNOLOGY CO., LTD.
Pentium
GA-586S
32-bit PCI slots (5), floppy drive interface, green PC connector, IDE interfaces (2), parallel port, PS/2 mouse interface, serial ports (2), IR connector
GIGA-BYTE TECHNOLOGY CO., LTD.
Pentium
GA-586S2
32-bit PCI slots (4), floppy drive interface, green PC connector, IDE interfaces (2), parallel port, PS/2 mouse interface, serial ports (2), IR connector, USB connector
GIGA-BYTE TECHNOLOGY CO., LTD.
Pentium
GA-586STX
32-bit PCI slots (2), floppy drive interface, green PC connector, IDE interfaces (2), parallel port, PS/2 mouse port, serial ports (2), IR connector, USB connector, ATX power connector
GIGA-BYTE TECHNOLOGY CO., LTD.
Pentium
GA-586SVX
32-bit PCI slots (4), floppy drive interface, game port, green PC connector, IDE interfaces (2), parallel port, PS/2 mouse port, serial ports (2), cache slot, IR connector, ATX power connector, line in, line out, microphone in, wavetable connector, a
GIGA-BYTE TECHNOLOGY CO., LTD.
Pentium
GA-586T2
32-bit PCI slots (4), floppy drive interface, green PC connector, IDE interfaces (2), parallel port, PS/2 mouse interface, serial ports (2), IR connector, USB connector, ATX power connector
GIGA-BYTE TECHNOLOGY CO., LTD.
Pentium
GA-586TX
32-bit PCI slots (4), floppy drive interface, green PC connector, IDE interfaces (2), parallel port, PS/2 mouse interface, serial ports (2), IR connector, USB connectors (2), ATX power connector
GIGA-BYTE TECHNOLOGY CO., LTD.
Pentium
GA-586TX2
32-bit PCI slots (4), floppy drive interface, green PC connector, IDE interfaces (2), parallel port, PS/2 mouse interface, serial ports (2), IR connector, USB connector, ATX power connector
GIGA-BYTE TECHNOLOGY CO., LTD.
Pentium
GA-586TX3
32-bit PCI slots (4), floppy drive interface, green PC connector, IDE interfaces (2), parallel port, PS/2 mouse interface, serial ports (2), IR connector, USB connector, ATX power connector
GIGA-BYTE TECHNOLOGY CO., LTD.
Pentium
GA-586UX
32-bit PCI slots (4), floppy drive interface, green PC connector, IDE interfaces (2), parallel port, PS/2 mouse port, serial ports (2), IR connector, ATX power connector
GIGA-BYTE TECHNOLOGY CO., LTD.
Pentium
GA-586VX (REV. 1.1)
32-bit PCI slots (4), floppy drive interface, green PC connector, IDE interfaces (2), parallel port, PS/2 mouse interface, serial ports (2), cache slot, USB connector
GIGA-BYTE TECHNOLOGY CO., LTD.
Pentium
GA-586VX (REV.2.0)
32-bit PCI slots (4), floppy drive interface, green PC connector, IDE interfaces (2), parallel port, PS/2 mouse interface, serial ports (2), cache slot, USB connector
GIGA-BYTE TECHNOLOGY CO., LTD.
Pentium
GA-5AX (REV. 1.0)
32-bit PCI slots (4), floppy drive interface, green PC connector, IDE interfaces (2), parallel port, PS/2 mouse port, serial ports (2), USB connectors (2), ATX power connector, AGP slot, wake on LAN connector
GIGA-BYTE TECHNOLOGY CO., LTD.
Pentium
GA-5AX (REV. 3.0)
32-bit PCI slots (4), floppy drive interface, green PC connector, IDE interfaces (2), parallel port, PS/2 mouse port, serial ports (2), USB connectors (2), ATX power connector, AGP slot, wake on LAN connector
GIGA-BYTE TECHNOLOGY CO., LTD.
Pentium
GA-5SG100 (REV. 2.0)
32-bit PCI slots (4), floppy drive interface, green PC connector, IDE interfaces (2), parallel port, PS/2 mouse interface, serial ports (2), IR connector, USB connector, ATX power connector, AGP slot, wake on LAN connector
HEWLETT-PACKARD COMPANY
Pentium
HP BRIO 80XX (VER. 2)
Floppy drive interface, IDE interfaces (2), riser slot
HEWLETT-PACKARD COMPANY
Pentium
HP BRIO 81XX (VER. 2)
Floppy drive interface, IDE interfaces (2), riser slot
HEWLETT-PACKARD COMPANY
Pentium
HP BRIO 83XX (VER. 2)
Floppy drive interface, IDE interfaces (2), riser slot
HEWLETT-PACKARD COMPANY
Pentium
HP VECTRA 500 MODEL 510 (PENTIUM), 515, 560, 562, 564, 572, 574
Floppy drive interface, IDE interfaces (2), parallel port, PS/2 mouse port, serial ports (2), VGA feature connector, VGA port, cache slot, VRM connector
HEWLETT-PACKARD COMPANY
Pentium
HP VECTRA 500 MODEL 520 (TYPE A),
Floppy drive interface, IDE interfaces (2), parallel port, PS/2 mouse port, serial ports (2), cache slot
HEWLETT-PACKARD COMPANY
Pentium
HP VECTRA 500 MODEL 520 (TYPE B),
Floppy drive interface, IDE interfaces (2), parallel port, PS/2 mouse port, serial ports (2), VGA feature connector, VGA port, cache slot
HEWLETT-PACKARD COMPANY
Pentium
HP VECTRA 500 MODEL 522, VL 5/XXX SERIES 3
Floppy drive interface, IDE interfaces (2), parallel port, PS/2 mouse port, serial ports (2), VGA feature connector, VGA port, video memory slot
HEWLETT-PACKARD COMPANY
Pentium
HP VECTRA VE 5/XXX
Floppy drive interface, IDE interface, parallel port, PS/2 mouse port, serial ports (2), VGA feature connector, VGA port, video memory slot
HEWLETT-PACKARD COMPANY
Pentium
HP VECTRA VE 5/XXX SERIES 2
Floppy drive interface, IDE interfaces (2), parallel port, PS/2 mouse port, serial ports (2), VGA feature connector, VGA port, cache slot, VRM connector
HEWLETT-PACKARD COMPANY
Pentium
HP VECTRA VE 5/XXX SERIES 3
Floppy drive interface, IDE interfaces (2), parallel port, PS/2 mouse port, serial ports (2), cache slot
HEWLETT-PACKARD COMPANY
Pentium
HP VECTRA VL 5/XXX SERIES 4
Floppy drive interface, IDE interfaces (2), parallel port, PS/2 mouse port, serial ports (2), cache slot
HEWLETT-PACKARD COMPANY
Pentium
HP VECTRA VL 5/XXX SERIES 4(ON BOARD VIDEO)
Floppy drive interface, IDE interfaces (2), parallel port, PS/2 mouse port, serial ports (2), VGA feature connector, VGA port, cache slot
HEWLETT-PACKARD COMPANY
Pentium
HP VECTRA VL 5/XXX SERIES 5
Floppy drive interface, IDE interfaces (2), parallel port, PS/2 mouse port, serial ports (2), VGA feature connector, VGA port, cache slot, VRM connector, USB connectors (2)
HEWLETT-PACKARD COMPANY
Pentium
HP VECTRA XA 5/XXX
Floppy drive interface, IDE interfaces (2), parallel port, PS/2 mouse port, serial ports (2), VGA feature connector, VGA port, cache slot, VRM connector, USB connectors (2)
HEWLETT-PACKARD COMPANY
Pentium
HP VECTRA XM 5/XXX SERIES 4
Floppy drive interface, IDE interfaces (2), parallel port, PS/2 mouse port, serial ports (2), VGA feature connector, VGA port, cache slot, VRM connector
HOKKINS SYSTEMATION, INC.
Pentium
586F61
32-bit PCI slots (3), floppy drive interface, green PC connector, IDE interfaces (2), parallel port, PS/2 mouse port, serial ports (2), cache slot, IR connector
HOKKINS SYSTEMATION, INC.
Pentium
586F61-PB
32-bit PCI slots (3), floppy drive interface, green PC connector, IDE interfaces (2), parallel port, PS/2 mouse port, serial ports (2), cache slot, IR connector
HOKKINS SYSTEMATION, INC.
Pentium
FREE COMPUTER TECHNOLOGY
32-bit PCI slots (3), floppy drive interface, green PC connector, IDE interfaces (2), parallel port, PS/2 mouse interface, serial ports (2), cache slot, IR connector, USB connector
I-BUS
Pentium
LEOPARDSHARK
Floppy drive interface, IDE interface, SCSI interface, parallel port, PS/2 mouse port, serial ports (2), cache slot, USB connector, VGA port
I-BUS
Pentium
MAKO
Floppy drive interface, IDE interface, parallel port, PS/2 mouse port, serial ports (2), cache slot, USB connector
I-BUS
Pentium
SHARK
Floppy drive interface, IDE interface, parallel port, PS/2 mouse port, serial ports (2)
I-BUS
Pentium
SHARK II
Floppy drive interface, green PC connector, IDE interface, parallel port, PS/2 mouse port, serial ports (2)
I-BUS
Pentium
TIGERSHARK
Floppy drive interface, IDE interface, SCSI interface, green PC connector, parallel port, PS/2 mouse port, serial ports (2)
IBM CORPORATION
Pentium
APTIVA 2134/2176 A-1
Floppy drive interface, IDE interfaces (2), parallel port, PS/2 mouse port, serial ports (2), VESA video feature connector, VGA port, riser slot, cache slot, feature connector, VGA interface, power supply connectors (2)
IBM CORPORATION
Pentium
APTIVA 2136
Floppy drive interface, green PC connector, IDE interfaces (2), parallel port, PS/2 mouse port, serial ports (2), VGA feature connector, VGA port, riser slot, fax/modem/voice connector, line in, CD-ROM audio in, audio in connector,
IBM CORPORATION
Pentium
APTIVA 2140 TYPE A-1
32-bit PCI slots (3), floppy drive interface, game/MIDI port, IDE interfaces (2), parallel port, PS/2 mouse port, serial ports (2), VGA feature connector, VGA port, USB connectors (2), ATX power connector, line in, line out, microphone in, audio in
IBM CORPORATION
Pentium
APTIVA 2142 TYPE A-1
32-bit PCI slots (3), floppy drive interface, game/MIDI port, IDE interfaces (2), parallel port, PS/2 mouse port, serial ports (2), VGA feature connector, VGA port, IR connector, USB connectors (2), ATX power connector, line in, line out, microphone
IBM CORPORATION
Pentium
APTIVA 2144 TYPE G-1
Floppy drive interface, IDE interfaces (2), parallel port, PS/2 mouse port, serial ports (2), VESA feature connector, VGA port, riser slot
IBM CORPORATION
Pentium
APTIVA 2144, 2168 TYPE H-2, I-2
Floppy drive interface, IDE interfaces (2), parallel port, PS/2 mouse port, ports (2), VESA feature connector, VGA port, VGA interface, riser slot, cache slots (2), VRM connector, modem wake up connector, power supply connectors (2)
IBM CORPORATION
AM K6-2/AM K6S
APTIVA 2153 SL-A
32-bit PCI slot, floppy drive interface, game/MIDI port, IDE interfaces (2), parallel port, PS/2 mouse port, serial ports (2), VGA port, IR connector, USB connectors (2), ATX power connector, line in, line out, microphone in, audio in – CD-ROM
IBM CORPORATION
Pentium MMX
APTIVA 2156 SL-A
Floppy drive interface, game interface, IDE interfaces (2), parallel port, PS/2 mouse port, serial ports (2), VGA port, riser slot, USB connector, ATX power connector, line in, line out, microphone in, audio in – CD-ROM
IBM CORPORATION
Pentium
APTIVA 2159
Floppy drive interface, IDE interfaces (2), parallel port, PS/2 mouse port, serial port, VESA feature connector, VGA port, VGA interface, riser slot, cache slot, VRM connector, USB connector, Media console connector, wake up on ring connector
IBM CORPORATION
Pentium
APTIVA 2161
Floppy drive interface, IDE interfaces (2), parallel port, PS/2 mouse port, serial port, VESA feature connector, VGA port, riser slot, cache slot, VRM connector, USB connector, wake up on ring connector
IBM CORPORATION
Pentium
APTIVA 2162
Floppy drive interface, IDE interfaces (2), parallel port, PS/2 mouse port, serial port, VESA feature connector, VGA port, riser slot, cache slot, VRM connector, USB connector, wake up on ring connector
IBM CORPORATION
Pentium
APTIVA M30 (250-0441), APTIVA M31 (250-0441), APTIVA M40 (12-10609), APTIVA M41 (250-0442), APTIVA M50 (250-0440), APTIVA M53 (250-0443), APTIVA M71 (250-0444)
Floppy drive interface, IDE interfaces (2), parallel port, PS/2 mouse port, serial ports (2), VESA feature connector, VGA port, riser slot, cache slots (2), internal VGA connector, power switch connector, wake up on ring connector
IBM CORPORATION
Pentium
PC 330 P-60, PC 350 P-60
Floppy drive interface, IDE interfaces (2), parallel port, PS/2 mouse port, serial ports (2), VGA port, riser slot
IBM CORPORATION
Pentium
PC 330 SERIES (TYPE 6575)
Floppy drive interface, IDE interfaces (2), parallel port, PS/2 mouse port, serial ports (2), VGA port, riser slot
IBM CORPORATION
Pentium
PC 330/350 SERIES (TYPE 6577, 6587)
Floppy drive interface, IDE interfaces (2), parallel port, PS/2 mouse port, serial ports (2), VESA pass through connector, VGA port, riser slot, cache slot, IR connector, USB connectors (2), modem ring connectors (2), LAN wake up connector, on/off sw
IBM CORPORATION
Pentium
PC 330/350 SERIES (TYPE 65X6)
Floppy drive interface, IDE interfaces (2), parallel port, PS/2 mouse port, serial ports (2), VESA feature connector, VGA port, riser slot
IBM CORPORATION
Pentium
PC 330/350 SERIES (TYPE 65X6) (100-166MHZ)
Floppy drive interface, IDE interfaces (2), parallel port, PS/2 mouse port, serial ports (2), VESA feature connector, VGA port, riser slot
IBM CORPORATION
Pentium
PC 340 SERIES (TYPE 6560)
Floppy drive interface, IDE interfaces (2), parallel port, PS/2 mouse port, serial ports (2), feature connector, VGA port, riser slot
IBM CORPORATION
Pentium
PC 350 SERIES (TYPE 6585)
Floppy drive interface, IDE interfaces (2), parallel port, PS/2 mouse port, serial ports (2), VGA port, riser slot
IBM CORPORATION
Pentium
PC 360-S150 (TYPE 6598)
32-bit PCI slots (4), CD-ROM interface, floppy drive interface, IDE interface, parallel port, PS/2 mouse port, serial ports (2)
IBM CORPORATION
Pentium
PC 365 (TYPE 6589)
Floppy drive interface, IDE interfaces (2), parallel port, PS/2 mouse port, serial ports (2), riser slot, VRM connector
IBM CORPORATION
Pentium
PC 730, PC 750
Floppy drive interface, IDE interfaces (2), parallel port, PS/2 mouse port, serial ports (2), VGA port, riser slot, CD-ROM audio interface, audio line in connector, audio line out connector
IBM CORPORATION
Pentium
PC 730/750 SERIES (TYPE 6877, 6887)
Floppy drive interface, IDE interfaces (2), parallel port, PS/2 mouse port, serial ports (2), VESA pass through connector, VGA port, riser slot, cache slot, IR connector, VRM connector, DSP audio connector, external ring wake up connector, modem rin
IBM CORPORATION
Pentium
PC SERVER 300 (TYPE 8640) OPO, 1P0, OPT, 1PT
32-bit PCI slots (3), floppy drive interface, IDE interface, parallel port, PS/2 mouse port, serial ports (2)
IBM CORPORATION
Pentium
PC SERVER 310 - TYPE 8639
Floppy drive interface, IDE interfaces (2), parallel port, PS/2 mouse port, serial ports (2), VGA port, riser slot, CD-ROM audio interface, audio line in connector, audio line out connector
IBM CORPORATION
Pentium
PC SERVER 320 (TYPE 8640)
32-bit PCI slots (3), floppy drive interface, IDE interface, parallel port, PS/2 mouse port, serial ports (2)
IBM CORPORATION
Pentium
PC SERVER 320 (TYPE 8640)
External memory card, 32-bit PCI slots (2), floppy drive interface,IDE interface, SCSI connectors (3), parallel port, PS/2 mouse port, serial ports (2), VGA port, cache slot
IBM CORPORATION
Pentium
PC SERVER 520 (TYPE 8641) MODEL EZO, EZV, EZL, EZS, EZE
32-bit PCI slots (3), floppy drive interface, IDE interface, parallel port, PS/2 mouse port, serial ports (2)
IBM CORPORATION
Pentium
PC SERVER 520 (TYPE 8641) MODEL MZO, MZV, MZS, MZL, MZE
32-bit PCI slots (2), floppy drive interface, IDE interfaces (2), SCSI interface, Wide SCSI interfaces (2), parallel port, PS/2 mouse port, serial ports (2), VGA port, cache slot
IBM CORPORATION
Pentium
PC300 (TYPE 6272, 6282)
Ethernet 10BaseT connector, AUI connector, floppy drive interface, IDE interfaces (2), parallel port, PS/2 mouse port, serial ports (2), VGA feature connector, VGA port, riser slot, cache slot, USB connectors (2)
ICL
Pentium
AC41644/41647 MODELS E450/X450
PS/2 mouse port, parallel port, serial ports (2), network adapter, floppy drive interface, IDE interfaces (2), proprietary riser card slot, sound in, sound out
ICL
Pentium
ERGOPRO D5 P-SERIES
PS/2 mouse port, parallel port, serial ports (2), VGA port, floppy drive interface, IDE interface, riser slots (2)
ICL
Pentium
ERGOPRO D5/60
PS/2 mouse port, parallel port, serial ports (2), VGA port, VGA feature connector, floppy drive interface, IDE interface, riser slots (2)
ICL
Pentium
ERGOPRO D5/60 REV. 1
PS/2 mouse port, parallel port, serial ports (2), VGA port, VGA feature connector, floppy drive interfaces (2), SCSI interface (2), microphone port, headphone port, CD ROM audio port
ICL
Pentium
ERGOPRO E450, ERGOPRO E650, ERGOPRO S450, ERGOPRO S650, ERGOPRO X650
PS/2 mouse port, parallel port, serial ports (2), VGA port, VGA feature connector, network adapter, floppy drive interface, IDE interfaces (2), proprietary riser card slot, sound in, sound out
ICL
Pentium
ERGOPRO E5
CPU slot, 32-bit VESA local bus slots (2), floppy drive interface, IDE interface, SCSI interface (optional), parallel port, PS/2 mouse port, serial ports (2)
ICL
Pentium
INDIANA D-SERIES
PS/2 mouse port, parallel port, serial ports (2), VGA port, VGA feature connector, floppy drive interface, IDE interfaces (2), riser slot
ICL
Pentium
TEAMSERVER F5/60
PS/2 mouse port, parallel port, serial ports (2), VGA port, floppy drive interface, IDE interface, CPU slot, external memory slot
ICL
Pentium
TEAMSERVER FI
32-bit PCI slots (3), floppy drive interface, IDE interface, parallel port, VGA port, PS/2 mouse port, backplane connector, riser board, cache slot
ICL
Pentium
TEAMSERVER H53NI
PS/2 mouse port, parallel port, serial ports (2), floppy drive interface, IDE interface, SCSI interfaces (2), external memory cards (2), CPU slots (2) PCI slots (5)
ICL
Pentium
VALUEPLUS MD/P60 SERIES
PS/2 mouse port, parallel port, serial ports (2), 32-bit PCI slots (3), floppy drive interface, IDE interface
INDUSTRIAL COMPUTER SOURCE
Pentium
586MBH SERIES
32-bit PCI slots (4), floppy drive interface, IDE interfaces (2), parallel port, PS/2 mouse interface, serial ports (2)
INDUSTRIAL COMPUTER SOURCE
Pentium
586MBHP SERIES
32-bit PCI slots (4), floppy drive interface, IDE interfaces (2), parallel port, PS/2 mouse interface, serial ports (2)
INDUSTRIAL COMPUTER SOURCE
Pentium
SB586P (V)
Floppy drive interface, IDE interface, SCSI interface, parallel port, serial ports (2), VGA feature connector, VGA port, cache slot
INDUSTRIAL COMPUTER SOURCE
Pentium
SB586T SERIES
Floppy drive interface, IDE interfaces (2), SCSI interface, parallel port, PS/2 mouse port, serial ports (2), VGA feature connector, VGA port, IPC connector, Ultra SCSI interface
INSIDE TECHNOLOGY A/S
Pentium
686LCD/S
Ethernet 10BaseT connector, AUI connector, floppy drive interface, IDE interface, parallel port, PS/2 mouse interface, serial ports (2), VGA port, cache slot, PC104 connectors (2), YUV connector, panel link port, flat panel connector, VGA port
INTEL CORPORATION
Pentium
ADVANCED/AS
32-bit PCI slots (4), floppy drive interface, green PC connector, IDE interfaces (2), parallel port, PS/2 mouse port, serial ports (2), VESA feature connector, riser slot, cache slot, IR connector, wave table connector, audio connector, CD-ROM connec
INTEL CORPORATION
Pentium
ADVANCED/ATX
Parallel port, serial ports (2), game port, VGA port, VGA feature connector, 32-bit PCI slots (4), floppy drive interface, IDE interfaces (2), IR connector, VRM connector
INTEL CORPORATION
Pentium
ADVANCED/EV (REV. 2)
32-bit PCI slots (4), floppy drive interface, green PC connector, IDE interfaces (2), parallel port, PS/2 mouse port, serial ports (2), VESA feature connector, riser slot, cache slot, IR connector, wave table connector, audio connector, CD-ROM connec
INTEL CORPORATION
Pentium
ADVANCED/MA (MONACO)
PS/2 mouse port, parallel port, serial ports (2), VGA port, VGA feature connector, IDE interface, Wave table connector, Audio I/O connector, CD ROM connector, Green PC connector, floppy drive interface, Riser slot
INTEL CORPORATION
Pentium
ADVANCED/ML
32-bit PCI slots (4), floppy drive interface, green PC connector, IDE interfaces (2), parallel port, PS/2 mouse port, serial ports (2), IR connector
INTEL CORPORATION
Pentium
ADVANCED/MN (MORRISSON)
PS/2 mouse port, parallel port, serial ports (2), VGA port, VGA feature connector, green PC connector, floppy drive interface, IDE interfaces (2)
INTEL CORPORATION
Pentium
ADVANCED/RH LPX
CD-ROM interface, floppy drive interface, green PC connector, IDE interfaces (2), parallel port, PS/2 mouse port, serial ports (2), VGA port, riser slot, cache slot, IR connector, USB connector, telephony connector, wavetable connector, audio out con
INTEL CORPORATION
Pentium
ADVANCED/ZE BABY-AT (ZAPPA)
PS/2 mouse port, parallel port, serial ports (2), 32-bit PCI slots (4), floppy drive interface, IDE interfaces (2), green PC connector, infra red connector
INTEL CORPORATION
Pentium
ADVANCED/ZP
32-bit PCI slots (3), floppy drive interface, green PC connector, IDE interfaces (2), parallel port, serial ports (2), IR connector
INTEL CORPORATION
Pentium
AG430HX
32-bit PCI slots (4), floppy drive interface, green PC connector, IDE interfaces (2), parallel port, PS/2 mouse port, serial ports (2), VESA feature connector, VGA port, IR connector, USB connectors (2), soft off power supply, wavetable connectors (2
INTEL CORPORATION
Pentium
ALTSERVER/CS
32-bit PCI slots (3), floppy drive interface, IDE interface, SCSI interfaces (2), parallel port, PS/2 mouse interface, serial ports (2), server monitor feature connector, VGA interface, cache slot
INTEL CORPORATION
Pentium
AN430TX
32-bit PCI slots (4), floppy drive interface, green PC connector, IDE interfaces (2), parallel port, PS/2 mouse port, serial ports (2), VGA port, IR connector, USB connectors (2), ATX power connector, microphone in, line in, line out, game/MIDI port
INTEL CORPORATION
Pentium
CN430TX
Parallel port, PS/2 mouse port, serial ports (2), VGA port, USB connectors (2), line out, microphone in
INTEL CORPORATION
Pentium
CU430HX
Floppy drive interface, green PC connector, IDE interfaces (2), parallel port, PS/2 mouse port, serial ports (3), VGA header connector, VGA port, riser slot, cache slot, IR connector, USB connector, LAN connector, microphone port, audio output port
INTEL CORPORATION
Pentium
ENDEAVOUR
32-bit PCI slots (4), CD-ROM interface, floppy drive interface, green PC connector, IDE interfaces (2), parallel port, PS/2 mouse port, serial ports (2), cache slot, IR connector, audio connector, wave table connector, video connector
INTEL CORPORATION
Pentium
LT430TX
32-bit PCI slots (4), floppy drive interface, green PC connector, IDE interfaces (2), parallel port, PS/2 mouse port, serial ports (2), VGA port, IR connector, USB connectors (2), ATX power connector, microphone in, line in, line out, game/MIDI port
INTEL CORPORATION
Pentium
NP430HX
32-bit PCI slots (3), Ethernet 10BaseT connector, floppy drive interface, green PC connector, IDE interfaces (2), parallel port, PS/2 mouse port, serial ports (2), VESA feature connector, VGA port, IR connector, USB connectors (2), soft off power sup
INTEL CORPORATION
Pentium
NV430VX
CD-ROM interface, floppy drive interface, green PC connector, IDE interfaces (2), parallel port, PS/2 mouse port, serial ports (2), VESA feature connector, VGA port, IR connector, USB connector, wave table connector, RCA video in port, S video out po
INTEL CORPORATION
Pentium
PENTIUM 90MHZ
32-bit PCI bus slots (3), floppy drive interface, IDE interfaces (2), parallel port, serial ports (2)
INTEL CORPORATION
Pentium
PENTIUM HENDRIX
32-bit PCI bus slots (3), floppy drive interface, IDE interfaces (2), parallel port, PS/2 mouse port, serial ports (2), VGA feature connector,VGA interface
INTEL CORPORATION
Pentium
PLATO P54C/PCI QUIN-51
32-bit PCI bus slots (3), floppy drive interface, IDE interfaces (2), parallel port, serial ports (2)
INTEL CORPORATION
Pentium
PLATO P54C/PCI QUIN-51
32-bit PCI bus slots (3), floppy drive interface, IDE interfaces (2), parallel port, serial ports (2)
INTEL CORPORATION
Pentium
PLATO P54C/PCI QUIN-51
32-bit PCI bus slots (3), floppy drive interface, IDE interfaces (2), parallel port, serial ports (2)
INTEL CORPORATION
Pentium
PREMIERE/PCI (P5-PCI BATMAN)
32-bit PCI slots (3), floppy drive interface, IDE interfaces (2), parallel port, serial ports (2)
INTEL CORPORATION
Pentium
PREMIERE/PCI BABY-AT (VER. 2)
32-bit PCI bus slots (3), floppy drive interface, IDE interface, parallel port, serial ports (2)
INTEL CORPORATION
Pentium
PREMIERE/PCI BABY-AT VER. 1
32-bit PCI bus slots (3), floppy drive interface, IDE interface, parallel port, serial ports (2)
INTEL CORPORATION
Pentium
PREMIERE/PCI II BABY-AT
32-bit PCI bus slots (3), floppy drive interface, IDE interfaces (2), parallel port, serial ports (2)
INTEL CORPORATION
Pentium
PREMIERE/PCI LC
32-bit PCI slots on riser card (2), floppy drive interface, green PC connector, IDE interfaces (2), parallel port, PS/2 mouse port, serial ports (2), VESA feature connector, VGA port
INTEL CORPORATION
Pentium
PREMIERE/PCI LPX
32-bit PCI slots on riser card (2), floppy drive interface, IDE interfaces (2), parallel port, PS/2 mouse port, serial ports (2), VESA feature connector, VGA port
INTEL CORPORATION
Pentium
PREMIERE/PCI LX
32-bit PCI slots on riser card (2), floppy drive interface, IDE interfaces (2), parallel port, PS/2 mouse port, serial ports (2), VESA feature connector, VGA port
INTEL CORPORATION
Pentium
PTI-5 ADVANCED/ZP
32-bit PCI slots (3), green PC connector, floppy drive interface, IDE interfaces (2), parallel port, serial ports (2)
INTEL CORPORATION
Pentium
RU430HX
CD-ROM connector, floppy drive interface, green PC connector, IDE interfaces (2), parallel port, PS/2 mouse port, serial ports (2), VESA feature connector, VGA port, riser slot, IR connectors (2), serial port/USB connector, microphone in connector, l
INTEL CORPORATION
Pentium
TC430HX
32-bit PCI slots (4), floppy drive interface, green PC connector, IDE interfaces (2), parallel port, PS/2 mouse port, serial port, VESA feature connector, VGA port, IR connector, USB connectors (2), MIDI/game port, line out connector, line in connect
INTEL CORPORATION
Pentium
TE430VX
32-bit PCI slots (4), CD-ROM interface, floppy drive interface, green PC connector, IDE interfaces (2), parallel port, PS/2 mouse port, serial ports (2), VESA feature connector, VGA port, cache slot, IR connector, USB connectors (2), modem blaster co
INTEL CORPORATION
Pentium
ZAPPA EXPANDABLE DESKTOP (P54C-PCI TRITON)
PS/2 mouse port, parallel port, serial ports (2), 32-bit PCI slots (3), green PC connector, floppy drive interface, IDE interfaces (2)
IPC CORPORATION
Pentium
IPC SE/SEL/VALUEMAGIC/FAMILYMAGIC (MB586PCI)
32-bit PCI slots (3), floppy drive interface, IDE interface, parallel port, serial ports (2)
IPC CORPORATION, LTD.
Pentium
IPC SE (MB586PCI#10), SEL (MB586PCI#10), VALUEMAGIC (MB586PCI#10)
32-bit PCI slots (3), floppy drive interface, IDE interfaces (2), parallel port, serial ports (2)
IWILL CORPORATION
Pentium
XA100
32-bit PCI slots (4), floppy drive interface, IDE interfaces (2), parallel port, PS/2 mouse port, serial ports (2), serial port, IR connector, USB connectors (2), ATX power connector, AGP slot
J-BOND COMPUTER SYSTEMS CORPORATION
Pentium
PCI Pentium
32-bit PCI local bus slots (4), SCSI interface
J-BOND COMPUTER SYSTEMS CORPORATION
Pentium
PCI500C-E
32-bit PCI slots (4), floppy drive interface, IDE interfaces (2), SCSI connector, parallel port, serial ports (2), cache slot, VRM connector
J-BOND COMPUTER SYSTEMS CORPORATION
Pentium
PCI500C-G
32-bit PCI slots (4), floppy drive interface, IDE interfaces (2), SCSI interfaces (2), parallel port, PS/2 mouse interface, serial ports (2), cache slot, IR connector, VRM connector, USB connectors (2)
J-BOND COMPUTER SYSTEMS CORPORATION
Pentium
PCI500C-G
32-bit PCI slots (4), floppy drive interface, IDE interfaces (2), SCSI-II interface, Wide SCSI interface, parallel port, PS/2 mouse interface, serial ports (2), cache slot, IR connector, USB connectors (2)
J-BOND COMPUTER SYSTEMS CORPORATION
Pentium
PCI500C-G2
32-bit PCI slots (4), floppy drive interface, IDE interfaces (2), SCSI-II interface, Wide SCSI interface, parallel port, PS/2 mouse interface, serial ports (2), cache slot, IR connector, USB connectors (2)
J-BOND COMPUTER SYSTEMS CORPORATION
Pentium
PCI500C-H
32-bit PCI slots (4), floppy drive interface, IDE interfaces (2),SCSI interface, parallel port, PS/2 mouse interface, serial ports (2), cache slot, IR connector, USB connectors (2)
J-BOND COMPUTER SYSTEMS CORPORATION
Pentium
PCI500C-H2
32-bit PCI slots (4), floppy drive interface, IDE interfaces (2), parallel port, PS/2 mouse interface, serial ports (2), cache slot, IR connector, USB connectors (2)
J-BOND COMPUTER SYSTEMS CORPORATION
Pentium
PCI500C-H4
32-bit PCI slots (4), floppy drive interface, green PC connector, IDE interfaces (2), parallel port, PS/2 mouse interface, serial ports (2), IR connector, USB connectors (2)
J-BOND COMPUTER SYSTEMS CORPORATION
Pentium
PCI500C-J
32-bit PCI slots (4), floppy drive interface, IDE interfaces (2), SCSI interface, Wide SCSI interface, parallel port, PS/2 mouse port, serial ports (2), IR connector, VRM connector, USB connectors (2), ATX power connector, RAID slot
J-MARK COMPUTER CORPORATION
Pentium
5TXC
32-bit PCI slots (4), floppy drive interface, green PC connector, IDE interfaces (2), parallel port, PS/2 mouse interface, serial ports (2), IR connector, USB connectors (2), ATX power connector
J-MARK COMPUTER CORPORATION
Pentium
J-571B
32-bit PCI slots (3), floppy drive interface, green PC connector, IDE interfaces (2), parallel port, PS/2 mouse interface, serial ports (2), IR connector, USB connectors (2)
J-MARK COMPUTER CORPORATION
Pentium
J-591A
32-bit PCI slots (3), floppy drive interface, IDE interfaces (2), parallel port, PS/2 mouse interface, serial ports (2), IR connector, USB connector, ATX power connector, AGP slot
J-MARK COMPUTER CORPORATION
Pentium
J-597A
32-bit PCI slots (4), floppy drive interface, IDE interfaces (2), parallel port, PS/2 mouse interface, serial ports (2), IR connector, USB connector, ATX power connector, AGP slot
J-MARK COMPUTER CORPORATION
Pentium
J-5TXA, J-5TXA/L
32-bit PCI slots (4), floppy drive interface, green PC connector, IDE interfaces (2), parallel port, PS/2 mouse port, serial ports (2), IR connectors (2), USB connectors (2), ATX power connector
J-MARK COMPUTER CORPORATION
Pentium
J-5TXBR2
32-bit PCI slots (4), floppy drive interface, green PC connector, IDE interfaces (2), parallel port, PS/2 mouse interface, serial ports (2), IR connector, USB connectors (2), ATX power connector
J-MARK COMPUTER CORPORATION
Pentium
J-646B
32-bit PCI slots (3), floppy drive interface, IDE interfaces (2), parallel port, PS/2 mouse interface, serial ports (2)
J-MARK COMPUTER CORPORATION
Pentium
J-648A
32-bit PCI slots (3), floppy drive interface, green PC connector, IDE interfaces (2), parallel port, PS/2 mouse interface, serial ports (2), VGA feature connector, VGA interface, IR connector
J-MARK COMPUTER CORPORATION
Pentium
J-648AP
32-bit PCI slots (3), floppy drive interface, green PC connector, IDE interfaces (2), parallel port, PS/2 mouse interface, serial ports (2), VGA feature connector, VGA interface, IR connector
J-MARK COMPUTER CORPORATION
Pentium
J-656B
32-bit PCI slots (4), floppy drive interface, IDE interfaces (2), parallel port, PS/2 mouse interface, serial ports (2), VRM connector. IR connector
J-MARK COMPUTER CORPORATION
Pentium
J-656C
32-bit PCI slots (4), floppy drive interface, green PC connector, IDE interfaces (2), parallel port, PS/2 mouse port, serial ports (2), cache slot
J-MARK COMPUTER CORPORATION
Pentium
J-656HXA
32-bit PCI slots (3), floppy drive interface, green PC connector, IDE interfaces (2), parallel port, PS/2 mouse interface, serial ports (2), cache slot, IR connector
J-MARK COMPUTER CORPORATION
Pentium
J-656VXB
32-bit PCI slots (3), floppy drive interface, green PC connector, IDE interfaces (2), parallel port, PS/2 mouse interface, serial ports (2), cache slot, IR connector
J-MARK COMPUTER CORPORATION
Pentium
J-656VXC
32-bit PCI slots (3), floppy drive interface, green PC connector, IDE interfaces (2), parallel port, PS/2 mouse interface, serial ports (2), USB connectors (2)
J-MARK COMPUTER CORPORATION
Pentium
J-656VXD
32-bit PCI slots (3), floppy drive interface, green PC connector, IDE interfaces (2), parallel port, PS/2 mouse interface, serial ports (2), IR connector, USB connectors (2)
J-MARK COMPUTER CORPORATION
Pentium
J-656VXDP
32-bit PCI slots (3), floppy drive interface, green PC connector, IDE interfaces (2), parallel port, PS/2 mouse interface, serial ports (2), IR connector, USB connectors (2)
J-MARK COMPUTER CORPORATION
Pentium
J-TX98 R2
32-bit PCI slots (3), floppy drive interface, IDE interfaces (2), parallel port, PS/2 mouse interface, serial ports (2), IR connector, USB connector, ATX power connector, VGA interface
J-MARK COMPUTER CORPORATION
Pentium
SUPER TX
32-bit PCI slots (3), floppy drive interface, IDE interfaces (2), parallel port, PS/2 mouse interface, serial ports (2), IR connector, USB connector, ATX power connector, VGA interface
KADATCO CO., LTD.
Pentium
AM-430TX
32-bit PCI slots (4), floppy drive interface, green PC connector, IDE interfaces (2), parallel port, PS/2 mouse interface, serial ports (2), IR connector, USB connector
KADATCO CO., LTD.
Pentium
AM-430TX+
32-bit PCI slots (4), floppy drive interface, green PC connector, IDE interfaces (2), parallel port, PS/2 mouse interface, serial ports (2), IR connector, USB connector
KADATCO CO., LTD.
Pentium
AM-432TX/ATX
32-bit PCI slots (4), floppy drive interface, green PC connector, IDE interfaces (2), parallel port, PS/2 mouse port, serial ports (2), IR connector, USB connectors (2), ATX power connector
KADATCO CO., LTD.
Pentium
AM-433TX/ATX
32-bit PCI slots (4), floppy drive interface, IDE interfaces (2), parallel port, PS/2 mouse port, serial ports (2), IR connector, USB connectors (2), ATX power connector
KADATCO CO., LTD.
Pentium
AM-433VX
32-bit PCI slots (4), floppy drive interface, green PC connector, IDE interfaces (2), parallel port, PS/2 mouse interface, serial ports (2), IR connector, USB connector
KADATCO CO., LTD.
Pentium
AM-436TX
32-bit PCI slots (3), floppy drive interface, IDE interfaces (2), parallel port, PS/2 mouse interface, serial ports (2), USB connector, ATX power connector
KADATCO CO., LTD.
Pentium
AM-438VX
32-bit PCI slots (4), floppy drive interface, green PC connector, IDE interfaces (2), parallel port, PS/2 mouse interface, serial ports (2), cache slot, IR connector, USB connector
KADATCO CO., LTD.
Pentium
AM-439VX
32-bit PCI slots (4), floppy drive interface, green PC connector, IDE interfaces (2), parallel port, PS/2 mouse interface, serial ports (2), IR connector, USB connector
KADATCO CO., LTD.
Pentium
AM-535
32-bit PCI slots (4), floppy drive interface, green PC connector, IDE interfaces (2), parallel port, PS/2 mouse interface, serial ports (2), IR connector
KADATCO CO., LTD.
Pentium
AM-538
32-bit PCI slots (4), floppy drive interface, green PC connector, IDE interfaces (2), parallel port, PS/2 mouse interface, serial ports (2), USB connector
KADATCO CO., LTD.
Pentium
AM-539
32-bit PCI slots (4), floppy drive interface, IDE interfaces (2), parallel port, PS/2 mouse interface, serial ports (2), USB connector
KADATCO CO., LTD.
Pentium
AM-548
32-bit PCI slots (5), floppy drive interface, green PC connector, IDE interfaces (2), parallel port, PS/2 mouse interface, serial ports (2), IR connector, USB connector, ATX power connector
LANNER ELECTRONICS, INC.
Pentium
AP-500
Floppy drive interface, green PC connector, IDE interfaces (2), parallel port, PS/2 mouse port, serial ports (2), IR connector, USB connectors (2)
LANNER ELECTRONICS, INC.
Pentium
AP-50IFA
Floppy drive interface, green PC connector, IDE interfaces (2), SCSI interface, Wide Ultra SCSI interface, parallel port, PS/2 mouse port, PS/2 mouse interface, serial ports (2), VGA port, IR connector, USB connectors (2), PC/104 connectors (2), fla
LANNER ELECTRONICS, INC.
Pentium
AP-50IFV
Floppy drive interface, green PC connector, IDE interfaces (2), parallel port, PS/2 mouse port, PS/2 mouse interface, serial ports (2), VGA port, IR connector, USB connectors (2), PC/104 connectors (2), flat panel connectors (2)
LANNER ELECTRONICS, INC.
Pentium
AP-520
Floppy drive interface, green PC connector, IDE interfaces (2), parallel port, PS/2 mouse port, serial ports (2), IR connector, USB connectors (2)
LANNER ELECTRONICS, INC.
Pentium
AP-5200IF
Floppy drive interface, IDE interfaces (2), parallel port, PS/2 mouse port, serial ports (2), cache slot, PC/104 connectors (2), VGA interface, PCI piggyback connector
LANNER ELECTRONICS, INC.
Pentium
AP-5200IH
Floppy drive interface, green PC connector, IDE interfaces (2), parallel port, PS/2 mouse port, serial ports (2), cache slot, IR connector, USB connectors (2), VGA interface, PCI piggyback connector
LANNER ELECTRONICS, INC.
Pentium
AP-5200SH
Floppy drive interface, green PC connector, IDE interface, parallel port, PS/2 mouse port, serial ports (2), VGA port, cache slot, IR connector
LANNER ELECTRONICS, INC.
Pentium
AP-540
Floppy drive interface, IDE interfaces (2), parallel port, PS/2 mouse port, serial ports (2)
LANNER ELECTRONICS, INC.
Pentium
AP-540TX
Floppy drive interface, IDE interfaces (2), green PC connector, parallel port, PS/2 mouse port, serial ports (2), VGA port, IR connector, USB connectors (2)
LANNER ELECTRONICS, INC.
Pentium
AP-545V
Floppy drive interface, IDE interface, parallel port, PS/2 mouse port, serial ports (2), VGA port, IR connector, USB connector, PC/104 connector
LANNER ELECTRONICS, INC.
Pentium
AP-560
Ethernet 10Base100 connector, floppy drive interface, IDE interfaces (2), Wide Ultra SCSI interface, parallel port, PS/2 mouse port, serial ports (2), VGA port, IR connector, USB connector, PC/104 connectors (2)
LANNER ELECTRONICS, INC.
Pentium
AP-560E
Ethernet 10Base100 connector, floppy drive interface, IDE interfaces (2), parallel port, PS/2 mouse port, serial ports (2), IR connector, USB connector, PC/104 connectors (2)
LANNER ELECTRONICS, INC.
Pentium
AP-560E
Ethernet 10Base100 connector, floppy drive interface, IDE interfaces (2), parallel port, PS/2 mouse port, serial ports (2), IR connector, USB connector, PC/104 connectors (2)
LANNER ELECTRONICS, INC.
Pentium
EM-500
32-bit PCI slot, Ethernet 100BaseT connector, floppy drive interface, IDE interface, IDE parallel port, PS/2 mouse interface, serial ports (2), VGA interface, IR connector, USB connectors (2), PC/104 connectors (2), flat panel connector, green PC con
LANNER ELECTRONICS, INC.
Pentium
EM-586
Floppy drive interface, IDE interfaces (2), green PC connector, parallel port, PS/2 mouse port, serial ports (2), VGA port, IR connector
LANNER ELECTRONICS, INC.
Pentium
TF-586VM
32-bit PCI slots (2), floppy drive interface, green PC connector, IDE interfaces (2), parallel port, PS/2 mouse port, serial ports (2), VGA port, IR connector, USB connectors (2), ATX power connector
LCI
Pentium
PENTIUM PCI/ISA 90/100
32-bit PCI slots (4)
LION COMPUTERS, INC.
Pentium
NICE GREEN PENTIUM PCI/ISA 60/66
32-bit PCI slots (4), Green PC connector
LION COMPUTERS, INC.
Pentium
NICE PENTIUM PCI/ISA 90/100
32-bit PCI slots (4)
LONGBAR DEVELOPMENT, LTD.
Pentium
LB-530
32-bit PCI slots (4), green PC connector, floppy drive interface, IDE interfaces (2), parallel port, PS/2 mouse port, PS/2 mouse interface, serial ports (2), cache slot, USB connector