J-BOND COMPUTER SYSTEMS CORPORATION
PCI500C-J
|
Processor |
CX 6X86/IBM 6X86/CX 6X86MX/IBM6X86MX/AM K5/AM K6/Pentium |
|
Processor Speed |
90/100/120/133/150/166/180/200/233/266/300MHz |
|
Chip Set |
Intel |
|
Video Chip Set |
None |
|
Maximum Onboard Memory |
256MB |
|
Maximum Video Memory |
None |
|
Cache |
256/512KB |
|
BIOS |
Award |
|
Dimensions |
305mm x 244mm |
|
I/O Options |
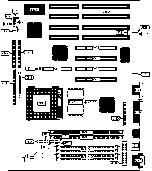
32-bit PCI slots (4), floppy drive interface, IDE interfaces (2), SCSI interface, Wide SCSI interface, parallel port, PS/2 mouse port, serial ports (2), IR connector, VRM connector, USB connectors (2), ATX power connector, RAID slot |
|
NPU Options |
None |
|
CONNECTIONS | |||
|
Purpose |
Location |
Purpose |
Location |
|
ATX power connector |
ATX |
Floppy drive interface |
CN5 |
|
Speaker |
C1 |
IDE interface 2 |
CN6 |
|
Power LED |
C2 |
IDE interface 1 |
CN7 |
|
SCSI interface LED |
C3 |
Wide SCSI interface |
CN8 |
|
Reset switch |
C4 |
SCSI interface |
CN9 |
|
IDE interface LED |
C5 |
IR connector |
IR1 |
|
Serial port 2 |
CN1 |
32-bit PCI slots |
PC1 – PC4 |
|
Parallel port |
CN2 |
RAID slot |
SL1 |
|
PS/2 mouse port |
CN3 |
USB connector |
USB1 |
|
Serial port 1 |
CN4 |
USB connector |
USB2 |
|
USER CONFIGURABLE SETTINGS | |||
|
Function |
Label |
Position | |
|
» |
Factory configured - do not alter |
J1 |
Unidentified |
|
» |
Factory configured - do not alter |
J14 |
Unidentified |
|
» |
Factory configured - do not alter |
JP8 |
Unidentified |
|
SCSI high byte enabled |
JP14 |
Closed | |
|
SCSI high byte disabled |
JP14 |
Open | |
|
SIMM CONFIGURATION | ||
|
Size |
Bank 0 |
Bank 1 |
|
8MB |
(2) 1M x 36 |
None |
|
16MB |
(2) 2M x 36 |
None |
|
16MB |
(2) 1M x 36 |
(2) 1M x 36 |
|
24MB |
(2) 2M x 36 |
(2) 1M x 36 |
|
32MB |
(2) 4M x 36 |
None |
|
32MB |
(2) 2M x 36 |
(2) 2M x 36 |
|
40MB |
(2) 4M x 36 |
(2) 1M x 36 |
|
48MB |
(2) 4M x 36 |
(2) 2M x 36 |
|
64MB |
(2) 8M x 36 |
None |
|
64MB |
(2) 4M x 36 |
(2) 4M x 36 |
|
72MB |
(2) 8M x 36 |
(2) 1M x 36 |
|
80MB |
(2) 8M x 36 |
(2) 2M x 36 |
|
96MB |
(2) 8M x 36 |
(2) 4M x 36 |
|
128MB |
(2) 8M x 36 |
(2) 8M x 36 |
|
128MB |
(2) 16M x 36 |
None |
|
136MB |
(2) 16M x 36 |
(2) 1M x 36 |
|
144MB |
(2) 16M x 36 |
(2) 2M x 36 |
|
160MB |
(2) 16M x 36 |
(2) 4M x 36 |
|
192MB |
(2) 16M x 36 |
(2) 8M x 36 |
|
256MB |
(2) 16M x 36 |
(2) 16M x 36 |
|
DIMM CONFIGURATION | ||
|
Size |
Bank 2 |
Bank 3 |
|
8MB |
(1) 1M x 64 |
None |
|
16MB |
(1) 2M x 64 |
None |
|
16MB |
(1) 1M x 64 |
(1) 1M x 64 |
|
24MB |
(1) 2M x 64 |
(1) 1M x 64 |
|
32MB |
(1) 4M x 64 |
None |
|
32MB |
(1) 2M x 64 |
(1) 2M x 64 |
|
40MB |
(1) 4M x 64 |
(1) 1M x 64 |
|
48MB |
(1) 4M x 64 |
(1) 2M x 64 |
|
64MB |
(1) 8M x 64 |
None |
|
64MB |
(1) 4M x 64 |
(1) 4M x 64 |
|
72MB |
(1) 8M x 64 |
(1) 1M x 64 |
|
80MB |
(1) 8M x 64 |
(1) 2M x 64 |
|
96MB |
(1) 8M x 64 |
(1) 4M x 64 |
|
128MB |
(1) 8M x 64 |
(1) 8M x 64 |
|
DIMM VOLTAGE CONFIGURATION | ||
|
Voltage |
J21 |
J22 |
|
3.3v |
Pins 1 & 2 closed |
Pins 1 & 2 closed |
|
5v |
Pins 2 & 3 closed |
Pins 2 & 3 closed |
|
CACHE CONFIGURATION | |
|
Size |
Bank 0 |
|
256KB |
(2) 32K x 32 |
|
512KB |
(2) 64K x 32 |
|
CPU SPEED SELECTION (CX 6X86) | ||||
|
CPU speed |
Clock speed |
Multiplier |
JP1 |
JP2 |
|
133MHz |
60MHz |
2x |
2 & 5 |
1 & 4, 2 & 5 |
|
150MHz |
60MHz |
2x |
2 & 5 |
1 & 4 |
|
166MHz |
66MHz |
2x |
2 & 5 |
Open |
|
200MHz |
75MHz |
2x |
2 & 5 |
2 & 5 |
|
Note: Pins designated should be in the closed position. | ||||
|
CPU SPEED SELECTION (IBM 6X86) | ||||
|
CPU speed |
Clock speed |
Multiplier |
JP1 |
JP2 |
|
133MHz |
60MHz |
2x |
2 & 5 |
1 & 4, 2 & 5 |
|
150MHz |
60MHz |
2x |
2 & 5 |
1 & 4 |
|
166MHz |
66MHz |
2x |
2 & 5 |
Open |
|
200MHz |
75MHz |
2x |
2 & 5 |
2 & 5 |
|
Note: Pins designated should be in the closed position. | ||||
|
CPU SPEED SELECTION (CX 6X86MX) | ||||
|
CPU speed |
Clock speed |
Multiplier |
JP1 |
JP2 |
|
166MHz |
66MHz |
2x |
2 & 5 |
Open |
|
166MHz |
60MHz |
2.5x |
1 & 4, 2 & 5 |
1 & 4 |
|
200MHz |
75MHz |
2x |
2 & 5 |
2 & 5 |
|
200MHz |
66MHz |
2.5x |
1 & 4, 2 & 5 |
Open |
|
233MHz |
75MHz |
2.5x |
1 & 4, 2 & 5 |
2 & 5 |
|
233MHz |
66MHz |
3x |
1 & 4 |
Open |
|
Note: Pins designated should be in the closed position. | ||||
|
CPU SPEED SELECTION (IBM 6X86MX) | ||||
|
CPU speed |
Clock speed |
Multiplier |
JP1 |
JP2 |
|
166MHz |
66MHz |
2x |
2 & 5 |
Open |
|
166MHz |
60MHz |
2.5x |
1 & 4, 2 & 5 |
1 & 4 |
|
200MHz |
75MHz |
2x |
2 & 5 |
2 & 5 |
|
200MHz |
66MHz |
2.5x |
1 & 4, 2 & 5 |
Open |
|
233MHz |
75MHz |
2.5x |
1 & 4, 2 & 5 |
2 & 5 |
|
233MHz |
66MHz |
3x |
1 & 4 |
Open |
|
Note: Pins designated should be in the closed position. | ||||
|
CPU SPEED SELECTION (AMD K5) | ||||
|
CPU speed |
Clock speed |
Multiplier |
JP1 |
JP2 |
|
90MHz |
60MHz |
1.5x |
Open |
1 & 4 |
|
100MHz |
66MHz |
1.5x |
Open |
Open |
|
120MHz |
60MHz |
2x |
2 & 5 |
1 & 4 |
|
133MHz |
66MHz |
2x |
2 & 5 |
Open |
|
150MHz |
60MHz |
2.5x |
1 & 4, 2 & 5 |
1 & 4 |
|
166MHz |
66MHz |
2.5x |
1 & 4, 2 & 5 |
Open |
|
180MHz |
60MHz |
3x |
1 & 4 |
1 & 4 |
|
200MHz |
66MHz |
3x |
1 & 4 |
Open |
|
233MHz |
66MHz |
3.5x |
Open |
Open |
|
Note: Pins designated should be in the closed position. | ||||
|
CPU SPEED SELECTION (AM K6) | ||||
|
CPU speed |
Clock speed |
Multiplier |
JP1 |
JP2 |
|
166MHz |
66MHz |
2.5x |
1 & 4, 2 & 5 |
Open |
|
180MHz |
60MHz |
3x |
1 & 4 |
1 & 4 |
|
200MHz |
66MHz |
3x |
1 & 4 |
Open |
|
233MHz |
66MHz |
3.5x |
Open |
Open |
|
266MHz |
66MHz |
4x |
1 & 4, 3 & 6 |
Open |
|
300MHz |
66MHz |
4.5x |
1 & 4, 2 & 5, 3 & 6 |
Open |
|
Note: Pins designated should be in the closed position. | ||||
|
CPU SPEED SELECTION (INTEL) | ||||
|
CPU speed |
Clock speed |
Multiplier |
JP1 |
JP2 |
|
90MHz |
60MHz |
1.5x |
Open |
1 & 4 |
|
100MHz |
66MHz |
1.5x |
Open |
Open |
|
120MHz |
60MHz |
2x |
2 & 5 |
1 & 4 |
|
133MHz |
66MHz |
2x |
2 & 5 |
Open |
|
150MHz |
60MHz |
2.5x |
1 & 4, 2 & 5 |
1 & 4 |
|
166MHz |
66MHz |
2.5x |
1 & 4, 2 & 5 |
Open |
|
180MHz |
60MHz |
3x |
1 & 4 |
1 & 4 |
|
200MHz |
66MHz |
3x |
1 & 4 |
Open |
|
233MHz |
66MHz |
3.5x |
Open |
Open |
|
Note: Pins designated should be in the closed position. | ||||
|
CPU VOLTAGE SELECTION | |
|
Voltage |
JP3 |
|
2.1v |
Pins 1 & 5 closed |
|
2.8v |
Pins 4 & 8 closed |
|
2.9v |
Pins 1 & 5, 4 & 8 closed |
|
3.2v |
Pins 3 & 7, 4 & 8 closed |
|
3.3v |
Pins 2 & 6, 3 & 7, 4 & 8 closed |
|
3.52v |
Pins 1 & 5, 2 & 6, 3 & 7, 4 & 8 closed |