UNIDENTIFIED
VGA-PC/D
|
Category |
Video |
|
Video Type |
CGA/EGA/Monochrome/VGA |
|
Video Processor |
Unknown |
|
Highest Resolution Supported |
800 x 600 |
|
Data Bus Type |
8-bit ISA |
|
Memory Type |
DRAM |
|
Maximum Onboard Memory |
256KB (Location unknown) |
|
CONNECTIONS | |||
|
Purpose |
Location |
Purpose |
Location |
|
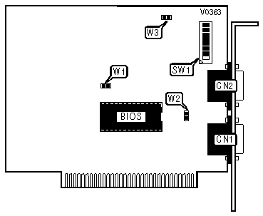
9-pin analog video port |
CN1 |
9-pin TTL analog video port |
CN2 |
|
I/O ADDRESS SELECT | ||
|
Address Range |
W1 | |
| » |
3xxh |
Open |
|
2xxh |
Closed | |
|
MONITOR TYPE SELECT | |||||
|
Type |
SW1/1 |
SW1/2 |
SW1/3 |
SW1/4 | |
| » |
Analog Multifrequency |
Off |
On |
On |
Off |
|
Monochrome |
On |
On |
On |
On | |
|
CGA |
Off |
On |
On |
On | |
|
EGA |
On |
Off |
On |
On | |
|
TTL Multifrequency |
Off |
Off |
On |
On | |
|
PS/2 Color/Mono |
On |
On |
On |
Off | |
|
PRIMARY/SECONDARY DISPLAY CONFIGURATION | ||
|
Setting |
SW1/5 | |
| » |
VGA-PC/D primary display |
On |
|
VGA-PC/D secondary display |
Off | |
|
DISPLAY CONFIGURATION | ||||
|
Setting |
SW1/6 |
SW1/7 |
SW1/8 | |
| » |
Automatic |
On |
On |
On |
|
Monochrome |
On |
Off |
On | |
|
CGA |
Off |
On |
On | |
|
EGA |
Off |
Off |
On | |
|
VGA |
On |
On |
Off | |
|
VGA protected |
Off |
On |
Off | |
|
SLOT TYPE CONFIGURATION | ||
|
Slot |
W2 | |
| » |
Other |
Open |
|
Slot 8 on a PC compatible |
Closed | |
|
FACTORY CONFIGURED SETTINGS | |
|
Jumper |
Setting |
|
W3 |
N/A |