UNIDENTIFIED
COLOR GRAPHICS CARD
|
Category |
Video card |
|
Video Type |
CGA/Monochrome |
|
Video Processor |
Unidentified |
|
Highest Resolution Supported |
640 X 200 |
|
Data Bus Type |
8-bit ISA |
|
Memory Type |
DRAM |
|
Maximum Onboard Memory |
64KB (Location unknown) |
|
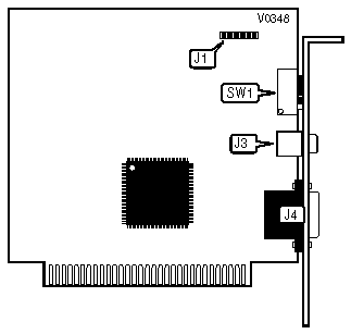
CONNECTIONS | |||
|
Purpose |
Location |
Purpose |
Location |
|
Light pen connector |
J1 |
9-pin analog video port |
J4 |
|
RCA jack |
J3 | ||
|
DISPLAY CONFIGURATION | |||||
|
Mode |
SW1/1 |
SW1/2 |
SW1/3 |
SW1/4 |
SW1/5 |
|
Composite Color |
On |
On |
Off |
Off |
On |
|
Composite Monochrome |
On |
Off |
On |
On |
Off |
|
CGA |
Off |
On |
Off |
Off |
Off |
|
Note: The output connector for composite settings is J3, and for CGA it is J4. | |||||