IMAGRAPH CORPORATION

V8 (VERSIONS A, B, C, D, & E)

Category

Video

Video Types Supported

XVGA

Video Processor

Trident

Highest Resolution Supported

1280 x 1024

Data Bus Type

16-bit ISA

Memory Type

VRAM

Maximum Onboard Memory

2048KB

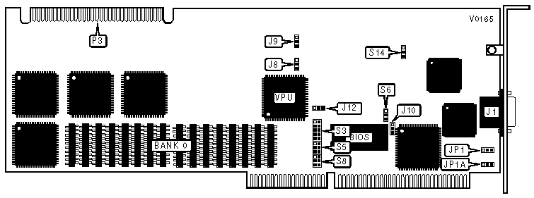
CONNECTIONS

Purpose

Location

Purpose

Location

15-pin video port

J1

Daughterboard connector

P3

EMULATION TYPE CONFIGURATION

Type

Address

JP1

JP1A

»

VGA/EGA with High Resolution

3DDh - 3DEh

Pins 1 &2 closed

Pins 1 &2 closed

 

CGA with High Resolution

3DDh - 3DEh

Pins 2 & 3 closed

Pins 2 & 3 closed

 

High resolution

3DDh - 3DEh

Pins 1 &2 closed

Pins 2 & 3 closed

 

High resolution

30Dh - 30Eh

Pins 2 & 3 closed

Pins 1 &2 closed

Note: Address setting 30Dh - 30Eh requires special device driver software for operation.

MONITOR CONNECTOR SENSE CONFIGURATION

Setting

J8

J9

»

Disabled

Pins 1 & 2 closed

Pins 1 & 2 closed

 

Enabled

Pins 2 & 3 closed

Pins 2 & 3 closed

Note: An optional microcode EPROM must be installed before Connector Sense can be enabled.

VGA DAUGHTERBOARD CONFIGURATION

Setting

J12

»

Not installed

Pins 2 & 3 closed

 

Installed

Pins 1 & 2 closed

Note: This setting does not apply to versions B, C, D, or E.

BIOS SIZE SELECTION

Size

J10

»

32K (VGA)

Pins 1 &2 closed

 

16K (EGA)

Pins 2 & 3 closed

Note: This setting does not apply to version B.

VIDEO INTERRUPT SELECTION

IRQ

S3

»

10

Pins 3 & 4 closed

 

2/9

Pins 9 & 10 closed

 

11

Pins 5 & 6 closed

 

12

Pins 7 & 8 closed

 

Disabled

Pins 1 & 2 closed

ALTERNATE I/O PORT ADDRESS SELECTION

Address

S6

»

3xx

Pins 2 & 3 closed

 

1xx

Pins 1 &2 closed

Note: This setting does not apply to versions B or C.

DMA CHANNEL SELECTION

DRQ

Dack

S5

S8

»

7

7

Pins 1 & 2 closed

Pins 1 & 2 closed

 

6

6

Pins 3 & 4 closed

Pins 3 & 4 closed

 

5

5

Pins 5 & 6 closed

Pins 5 & 6 closed

STRING I/O OPERATION CONFIGURATION

Setting

S14

»

Disabled

Pins 2 & 3 closed

 

Enabled

Pins 1 &2 closed

Note: This setting does not apply to version B. Microcode EPROM and device driver software must be installed before I/O string operations can be enabled.