EMULEX CORPORATION
SHORT PORT COLOR CARD COMPOSITE VIDEO
|
Card Type |
Video card |
|
Video Chip Set |
Unidentified |
|
Highest Resolution Supported |
640 x 200 |
|
Maximum Video Memory |
Unidentified |
|
Data Bus |
8-bit ISA |
|
Video Types Supported |
CGA |
|
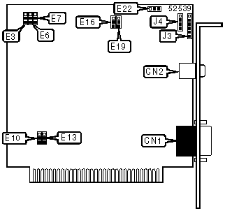
CONNECTIONS | |||
|
Function |
Label |
Function |
Label |
|
9-pin digital video port |
CN1 |
Light pen connector |
J3 |
|
RCA jack |
CN2 |
RF connector |
J4 |
|
USER CONFIGURABLE SETTINGS | |||
|
Function |
Label |
Position | |
| » |
Factory configured - do not alter |
E3 |
Unidentified |
| » |
Factory configured - do not alter |
E6 |
Unidentified |
| » |
Factory configured - do not alter |
E7 |
Unidentified |
|
Interface selected at Centronics |
E16 |
Pins 2 & 3 closed | |
|
Interface selected at Dataproducts |
E16 |
Pins 1 & 2 closed | |
|
Directional control internal |
E19 |
Pins 2 & 3 closed | |
|
Directional control external |
E19 |
Pins 1 & 2 closed | |
|
Bidirectional mode enabled |
E22 |
Pins 2 & 3 closed | |
|
Bidirectional mode disabled |
E22 |
Pins 1 & 2 closed | |
|
PARALLEL PORT RANGE SELECTION | |||
|
Range |
E10 |
E13 | |
|
Enabled |
Pins 2 & 3 closed |
Pins 2 & 3 closed | |
| » |
0 |
Pins 2 & 3 closed |
Pins 2 & 3 closed |
|
1 |
Pins 2 & 3 closed |
Pins 1 & 2 closed | |
|
2 |
Pins 1 & 2 closed |
Pins 2 & 3 closed | |
|
Disabled |
Pins 1 & 2 closed |
Pins 1 & 2 closed | |
|
PARALLEL PORT INTERRUPT SELECTION | |
|
IRQ |
E28 |
|
IRQ7 |
Pins 1 & 2 closed |
|
IRQ5 |
Pins 2 & 3 closed |
|
Note: The location of E28 is unidentified | |