DIAMOND FLOWER, INC.

VG-8000/VG-8000H

Category

Video

Video Types Supported

XVGA

Video Processor

WD90C30

Highest Resolution Supported

1024 x 768

Data Bus Type

16-bit Local Bus

Memory Type

DRAM

Maximum Onboard Memory

1024KB

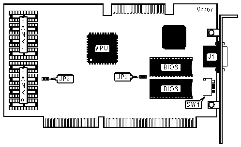
CONNECTIONS

Purpose

Location

15-pin analog video connector

J1

800 X 600 REFRESH RATE SELECTION

Rate

SW1/ 1

SW1/2

56Hz

Off

Off

72Hz

On

Off

60Hz

Off

On

56Hz

On

On

1024 X 768 REFRESH RATE CONFIGURATION

Rate

Mode

SW1/3

SW1/4

87Hz

Interlaced

Off

Off

70Hz

Non-interlaced

On

Off

60Hz

Non-Interlaced

Off

On

Not supported

N/A

On

On

SCAN RATE CONFIGURATION

Horizontal scan rate

Vertical scan rate

SW1/5

31.5khz

60Hz, 70Hz

Off

40khz

75Hz, 88Hz

On

ZERO WAIT STATE SELECTION

Setting

JP3

Enabled

Closed

Disabled

Open

DRAM CONFIGURATION

Size

Bank 0

Bank 1

JP2

512KB

(4) 44256

NONE

Closed

1024KB

(4) 44256

(4) 44256

Open

Note:JP2 is only available on the VG-8000. The VG8000H is factory configured with 1024KB.