AITECH INTERNATIONAL CORPORATION
GAMEPLAYERTV
|
Category |
Video/Sound |
|
Video Types Supported |
XVGA |
|
Video Processor |
AITech International |
|
Highest Resolution Supported |
800 x 600 |
|
Data Bus Type |
8-bit ISA |
|
Memory Type |
N/A |
|
Maximum Onboard Memory |
None |
|
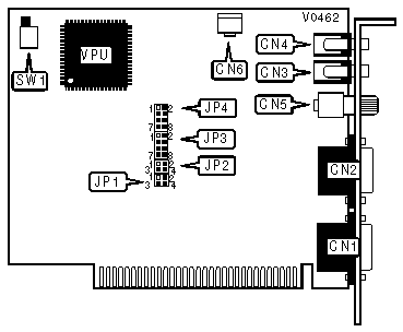
CONNECTIONS | |||
|
Purpose |
Location |
Purpose |
Location |
|
GamePlayerTV cable connector |
CN1 |
Audio line-in jack |
CN4 |
|
15-pin analog video port |
CN2 |
Volume control |
CN5 |
|
Microphone jack |
CN3 |
Brightness control |
CN6 |
|
DMA CHANNEL SELECTION | ||||
|
DRQ |
DACK |
JP1 |
JP2 | |
| » |
DRQ1 |
DACK1 |
Pins 2 & 3 closed |
Pins 2 & 3 closed |
|
DRQ3 |
DACK3 |
Pins 1 & 2 closed |
Pins 1 & 2 closed | |
|
INTERRUPT SELECTION | ||
|
IRQ |
JP3 | |
| » |
IRQ7 |
Pins 1 & 2 closed |
|
IRQ2 |
Pins 7 & 8 closed | |
|
IRQ3 |
Pins 5 & 6 closed | |
|
IRQ5 |
Pins 3 & 4 closed | |
|
I/O ADDRESS SELECTION | ||
|
ADDRESS |
JP4 | |
| » |
220 |
Pins 5 & 6, 7 & 8 closed |
|
240 |
Pins 1 & 2, 3 & 4 closed | |
|
HORIZONTAL VIDEO SYNCHRONIZATION |
|
SW1 |
|
Toggle switch to the side which results in the best picture. |