WISECOM, INC.
WS-2814IM6
|
Card Type |
Modem (asynchronous) |
|
Chipset |
Rockwell |
|
Maximum Data Rate |
33.6Kbps |
|
Maximum Fax Rate |
14.4Kbps |
|
Data Bus |
8-bit ISA |
|
Fax Class |
Class I & II |
|
Data Modulation |
Bell 103A/212A ITU-T V.21, V.22, V.22bis, V.23, V.32, V.32bis, V.34 Rockwell V.FC |
|
Fax Modulation |
ITU-T V.17, V.21CH2, V.27ter, V.29 |
|
Error Correction/Compression |
MNP5, V.42, V.42bis |

|
CONNECTIONS | |||
|
Function |
Label |
Function |
Label |
|
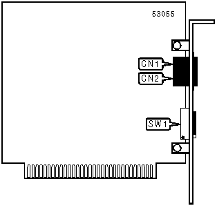
Line in |
CN1 |
Line out |
CN2 |
|
SERIAL PORT ADDRESS SELECTION | ||
|
Setting |
SW1/1 |
SW1/2 |
|
3F8h (COM1:) |
On |
On |
|
2F8h (COM2:) |
Off |
On |
|
3E8h (COM3:) |
On |
Off |
|
2E8h (COM4:) |
Off |
Off |
|
INTERRUPT SELECTION | ||||
|
Setting |
SW1/3 |
SW1/4 |
SW1/5 |
SW1/6 |
|
IRQ2 |
On |
Off |
Off |
Off |
|
IRQ3 |
Off |
On |
Off |
Off |
|
IRQ4 |
Off |
Off |
On |
Off |
|
IRQ5 |
Off |
Off |
Off |
On |
|
SUPPORTED STANDARD COMMANDS |
|
Basic AT Commands |
|
+++, ‘comma’, A/ |
|
A, B, D, E, H, L, M, N, O, P, Q, T, V, W, X, Y, Z |
|
&C, &D, &F, &G, &K, &P, &S, &T, &V, &W, &Y, &Z |
|
Extended AT Commands |
|
\A, \B, \K, \N |
|
%C, %E, %L, %Q |
|
Special AT Commands |
|
+MS |
|
S-Registers |
|
S0, S1, S2, S3, S4, S5, S6, S7, S8, S9, S10, S11, S12, S14, S16, S18, S21, S22, S23, S24, S25 |
|
S26, S27, S29, S30, S31, S32, S33, S36, S38, S39, S40, S41, S46, S48, S82, S86, S91, S92, S95 |
Note: See MHI documentation for complete information. |
|
UNIDENTIFIED COMMANDS | |
|
Command |
Default |
|
S37 |
0 |
Proprietary AT Command Set
|
DISPLAY INFORMATION | |
|
Type: |
Immediate |
|
Format: |
AT [cmds] In [cmds] |
|
Description: |
Displays information requested about the modem. |
|
Command |
Function |
|
I0 |
Reports product identification code. |
|
I1 |
Reports ROM checksum. |
|
I2 |
Tests and reports ROM checksum. |
|
I3 |
Reports firmware revision and model ID. |
|
I6 |
Reports data pump ID. |
|
PROTOCOL/SPEED | |
|
Type: |
Configuration |
|
Format: |
AT [cmds] Fn [cmds] |
|
Description: |
Selects the protocol and speed the modem will attempt to connect at. |
|
Command |
Function |
|
F0 |
Auto-detect the highest common connect speed. |
|
F1 |
Select V.21 or Bell 103 at 300bps speed. |
|
F3 |
Select V.23 at 75/1200bps speed. |
|
F4 |
Select V.22 or Bell 212A at 1200bps speed. |
|
F5 |
Select V.22bis at 2400bps speed. |
|
F6 |
Select V.32 or V.32bis at 4800bps speed. |
|
F7 |
Select V.32bis at 7200bps speed. |
|
F8 |
Select V.32bis or V.32 at 9600bps speed. |
|
F9 |
Select V.32bis at 12Kbps speed. |
|
F10 |
Select V.32bis at 14.4Kbps speed. |