SIIG, INC.
SI-1414RI
|
Modem Type |
Data (synchronous/asynchronous)/Fax |
|
Maximum Data Rate |
14.4Kbps |
|
Maximum Fax Rate |
14.4Kbps |
|
Data Bus |
Internal |
|
Fax Class |
Class I & II |
|
Data Modulation Protocol |
ITU-T V.22, V.22bis, V.23, V.32, V.32bis |
|
Fax Modulation Protocol |
ITU-T V.17, V.21CH2, V.27ter, V.29 |
|
Error Correction/Compression |
MNP5, V.42, V.42bis |

|
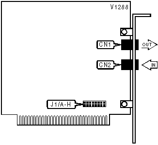
BASE I/O ADDRESS SELECTION |
|
Port |
J1/A |
J1/B |
J1/C |
| COM1: (3F8h) |
Open |
Open |
Open |
| COM2: (2F8h) |
Closed |
Open |
Open |
| COM3: (3E8h) |
Open |
Closed |
Open |
| » COM4: (2E8h) |
Closed |
Closed |
Open |
| COM5: (2F0h) |
Closed |
Open |
Closed |
| COM6: (3E0h) |
Open |
Closed |
Closed |
| COM7: (2E0h) |
Closed |
Closed |
Closed |
|
INTERRUPT SELECTION | |||||
|
IRQ |
J1/D |
J1/E |
J1/F |
J1/G |
J1/H |
|
3 |
Open |
Closed |
Open |
Open |
Open |
|
4 |
Open |
Open |
Closed |
Open |
Open |
|
5 |
Open |
Open |
Open |
Closed |
Open |
|
7 |
Open |
Open |
Open |
Open |
Closed |
|
9 |
Closed |
Open |
Open |
Open |
Open |
Proprietary AT Command Set
|
ACCEPT RELIABLE MODE | |
|
Type: |
Immediate |
|
Format: |
AT [cmds] \U |
|
Example: |
AT \U <CR> |
|
Description: |
Accepts remote modem’s request for reliable link. |
|
AUTO-RELIABLE FALLBACK CHARACTER | |
|
Type: |
Configuration |
|
Format: |
AT [cmds] %An [cmds] |
|
Example: |
AT%A20 <CR> |
|
Default: |
19 |
|
Range: |
0-127 |
|
Unit: |
ASCII |
|
Description: |
Sets the character used as the auto-reliable fallback character. %A0 will disable this function. |
|
BREAK SEND | |
|
Type: |
Configuration |
|
Format: |
AT [cmds] \Bn [cmds] |
|
Example: |
AT \B3 &W <CR> |
|
Range: |
1-9 |
|
Unit: |
.1 second |
|
Description: |
Sends break to modem. |
|
BREAK TYPE | |
|
Type: |
Configuration |
|
Format: |
AT [cmds] \Kn [cmds] |
|
Example: |
AT \K1 <CR> |
|
Description: |
Configures action of break signal. |
| Command |
Function |
| \K0 |
Online command mode enabled, send no break to remote modem. |
| \K1 |
Break sent to remote modem and buffered cleared. |
| \K2 |
Online command mode enabled, send no break to remote modem. |
| \K3 |
Send break to remote modem immediately. |
| \K4 |
Online command mode enabled, send no break to remote modem. |
| \K5 |
Send break with transmitted data. |
|
COMMUNICATIONS MODE | |
|
Type: |
Configuration |
|
Format: |
AT [cmds] &Mn [cmds] |
|
Example: |
AT &M0 &E1 <CR> |
|
Description: |
Selects communications mode. |
| Command |
Function |
| &M0 |
Asynchronous mode. |
| &M1 |
Synchronous connect mode and asynchronous off-line command mode. |
| &M2 |
Synchronous connect mode and asynchronous off-line command mode and set DTR high. |
| &M3 |
Synchronous connect mode. |
| » &M5 |
V.42 connection enabled. |
|
COMPRESSION | |
|
Type: |
Configuration |
|
Format: |
AT [cmds] %Cn [cmds] |
|
Example: |
AT *EC0 %C1 *AP0 <CR> |
|
Description: |
Selects data compression. |
|
Command |
Function |
| %C0 |
Data compression disabled. |
| » %C1 |
Data compression enabled. |
|
CONNECT MODE | |
|
Type: |
Configuration |
|
Format: |
AT [cmds] \Nn [cmds] |
|
Example: |
AT \N1 DT555-1212 <CR> |
|
Description: |
Sets connect mode. |
|
Command |
Function |
|
\N0 |
Normal mode. |
|
\N1 |
Direct mode. |
|
\N2 |
Reliable mode. |
|
\N3 |
Auto-reliable mode. |
|
\N4 |
V.42bis reliable mode with phase detection. |
|
\N5 |
V.42bis auto-reliable mode with phase detection. |
|
\N6 |
V.42 reliable mode without phase detection. |
|
\N7 |
V.42 auto-reliable mode without phase detection. |
|
CONVERT TO RELIABLE MODE | |
|
Type: |
Immediate |
|
Format: |
AT [cmds] \O [cmds] |
|
Example: |
AT \O <CR> |
|
Description: |
Initiates reliable mode link. |
|
ECHO DATA | |
|
Type: |
Configuration |
|
Format: |
AT [cmds] \En [cmds] |
|
Example: |
AT \E0 <CR> |
|
Description: |
Enables modem to echo received data. |
| Command |
Function |
| » \E0 |
Data echo disabled. |
| \E1 |
Data echo enabled. |
|
FLOW CONTROL TYPE | |
|
Type: |
Configuration |
|
Format: |
AT [cmds] &Kn [cmds] |
|
Example: |
AT *MF1 *DF1 &K5 <CR> |
|
Description: |
Sets type of flow control used by modem. |
| Command |
Function |
| &K0 |
Flow control disabled. |
| &K3 |
CTS/RTS flow control enabled. |
| » &K4 |
XON/XOFF flow control enabled. |
| &K5 |
XON/XOFF pass-through flow control enabled. |
|
FLOW CONTROL TYPE | |
|
Type: |
Configuration |
|
Format: |
AT [cmds] \Qn [cmds] |
|
Example: |
AT \Q0 A <CR> |
|
Description: |
Sets type of flow control used by modem. |
| Command |
Function |
| \Q0 |
Flow control disabled. |
| \Q1 |
XON/XOFF flow control enabled. |
| \Q2 |
CTS flow control enabled. |
| » \Q3 |
CTS/RTS flow control enabled. |
|
LOCK SERIAL PORT | |
|
Type: |
Configuration |
|
Format: |
AT [cmds] \Jn [cmds] |
|
Example: |
AT %L3 %B14 \J0<CR> |
|
Description: |
Sets operation of serial port speed. |
| Command |
Function |
| » \J0 |
Serial speed locked. |
| \J1 |
Serial speed follows connect speed. |
|
MAXIMUM BLOCK SIZE FOR TRANSMISSION | |
|
Type: |
Configuration |
|
Format: |
AT [cmds] \An [cmds] |
|
Example: |
AT \A3 %C1 <CR> |
|
Description: |
Sets the maximum transmittable block size. |
| Command |
Function |
| \A0 |
Maximum MNP block size is 64 characters. |
| \A1 |
Maximum MNP block size is 128 characters. |
| \A2 |
Maximum MNP block size is 192 characters. |
| » \A3 |
Maximum MNP block size is 256 characters. |
|
MNP EXTENDED RESULT CODES | |
|
Type: |
Configuration |
|
Format: |
AT [cmds] \Vn [cmds] |
|
Example: |
AT \V1 %C1 <CR> |
|
Description: |
Selects MNP extended result codes. |
| Command |
Function |
| \V0 |
MNP extended result codes disabled. |
| » \V1 |
MNP extended result codes enabled. |
|
V.42 EXTENDED RESULT CODES | |
|
Type: |
Configuration |
|
Format: |
AT [cmds] \Wn [cmds] |
|
Example: |
AT \W1 %C1 <CR> |
|
Description: |
Selects V.42 extended result codes. |
| Command |
Function |
| \W0 |
V.42 extended result codes disabled. |
| » \W1 |
V.42 extended result codes enabled. |
|
XON/XOFF PASS-THROUGH | |
|
Type: |
Configuration |
|
Format: |
AT [cmds] \Xn [cmds] |
|
Example: |
AT \X0 <CR> |
|
Description: |
Selects whether XON/XOFF signals are sent to remote modem. |
| Command |
Function |
| \X0 |
XON/XOFF signals trapped by local modem. |
| \X1 |
XON/XOFF passed through local modem. |