RAD DATA COMMUNICATIONS

FOM-400

Card Type

T1/E1 signal converter

Chipset

Unidentified

Topology

Peer-Peer

Wire Type

Fiber optic cable

T1/E1 Transfer Rate

1.544Mbps/2.048Mbps

T1/E1 Protocol

AMI, HDB3

Frame Type

Unidentified

Data Bus

Proprietary

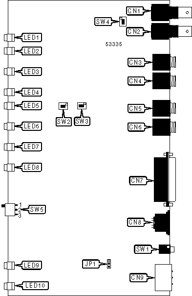
CONNECTIONS

Function

Label

Function

Label

T1/E1 line in

CN1

Primary fiber optic transmit connector

CN6

T1/E1 line out

CN2

Control port (see pinout below)

CN7

Secondary fiber optic receive connector

CN3

DC power in

CN8

Secondary fiber optic transmit connector

CN4

AC power in

CN9

Primary fiber optic receive connector

CN5

Power switch

SW1

CN7 PINOUT

Function

Pin

Function

Pin

Chassis ground

1

Primary/secondary fiber optic channel indicator signal

14

Not used

2

Not used

15

Not used

3

T1/E1 connection broken relay

16

T1/E1 connection broken signal

4

Not used

17

Not used

5

Not used

18

Not used

6

T1/E1 connection broken relay

19

Signal ground

7

Alarm condition signal

20

Not used

8

Not used

21

Not used

9

Primary/secondary fiber optic channel selection

22

Not used

10

Secondary fiber optic connection broken signal

23

Not used

11

Not used

24

Not used

12

Primary fiber optic connection broken signal

25

Not used

13

Not used

 

USER CONFIGURABLE SETTINGS

Setting

Label

Position

Signal ground connected to chassis ground

JP1

Pins 1 & 2 closed

Signal ground not connected to chassis ground

JP1

Pins 2 & 3 closed

Primary fiber optic channel set for short-range operation

SW2

On

Primary fiber optic channel set for long-range operation

SW2

Off

Secondary fiber optic channel set for short-range operation

SW3

On

Secondary fiber optic channel set for long-range operation

SW3

Off

T1/E1 interface set for 100ohm or 120ohm balanced cable

SW4

On

T1/E1 interface set for 75ohm unbalanced cable

SW4

Off

FIBER OPTIC CHANNEL SELECTION

Setting

SW5

»

Channel selected by control port

Position 2

 

Primary channel active

Position 1

 

Secondary channel active

Position 3

DIAGNOSTIC LED(S)

LED

Color

Status

Condition

LED1

Green

On

AC power source is connected at CN9

LED1

Green

Off

AC power source is not connected at CN9

LED2

Green

On

Backup DC power is connected to CN8

LED2

Green

Off

Backup DC power is not connected to CN8

LED3

Red

On

Internal power supply failed

LED3

Red

Off

Internal power supplies are good

LED4

Green

On

DSU is receiving data

LED4

Green

Off

DSU is not receiving data

LED5

Green

On

DSU is transmitting data

LED5

Green

Off

DSU is not transmitting data

LED6

Red

On

Fiber optic synchronization lost

LED6

Red

Off

Fiber optic synchronization good

LED7

Yellow

On

Primary fiber optic channel in use

LED7

Yellow

Off

Primary fiber optic channel not in use

LED8

Red

On

Primary fiber optic channel receive level less than -39dBm

LED8

Red

Off

Primary fiber optic channel receive level more than -39dBm

LED9

Yellow

On

Secondary fiber optic channel in use

LED9

Yellow

Off

Secondary fiber optic channel not in use

LED10

Red

On

Secondary fiber optic channel receive level less than -39dBm

LED10

Red

Off

Secondary fiber optic channel receive level more than -39dBm