MULTI-TECH SYSTEMS, INC.

MT1432MK-MAC, MT1432MU-MAC, MT1432MUI-MAC

Card Type

Modem (asynchronous)

Chipset

Multi-Tech Systems, Inc.

Maximum Data Rate

14.4Kbps

Maximum Fax Rate

14.4Kbps

Data Modulation

Bell 103A, 113, 212A

ITU-T V.21 (MT1432MUI only), V.22, V.22bis, V.23, V.32, V.32bis

Fax Modulation

ITU-T V.17, V.21CH2, V.27ter, V.29

Error Correction/Compression

MNP5, V.42, V.42bis

Fax Class

Class II

Data Bus

Serial

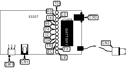
CONNECTIONS

Function

Label

Function

Label

9V DC power in

CN1

Telephone line out

CN3

Macintosh serial port

CN2

   

AUTO-ANSWER CONFIGURATION

Setting

SW1

Standby, wait for incoming call

Position 3

Off

Position 2

On

Position 1

DIAGNOSTIC LED(S)

LED

Color

Status

Condition

TD

Red

On

Modem is transmitting data

TD

Red

Off

Modem is not transmitting data

RD

Red

On

Modem is receiving data

RD

Red

Off

Modem is not receiving data

CD

Red

On

Carrier signal detected

CD

Red

Off

Carrier signal not detected

DIAGNOSTIC LED(S) (CON'T)

14 Status

Color

96 Status

Color

Condition

On

Red

On

Red

Modem connected at 12Kbps in V.32bis

Off

Red

On

Red

Modem connected at 9600bps

On

Red

Off

Red

Modem connected at 14.4Kbps

Off

Red

Off

Red

Modem connected at slower than 9600bps

LED

Color

Status

Condition

24

Red

On

Modem connected at 2400bps

24

Red

Off

Modem not connected at 2400bps

12

Red

On

Modem connected at 1200bps

12

Red

Off

Modem not connected at 1200bps

OH

Red

On

Modem is off-hook

OH

Red

Blinking

Modem is dialing in pulse mode

OH

Red

Off

Modem is on-hook

TR

Red

On

DTR signal is high

TR

Red

Off

DTR signal is low

EC

Red

On

Error correction enabled

EC

Red

Blinking

Data compression enabled

EC

Red

Off

Error correction disabled

FX

Red

On

Modem is connected in FAX mode

FX

Red

Off

Modem is not connected in FAX mode

LB

Red

On

Battery is low (approx. 10 minutes left)

LB

Red

Off

Battery is good

SUPPORTED STANDARD COMMANDS

Basic AT Commands

+++, A/

A, B, D, E, H, M, O, P, T, V, X, Y, Z

&D, &G, &P, &T

S-Registers

S0, S1, S2, S3, S4, S5, S6, S7, S8, S9, S10, S11, S25, S30

Note: See MHI help file for complete information.

Proprietary AT Command Set

See MULTI-TECH SYSTEMS, INC. MT1432MU for a full command summary.