MOTOROLA, INC.
212A/D
|
Card Type |
Modem (synchronous/asynchronous) |
|
Chip Set |
Unidentified |
|
Maximum Data Rate |
1200bps |
|
Data Bus |
External |
|
Data Modulation Protocol |
Bell 212A |

|
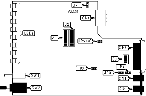
CONNECTIONS | ||||||
|
Function |
Label |
Function |
Label | |||
|
Line out |
CN1 |
AC power in |
CN4 | |||
|
Line in |
CN2 |
Talk/data switch |
SW1 | |||
|
RS-232/422 |
CN3 |
300/1200bps switch |
SW2 | |||
|
USER CONFIGURABLE SETTINGS | ||
|
Setting |
Label |
Position |
|
í Chassis ground connected to signal ground |
JP1 |
Pins 2 & 3 closed |
|
Chassis ground not connected to signal ground |
JP1 |
Pins 1 & 2 closed |
|
í Transmit level set to -9 (permissive) |
JP2 |
Pins 2 & 3 closed |
|
Transmit level set to programmable |
JP2 |
Pins 1 & 2 closed |
|
í Factory configured - do not alter |
S1/1 |
N/A |
|
í Automatic Call Unit returns verbose result codes |
S1/2 |
Off |
|
Automatic Call Unit returns numeric result codes |
S1/2 |
On |
|
í Automatic Call Unit enabled |
S1/7 |
On |
|
Automatic Call Unit disabled |
S1/7 |
Off |
|
í XXXT<CR> escape sequence enabled |
S1/8 |
On |
|
XXXT <CR> escape sequence disabled |
S1/8 |
Off |
|
í Modem operates in originate mode when forced to manual |
S2/1 |
Off |
|
Modem operates in answer mode when forced to manual |
S2/1 |
On |
|
í Switched-line mode |
S2/2 |
Off |
|
Leased-line mode |
S2/2 |
On |
|
í Disconnect modem on receipt of a long space |
S2/3 |
On |
|
Do not disconnect modem on receipt of a long space |
S2/3 |
Off |
|
í Transmit long space on disconnect |
S2/4 |
On |
|
Do not transmit long space on disconnect |
S2/4 |
Off |
|
í Auto-answer enabled |
S2/5 |
On |
|
Auto-answer disabled |
S2/5 |
Off |
|
í Disconnect on loss of carrier |
S2/6 |
On |
|
Disconnect after 18s loss of carrier |
S2/6 |
Off |
|
í Disconnect modem on low DTR |
S2/7 |
On |
|
Do not disconnect modem on low DTR |
S2/7 |
Off |
|
í Line will not be set busy during test modes |
S2/8 |
Off |
|
Line will be set busy during test modes |
S2/8 |
On |
|
í DTR normal |
S3/1 |
Off |
|
DTR forced high |
S3/1 |
On |
|
í Pin 23 of RS-232 port ignored |
S3/2 |
Off |
|
Speed set to 1200bps when pin 23 of RS-232 port is high |
S3/2 |
On |
|
í Pin 25 of RS-232 port ignored |
S3/3 |
Off |
|
Analog loopback test performed when pin 25 of RS-232 port is high |
S3/3 |
On |
|
í Pin 12 of RS-232 port has no function |
S3/4 |
Off |
|
Pin 12 of RS-232 port high indicates speed set to 1200bps |
S3/4 |
On |
|
HANDSET POLARITY | ||
|
Setting |
JP3 |
JP4 |
|
í Normal |
Pins 2 & 3 closed |
Pins 2 & 3 closed |
|
Reversed |
Pins 1 & 2 closed |
Pins 1 & 2 closed |
|
RECEIVED CD SIGNAL | ||
|
Setting |
S1/3 |
S1/4 |
|
Forced low |
Off |
Off |
|
Forced high |
Off |
On |
|
Low when idle |
On |
Off |
|
RESET TO FACTORY DEFAULTS | ||
|
Setting |
S1/3 |
S1/4 |
|
í Normal operation |
See above table |
See above table |
|
Reset configuration |
On |
On |
|
DATA FORMAT | ||
|
Setting |
S1/5 |
S1/6 |
|
9-bit characters, async mode |
Off |
Off |
|
í 10-bit characters, async mode |
Off |
On |
|
11-bit characters, async mode |
On |
Off |
|
Synchronous mode |
On |
On |
|
CLOCK SOURCE | |||
|
Setting |
JP6/A |
JP6/B |
JP6/C |
|
Slave |
Open |
Open |
Closed |
|
Internal |
Open |
Closed |
Open |
|
External |
Closed |
Open |
Open |
|
DIAGNOSTIC LED(S) |
The functions of the LEDs are unidentified. |