MOTOROLA, INC.

212A

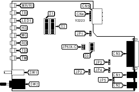
Card Type

Modem (synchronous/asynchronous)

Chip Set

Unidentified

Maximum Data Rate

1200bps

Data Bus

External

Data Modulation Protocol

Bell 212A

CONNECTIONS

Function

Label

Function

Label

Line out

CN1

AC power in

CN5

Line in

CN2

Talk/data switch

SW1

RS-232/422

CN3

300/1200bps switch

SW2

Unidentified

CN4

   

USER CONFIGURABLE SETTINGS

Setting

Label

Position

í Chassis ground connected to signal ground

JP1

Pins 2 & 3 closed

Chassis ground not connected to signal ground

JP1

Pins 1 & 2 closed

í Transmit level set to -9 (permissive)

JP2

Pins 1 & 2 closed

Transmit level set to programmable

JP2

Pins 2 & 3 closed

í Factory configured - do not alter

JP5

Pins 2 & 3 closed

í Modem operates in originate mode when forced to manual

S1/1

Off

Modem operates in answer mode when forced to manual

S1/1

On

í Modem auto-detects answer/originate mode

S1/2

Off

Manual answer/originate mode

S1/2

On

í Line will not be set busy during test modes

S1/3

Off

Line will be set busy during test modes

S1/3

On

í Disconnect after 150ms loss of carrier

S1/4

On

Disconnect after 18s loss of carrier

S1/4

Off

í Auto-answer enabled

S1/5

On

Auto-answer disabled

S1/5

Off

í Disconnect modem on low DTR

S1/6

On

Do not disconnect modem on low DTR

S1/6

Off

í Disconnect modem on receipt of a long space

S1/7

On

Do not disconnect modem on receipt of a long space

S1/7

Off

í Switched-line mode

S1/8

Off

Leased-line mode

S1/8

On

í DTR normal

S2/1

Off

DTR used for off/on hook in manual answer/originate

S2/1

On

í Factory configured - do not alter

S2/2

N/A

í Factory configured - do not alter

S2/3

N/A

í Factory configured - do not alter

S2/4

N/A

í Factory configured - do not alter

S2/5

N/A

í Factory configured - do not alter

S2/6

N/A

í DTR normal

S3/1

Off

DTR forced high

S3/1

On

í Pin 23 of RS-232 port ignored

S3/2

Off

Speed set to 1200bps when pin 23 of RS-232 port is high

S3/2

On

í Pin 12 of RS-232 port has no function

S3/3

Off

Pin 12 of RS-232 port high indicates speed set to 1200bps

S3/3

On

í Analog loopback test performed when pin 25 of RS-232 port is high

S3/4

On

Pin 25 of RS-232 port ignored

S3/4

Off

HANDSET POLARITY

Setting

JP3

JP4

í Normal

Pins 1 & 2 closed

Pins 1 & 2 closed

Reversed

Pins 2 & 3 closed

Pins 2 & 3 closed

DATA FORMAT

Setting

S2/7

S2/8

9-bit characters, async mode

Off

Off

10-bit characters, async mode

Off

On

í 11-bit characters, async mode

On

Off

Synchronous mode

On

On

CLOCK SOURCE

Setting

JP6/A

JP6/B

JP6/C

Slave

Open

Open

Closed

Internal

Open

Closed

Open

External

Closed

Open

Open

DIAGNOSTIC LED(S)

LED

Color

Status

Condition

MR/RI

Red

On

Power is on

MR/RI

Red

Off

Power is off

MR/RI

Red

Blinking

Phone is ringing

TR

Red

On

DTR signal is high

TR

Red

Off

DTR signal is low

HS

Red

On

Modem is operating at 1200bps

HS

Red

Off

Modem is operating at 300bps

RD

Red

On

Modem is receiving data

RD

Red

Off

Modem is not receiving data

TD

Red

On

Modem is transmitting data

TD

Red

Off

Modem is not transmitting data

TM

Red

On

Modem is in test mode

TM

Red

Off

Modem is not in test mode

Note: The functions of MC and LED1 are unidentified.