MOTOROLA, INC.

MODEMSURFR 28800 INTERNAL

Card Type

Modem (asynchronous)/Fax

Chip Set

Unidentified

Maximum Data Rate

28.8Kbps

Maximum Fax Rate

14.4Kbps

Data Bus

8-bit ISA

Fax Class

Class I & II

Data Modulation Protocol

Bell 103A/212A

ITU-T V.21, V.22, V.22bis, V.23, V.32, V.32bis, V.34

Fax Modulation Protocol

ITU-T V.17, V.21CH2, V.27ter, V.29

Error Correction/Compression

MNP5, V.42, V.42bis

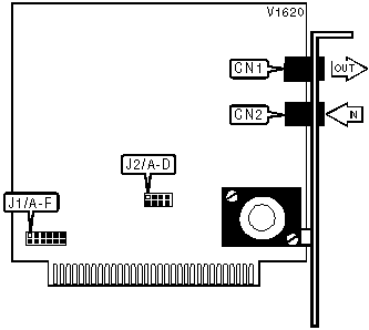
CONNECTIONS

Function

Label

Function

Label

Line out

CN1

Line in

CN2

SERIAL PORT ADDRESS

Setting

J1/A

J1/B

COM1 (3F8h)

Closed

Closed

COM2 (2F8h)

Closed

Open

í COM3 (3E8h)

Open

Closed

COM4 (2E8h)

Open

Open

INTERRUPT

Setting

J1/C

J1/D

J1/E

J1/F

2

Closed

Open

Open

Open

3

Open

Open

Closed

Open

4

Open

Open

Open

Closed

í 5

Open

Closed

Open

Open

PLUG AND PLAY

Setting

J2/A

J2/B

J2/C

J2/D

í Disabled

Closed

Closed

Open

Open

Enabled

Open

Open

Closed

Closed

Proprietary AT Command Set

AUTO-RELIABLE FALLBACK CHARACTER

Type:

Configuration

Format:

AT [cmds] %An [cmds]

Default:

Unidentified

Range:

1-127

Unit:

ASCII

Description:

Sets the character used as the auto-reliable fallback character

Note: %A0 Auto-reliable fallback character disabled

AUTO-RELIABLE TIME BUFFER CONFIGURATION

Type:

Configuration

Format:

AT [cmds] \Cn [cmds]

Description:

Controls the handling of incoming data during auto-reliable time period

Command

Function

í \CO

Disabled auto-reliable buffer

\C1

Data is buffered for 4 seconds or 200 characters

\C2

Switch to normal mode and sends auto-reliable character to serial port

AUTO FALL FORWARD/FALLBACK

Type:

Configuration

Format:

AT [cmds] %Gn [cmds]

Description:

Selects auto fallback/fall forward

Command

Function

í %G0

Fallback/fall forward disabled

%G1

Fallback/fall forward enabled

AUTO FALLBACK CHARACTER

Type:

Register

Format:

AT [cmds] S43=n [cmds]

Default:

13

Range:

0-127

Unit:

ASCII

Description:

Set auto fallback character during MNP negotiation

Note: S43=0 disabled S43=(1-127) enabled

COMPRESSION

Type:

Configuration

Format:

AT [cmds] %Cn [cmds]

Description:

Selects data compression

Command

Function

%C0

Data compression disabled

í %C1

Data compression enabled

CONNECT MODE

Type:

Configuration

Format:

AT [cmds] \Nn [cmds]

Description:

Sets connect mode

Command

Function

\N0

Normal mode enabled

\N1

Direct mode enabled

\N2

MNP reliable mode enabled

í \N3

LAPM, MNP, or normal mode enabled

\N4

LAPM or MNP mode enabled

DISPLAY CONNECT MESSAGE

Type

Register

Format

AT [cmds] S41? [cmds]

Description

Displays connect message

Command

Function

í S41=0

CONNECT/DTE to modem speed enabled

S41=1

CONNECT/carrier, protocol, and compression enabled

S41=2

CONNECT/modem to modem speed enabled

FLOW CONTROL

Type:

Configuration

Format:

AT [cmds] \Gn [cmds]

Description:

Selects modem port flow control

Command

Function

í \G0

Flow control disabled

\G1

Flow control enabled

FLOW CONTROL TYPE

Type:

Configuration

Format:

AT [cmds] \Qn [cmds]

Description:

Sets type of flow control used by modem

Command

Function

\Q0

Flow control disabled

\Q1

XON/XOFF flow control enabled

\Q2

CTS flow control by DTE enabled

í \Q3

CTS/RTS flow control enabled

INACTIVITY TIMER

Type:

Configuration

Format:

AT [cmds] \Tn [cmds]

Default:

0

Range:

0-90

Unit:

1 minute

Description:

Sets the length of time that the modem does not receive information before it disconnects

LOCK SERIAL PORT

Type:

Configuration

Format:

AT [cmds] \Jn [cmds]

Description:

Sets operation of serial port speed

Command

Function

í \J0

Serial speed locked

\J1

Serial speed follows connect speed

MAXIMUM BLOCK SIZE FOR TRANSMISSION

Type:

Configuration

Format:

AT [cmds] \An [cmds]

Description:

Sets the maximum transmittable block size

Command

Function

\A0

MNP block size is 64 characters

\A1

MNP block size is 128 characters

\A2

MNP block size is 192 characters

í \A3

MNP block size is 256 characters

EXTENDED RESULT CODES

Type:

Configuration

Format:

AT [cmds] \Vn [cmds]

Description:

Selects extended result codes

Command

Function

í \V0

Extended result codes disabled

\V1

Extended result codes enabled

V.32 RETRAIN

Type:

Register

Format:

AT [cmds] S42=n [cmds]

Description:

Selects action the modem will take during bad line quality on V.32/32bis connection

Command

Function

S42=0

Auto-retrain disabled, hang up

í S42=1

Auto-retrain on line quality problem enabled

S42=2

Modem ignores line quality problems

S42=3

Unidentified

V.42 DETECTION PHASE

Type:

Configuration

Format:

AT [cmds] -Jn [cmds]

Description:

Controls V.42 detection

Command

Function

-J0

V.42 detection disabled

í -J1

V.42 detection enabled

V.42bis COMPRESSION CONTROL

Type:

Configuration

Format:

AT [cmds] "Hn [cmds]

Description:

Controls V.42bis data compression

Command

Function

"H0

V.42bis disabled

"H1

V.42bis when transmitting enabled

"H2

V.42bis when receiving enabled

í "H3

V.42bis when transmitting/receiving enabled

XON/XOFF PASS-THROUGH

Type:

Configuration

Format:

AT [cmds] \Xn [cmds]

Description:

Selects whether XON/XOFF signals are sent to remote modem

Command

Function

í \X0

XON/XOFF signals trapped by local modem

\X1

XON/XOFF passed through local modem