IBM CORPORATION
14.4KBPS DATA/FAX MODEM INTERNAL ISA
|
Card Type |
Fax, Modem (asynchronous) |
|
Chip Set |
Unidentified |
|
Maximum Data Rate |
14.4Kbps |
|
Maximum Fax Rate |
14.4Kbps |
|
Data Bus |
8-bit ISA |
|
Fax Class |
Class I & II |
|
Data Modulation Protocol |
Bell 103/212A ITU-T V.21, V.22, V.22bis, V.32, V.32bis |
|
Fax Modulation Protocol |
ITU-T V.17, V.21, V.27ter, V.29 |
|
Error Correction/Compression |
MNP5, V.42, V.42bis |

|
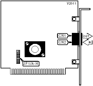
CONNECTIONS | ||||||
|
Function |
Label |
Function |
Label | |||
|
Line out |
CN1 |
Line in |
CN2 | |||
|
SERIAL PORT ADDRESS | ||||
|
Setting |
JP1/A |
JP1/B |
JP1/C |
JP1/D |
|
COM1 (3F8h) |
Closed |
Open |
Open |
Open |
|
COM2 (2F8h) |
Open |
Closed |
Open |
Open |
|
COM3 (3E8h) |
Open |
Open |
Closed |
Open |
|
COM4 (2E8h) |
Open |
Open |
Open |
Closed |
|
INTERRUPT SELECTION | ||||
|
Setting |
JP1/E |
JP1/F |
JP1/G |
JP1/H |
|
3 |
Closed |
Open |
Open |
Open |
|
4 |
Open |
Closed |
Open |
Open |
|
5 |
Open |
Open |
Closed |
Open |
|
7 |
Open |
Open |
Open |
Closed |
Proprietary AT Command Set
|
AUTO-RETRAIN - AUTO-FALLBACK/FALL-FORWARD | |
|
Type: |
Configuration |
|
Format: |
AT [cmds] %En [cmds] |
|
Description: |
Controls auto-retrain mode and fallback/fall-forward |
|
Command |
Function |
|
%E0 |
Auto-retrain disabled |
|
í %E1 |
Auto-retrain enabled |
|
%E2 |
Auto-fallback/fall-forward enabled |
|
BIT-MAPPED REGISTER S14 | ||
|
Format: |
AT [cmds] S14=n [cmds] | |
|
Default: |
138 | |
|
Range: |
0-174 | |
|
Unit: |
Bit-mapped | |
|
Description: |
Controls echo, result codes and display, dial mode, and answer/originate mode. | |
|
Bit |
Value |
Function |
|
0 |
í 0 |
Not used |
|
1 |
0 í 1 |
Command echo disabled Command echo enabled |
|
2 |
í 01 |
Result codes enabled Result codes disabled |
|
3 |
0 í 1 |
Display result codes in numeric format Display result codes in verbose format |
|
4 |
í 0 |
Not used |
|
5 |
í 01 |
Tone dial enabled Pulse dial enabled |
|
6 |
í 0 |
Not used |
|
7 |
0 í 1 |
Answer mode enabled Originate mode enabled |
|
BIT-MAPPED REGISTER S21 | ||
|
Format |
AT [cmds] S21=n [cmds] | |
|
Default: |
52 | |
|
Range: |
0-253 | |
|
Unit: |
Bit-mapped | |
|
Description: |
Selects jack type, CTS/DCD/DSR signals, low DTR action, and the long space disconnect function. | |
|
Bit |
Value |
Function |
|
0 |
í 01 |
Selects RJ-11, RJ-41S, or RJ45S jack Selects RJ-12 or RJ-13 jack |
|
1 |
0 |
Not used |
|
2 |
0 í 1 |
CTS follows RTS CTS forced high |
|
4, 3 |
00 01 í 1011 |
DTR signal ignored Modem goes to command mode on low DTR Modem disconnects on low DTR; Auto-Answer is disabled. Modem is initialized on low DTR |
|
5 |
0 í 1 |
DCD forced high DCD normal |
|
6 |
í 01 |
DSR forced high DSR normal |
|
7 |
í 01 |
Long space disconnect function disabled Long space disconnect function enabled |
|
BIT-MAPPED REGISTER S22 | ||
|
Format |
AT [cmds] S22=n [cmds] | |
|
Default: |
117 | |
|
Range: |
0-127 | |
|
Unit: |
Bit-mapped | |
|
Description: |
Controls speaker volume and controls, and limits results codes. | |
|
Bit |
Value |
Function |
|
1, 0 |
00 í 0110 11 |
Off volume Low level volume Medium level volume High level volume |
|
3, 2 |
00 í 0110 11 |
Speaker off Speaker off on carrier Speaker always on Speaker on during handshake |
|
6 - 4 |
000 100 101 110 í 111 |
Basic result codes only enabled Basic and connection speed result codes enabled Basic and connection speed result codes and dialtone detection enabled All result codes except dialtone detection enabled All result codes enabled |
|
BIT-MAPPED REGISTER S23 | ||
|
Format |
AT [cmds] S23=n [cmds] | |
|
Default: |
Unidentified | |
|
Range: |
0-189 | |
|
Unit: |
Bit-mapped | |
|
Description: |
Grants/denies remote digital loopback, controls DTE rate and parity, and sets guard tone. | |
|
Bit |
Value |
Function |
|
0 |
0 í 1 |
Remote digital loopback denied Remote digital loopback allowed |
|
3 - 1 |
000 001 010 011 100 101 110 |
Sets serial port speed to 0-300bps Sets serial port speed to 600bps Sets serial port speed to 1200bps Sets serial port speed to 2400bps Sets serial port speed to 4800bps Sets serial port speed to 9600bps Sets serial port speed to 19200bps |
|
5, 4 |
00 01 10 11 |
Parity even Not used Parity odd No Parity |
|
7, 6 |
í 0001 10 |
Guard tone disabled Guard tone disabled Guard tone 1800Hz enabled |
|
BIT-MAPPED REGISTER S27 | ||
|
Format |
AT [cmds] S27=n [cmds] | |
|
Default: |
64 | |
|
Range: |
0-116 | |
|
Unit: |
Bit-mapped | |
|
Description: |
Selects line type, clock source, and ITU-T/Bell modes. | |
|
Bit |
Value |
Function |
|
3, 1, 0 |
000 |
Not used |
|
2 |
í 01 |
Switched line Leased line |
|
5, 4 |
í 0001 10 |
Local modem generates transmit clock source Local DTE generates transmit clock source Remote DCE/DTE generates transmit clock source |
|
6 |
0 í 1 |
ITU/T mode Bell mode |
|
BIT-MAPPED REGISTER S28 | ||
|
Format |
AT [cmds] S28=n [cmds] | |
|
Default: |
0 | |
|
Range: |
0-31 | |
|
Unit: |
Bit-mapped | |
|
Description: |
Controls V.23 split speed, transmit/receive speed, half duplex, and pulse dialing. | |
|
Bit |
Value |
Function |
|
0 |
í 01 |
V.23 split speed operation disabled V.23 split speed operation enabled |
|
1 |
í 01 |
75bps transmit, 1200bps receive enabled 1200bps transmit, 75bps receive enabled |
|
2 |
í 01 |
V.23 half-duplex disabled V.23 half-duplex enabled |
|
4, 3 |
í 0001 10 11 |
39ms make/61ms break at 10pps 33ms make/67ms break at 10pps 39ms make/61ms break at 20pps 33ms make/67ms break at 20pps |
|
BIT-MAPPED REGISTER S31 | |||
|
Format: |
AT [cmds] S31=n [cmds] | ||
|
Default: |
2 | ||
|
Range: |
0-10 | ||
|
Description: |
Select automode and extended result code format. | ||
|
Bit |
Value |
Function | |
|
0 |
í 0 |
Not used | |
|
1 |
0 í 1 |
Auto-mode detection disabled In originate mode, handshake begins at line speed designated by the S37 register. Modem can shift to a slower speed if necessary. In answer mode, handshake attempted with the following protocols in order - V.32bis, V.32, V.22bis, V.22 or Bell 212, V.21, and Bell 103 | |
|
3, 2 |
í 0001 10 |
Enables CONNECT result codes to report DTE speed Full reporting of CONNECT result codes Enables CONNECT result codes to report DCE speed | |
|
BIT-MAPPED REGISTER S40 | ||
|
Format |
AT [cmds] S40=n [cmds] | |
|
Default: |
105 | |
|
Range: |
0-239 | |
|
Unit: |
Bit-mapped | |
|
Description: |
Controls power level and break handling, selects MNP extended services, link negotiation, and block size. | |
|
Bit |
Value |
Function |
|
0 |
0 í 1 |
MNP disabled MNP enabled |
|
1 |
í 01 |
Power level adjustment enabled Power level adjustment disabled |
|
2 |
í 01 |
Link will be negotiated at highest possible speed Link will be negotiated at 1200bps |
|
5, 4, 3 |
000 001 010 011 100 í 101 |
\K0 \K1 \K2 \K3 \K4 \K5 |
|
7, 6 |
00 í 0110 11 |
MNP block size is 64 characters MNP block size is 128 characters MNP block size is 192 characters MNP block size is 256 characters |
|
BIT-MAPPED REGISTER S41 | ||
|
Format |
AT [cmds] S41=n [cmds] | |
|
Default: |
7 | |
|
Range: |
0-31 | |
|
Unit: |
Bit-mapped | |
|
Description: |
Selects compression, auto-retrain, flow control, and MNP mode. | |
|
Bit |
Value |
Function |
|
1 - 0 |
00 01 10 í 11 |
Data compression disabled MNP5 enabled V.42bis enabled MNP5 and V.42bis enabled |
|
2 |
0 í 1 |
Auto-retrain disabled Auto-retrain enabled |
|
3 |
í 01 |
Flow control disabled Flow control enabled |
|
4 |
í 01 |
Stream mode for MNP Block mode for MNP |
|
BREAK SEND | |
|
Type: |
Configuration |
|
Format: |
AT [cmds] \Bn [cmds] |
|
Default: |
3 |
|
Range: |
1-9 |
|
Unit: |
.1 second |
|
Description: |
Sends break to modem |
|
BREAK TYPE | ||||
|
Type: |
Configuration | |||
|
Format: |
AT [cmds] \Kn [cmds] | |||
|
Description: |
Configures action of break signal | |||
|
Command |
Break from DTE while in Normal or MNP mode |
Break from DTE while in Direct mode |
Break received from remote modem | |
|
\K0 |
On-line command mode enabled, send no break to remote modem |
On-line command mode enabled, send no break to remote modem |
Buffers cleared, break sent to DTE | |
|
\K1 |
Break sent to remote modem and buffers cleared |
On-line command mode enabled, send no break to remote modem |
Buffers cleared, break sent to DTE | |
|
\K2 |
On-line command mode enabled, send no break to remote modem |
Send break to remote modem immediately |
Break sent immediately to DTE | |
|
\K3 |
Send break to remote modem immediately |
On-line command mode enabled, send no break to remote modem |
Break sent immediately to DTE | |
|
\K4 |
On-line command mode enabled, send no break to remote modem |
Send break to remote modem immediately |
Break sent with received data to the DTE | |
|
î \K5 |
Send break with transmitted data |
Send break to remote modem immediately |
Break sent with received data to the DTE | |
|
COMPRESSION | |
|
Type: |
Configuration |
|
Format: |
AT [cmds] %Cn [cmds] |
|
Description: |
Selects data compression |
|
Command |
Function |
|
%C0 |
Data compression disabled |
|
%C1 |
Not used |
|
%C2 |
V.42bis enabled |
|
í %C3 |
MNP5 and V.42bis enabled |
|
CONNECT MODE | |
|
Type: |
Configuration |
|
Format: |
AT [cmds] \Nn [cmds] |
|
Description: |
Controls the type of connection the modem will operate in |
|
Command |
Function |
|
\N0 |
Normal mode enabled |
|
í \N1 |
Direct mode enabled |
|
\N2 |
Reliable mode enabled |
|
\N3 |
Auto-reliable mode enabled |
|
\N4 |
V.42 reliable mode enabled |
|
\N5 |
MNP reliable mode enabled |
|
DIAL | |
|
Type: |
Immediate |
|
Format: |
AT [cmds] D<#> [cmds] |
|
Description: |
Dials telephone number according to any modifiers included in the string |
|
Note: |
Any combination of modifiers can be used to produce the desired dial functions in sequence. |
|
Modifier |
Function |
|
L |
Re-dial last number |
|
í P |
Pulse dialing enabled |
|
S=n |
Dial stored telephone number n |
|
T |
Tone dialing enabled |
|
W |
Dialing resumed following dial tone detection |
|
, |
Dialing paused for amount of time specified in S8 register |
|
! |
Flash function initiated |
|
@ |
Wait for quiet answer enabled |
|
; |
Modem returned to command state after dialing |
|
^ |
Calling tone disabled |
|
FLOW CONTROL | |
|
Type: |
Configuration |
|
Format: |
AT [cmds] \Gn [cmds] |
|
Description: |
Selects modem port flow control |
|
Command |
Function |
|
í \G0 |
Flow control disabled |
|
\G1 |
Flow control enabled |
|
FLOW CONTROL | |
|
Type: |
Register |
|
Format |
AT [cmds] S39? [cmds] |
|
Description: |
Displays the current flow control |
|
Value |
Meaning |
|
0 |
Flow control disabled |
|
í 3 |
RTS/CTS flow control enabled |
|
4 |
XON/XOFF flow control enabled |
|
5 |
Transparent XON/XOFF flow control enabled |
|
FLOW CONTROL CHARACTER - XOFF | |
|
Type: |
Register |
|
Format: |
AT [cmds] S33=n [cmds] |
|
Default: |
19 |
|
Range: |
0-255 |
|
Unit: |
ASCII |
|
Description: |
Sets the character used to represent XOFF |
|
FLOW CONTROL CHARACTER - XON | |
|
Type: |
Register |
|
Format: |
AT [cmds] S32=n [cmds] |
|
Default: |
17 |
|
Range: |
0-255 |
|
Unit: |
ASCII |
|
Description: |
Sets the character used to represent XON |
|
INACTIVITY TIMER | |
|
Type: |
Configuration |
|
Format: |
AT [cmds] \Tn [cmds] |
|
Default: |
0 |
|
Range: |
0-42 |
|
Unit: |
1 minute |
|
Description: |
Sets the length of time that the modem does not receive information before it disconnects. |
|
LINE SIGNAL LEVEL | |
|
Type: |
Immediate |
|
Format: |
AT [cmds] %L [cmds] |
|
Default: |
Unidentified |
|
Range: |
9-43 |
|
Unit: |
-dBm |
|
Description: |
Returns a value which indicates the received line signal level |
|
LINE SIGNAL QUALITY | ||
|
Type: |
Immediate | |
|
Format: |
AT [cmds] %Q [cmds] | |
|
Description: |
Returns a value which indicates line signal quality | |
|
Value |
Meaning | |
|
0 - 7 |
Auto-retrain disabled | |
|
8 - 255 |
Auto-retrain enabled | |
|
MAXIMUM BLOCK SIZE FOR TRANSMISSION | |
|
Type: |
Configuration |
|
Format: |
AT [cmds] \An [cmds] |
|
Description: |
Sets the maximum transmittable block size |
|
Command |
Function |
|
\A0 |
MNP block size is 64 characters |
|
í \A1 |
MNP block size is 128 characters |
|
\A2 |
MNP block size is 192 characters |
|
\A3 |
MNP block size is 256 characters |
|
MNP - STREAM/BLOCK MODE | |
|
Type: |
Configuration |
|
Format: |
AT [cmds] \Ln [cmds] |
|
Description: |
Selects the transfer mode for MNP link |
|
Command |
Function |
|
í \L0 |
Stream mode for MNP enabled |
|
\L1 |
Block mode for MNP enabled |
|
MNP - LINK NEGOTIATION | |
|
Type: |
Configuration |
|
Format: |
AT [cmds] *Hn [cmds] |
|
Description: |
Sets the speed at which an MNP link negotiation will occur |
|
Command |
Function |
|
í *H0 |
Link will be negotiated at highest possible speed |
|
*H1 |
Link will be negotiated at 1200bps |
|
REPORT INFORMATION | |
|
Type: |
Immediate |
|
Format: |
AT [cmds] In [cmds] |
|
Description: |
Displays information requested |
|
Command |
Function |
|
I0 |
Reports product identification code |
|
I1 |
Reports ROM checksum as OK or ERROR |
|
I2 |
Tests and reports ROM checksum |
|
I3 |
Reports firmware revision level |
|
I4 |
Reports OEM-defined identifier string |
|
I5 |
Reports country code |
|
I6 |
Reports Modem data pump model |
|
SLEEP TIMER | |
|
Type: |
Register |
|
Format |
AT [cmds] S24=n [cmds] |
|
Default: |
0 |
|
Range: |
0-255 |
|
Unit: |
1 second |
|
Description: |
Maximum duration of DTE and DCE inactivity allowed prior to initiating low-power sleep mode. |
|
SPLIT-SPEED CONTROL | |
|
Type: |
Configuration |
|
Format: |
AT [cmds] \Wn [cmds] |
|
Description: |
Controls split-speed mode |
|
Command |
Function |
|
í \W0 |
V.23 split-speed mode disabled |
|
\W1 |
V.23 split-speed mode enabled |
|
SPLIT-SPEED MODE | ||
|
Type: |
Configuration | |
|
Format: |
AT [cmds] %Fn [cmds] | |
|
Description: |
Controls split-speed direction | |
|
Command |
Function | |
|
%F0 |
Not used | |
|
%F1 |
75bps transmit, 1200bps receive | |
|
í %F2 |
1200bps transmit, 75bps receive; when AT\W1 is set. | |
|
SWITCH TO NORMAL MODE | |
|
Type: |
Immediate |
|
Format: |
AT [cmds] \Z [cmds] |
|
Description: |
Switches to normal mode from MNP mode |
|
TEST MODES | ||
|
Type: |
Register | |
|
Format: |
AT [cmds] S16=n [cmds] | |
|
Default: |
0 | |
|
Range: |
0-125 | |
|
Unit: |
Bit-mapped | |
|
Description: |
Controls loopback tests: analog, digital, remote digital, and self tests. | |
|
Bit |
Value |
Function |
|
0 |
í 01 |
Local analog loopback not in progress Local analog loopback in progress |
|
1 |
í 0 |
Not used |
|
2 |
í 01 |
Local digital loopback not in progress Local digital loopback in progress |
|
3 |
í 01 |
Modem not in remote digital loopback Remote digital loopback in progress |
|
4 |
í 01 |
Remote digital loopback not requested Remote digital loopback requested |
|
5 |
í 01 |
Remote digital loopback w/ error count not in progress Remote digital loopback w/ error count in progress |
|
6 |
í 01 |
Local analog loopback w/ self-test not in progress Local analog loopback w/ self-test in progress |
|
TRANSMISSION LEVEL - PSTN | |
|
Type |
Register |
|
Format |
AT [cmds] S91=n [cmds] |
|
Default |
10 |
|
Range |
0-15 |
|
Unit |
-1 dBm |
|
Description |
Sets the signal level for transmission over switched phone lines |