CREATIX POLYMEDIA
UMC 14.4/VOICE (EXTERNAL)
|
Card Type |
Modem (synchronous/asynchronous) |
|
Chip Set |
UMC |
|
I/O Options |
Voice |
|
Maximum Data Rate |
14.4Kbps |
|
Maximum Fax Rate |
14.4Kbps |
|
Data Bus |
External |
|
Fax Class |
Class I & II |
|
Data Modulation Protocol |
Bell 103A/212A ITU-T V.21, V.22, V.22bis, V.23, V.32, V.32bis |
|
Fax Modulation Protocol |
ITU-T V.17, V.21CH2, V.27ter, V.29 |
|
Error Correction/Compression |
MNP5, V.42, V.42bis |

|
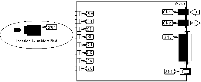
CONNECTIONS | ||||||
|
Function |
Label |
Function |
Label | |||
|
Line in |
CN1 |
DC power |
CN4 | |||
|
Line out |
CN2 |
Power switch |
SW1 | |||
|
RS-232/422 |
CN3 | |||||
|
DIAGNOSTIC LED(S) | |||
|
LED |
Color |
Status |
Condition |
|
MR |
Red |
On |
Power is on |
|
MR |
Red |
Off |
Power is off |
|
TR |
Red |
On |
DTR signal is high |
|
TR |
Red |
Off |
DTR signal is low |
|
SD |
Red |
On |
Modem is transmitting data |
|
SD |
Red |
Off |
Modem is not transmitting data |
|
RD |
Red |
On |
Modem is receiving data |
|
RD |
Red |
Off |
Modem is not receiving data |
|
OH |
Red |
On |
Modem is off-hook |
|
OH |
Red |
Off |
Modem is on-hook |
|
CD |
Red |
On |
Carrier signal detected |
|
CD |
Red |
Off |
Carrier signal not detected |
|
AA |
Red |
On |
Auto-answer enabled |
|
AA |
Red |
Off |
Auto-answer disabled |
|
EC |
Red |
On |
Error correction is in progress |
|
EC |
Red |
Off |
Error correction is not in progress |
Proprietary AT Command Set
|
ACCEPT RELIABLE MODE | |
|
Type: |
Immediate |
|
Format: |
AT [cmds] \U [cmds] |
|
Description: |
Accepts remote modem’s request for a reliable mode connection |
|
ADAPTIVE HANDSHAKE | ||
|
Type: |
Configuration | |
|
Format: |
AT [cmds] *Gn [cmds] | |
|
Description: |
Sets adaptive handshaking | |
|
Command |
Function | |
|
*G0 |
Adaptive handshake disabled | |
|
í *G1 |
Adaptive handshake enabled | |
|
AUTO-RELIABLE FALLBACK CHARACTER | |
|
Type: |
Configuration |
|
Format: |
AT [cmds] %An [cmds] |
|
Default: |
Unidentified |
|
Range: |
0-127 |
|
Unit: |
ASCII |
|
Description: |
Sets the character used as the auto-reliable fallback character. %A0 will disable this function. |
|
AUTO-RELIABLE TIME BUFFER CONFIGURATION | |
|
Type: |
Configuration |
|
Format: |
AT [cmds] \Cn [cmds] |
|
Description: |
Controls the handling of incoming data during auto-reliable time period |
|
Command |
Function |
|
í \C0 |
Data is discarded |
|
\C1 |
Data is buffered |
|
\C2 |
Data is discarded, modem returns to normal mode on receiving auto-reliable fallback character. |
|
AUTO-RETRAIN | |
|
Type: |
Configuration |
|
Format: |
AT [cmds] *Tn [cmds] |
|
Description: |
Selects auto-retrain mode |
|
Command |
Function |
|
*T0 |
Auto-retrain disabled |
|
í *T1 |
Auto-retrain enabled |
|
BIT MAPPED REGISTERS | |
|
Register |
Default |
|
S14 |
Unidentified |
|
S16 |
Unidentified |
|
S21 |
Unidentified |
|
S22 |
Unidentified |
|
S23 |
Unidentified |
|
S27 |
Unidentified |
|
BREAK SEND | |
|
Type: |
Configuration |
|
Format: |
AT [cmds] \Bn [cmds] |
|
Default: |
3 |
|
Range: |
0-9 |
|
Unit: |
.1 second |
|
Description: |
Sends break to modem |
|
BREAK TYPE | |
|
Type: |
Configuration |
|
Format: |
AT [cmds] \Kn [cmds] |
|
Default: |
5 |
|
Range: |
0-5 |
|
Unit: |
Unidentified |
|
Description: |
Configures action of break signal |
|
BUSY TONE FILTER | |
|
Type: |
Register |
|
Format: |
AT [cmds] S96=n [cmds] |
|
Description: |
Selects the busy tone filter |
|
COMPRESSION | |
|
Type: |
Configuration |
|
Format: |
AT [cmds] %Cn [cmds] |
|
Description: |
Selects MNP5 data compression |
|
Command |
Function |
|
%C0 |
Data compression disabled |
|
í %C1 |
Data compression enabled |
|
CONNECT MODE | |
|
Type: |
Configuration |
|
Format: |
AT [cmds] \Nn [cmds] |
|
Description: |
Sets connect mode |
|
Command |
Function |
|
\N0 |
Normal mode enabled |
|
\N1 |
Direct mode enabled |
|
\N2 |
MNP mode only enabled |
|
\N3 |
MNP/Normal automode enabled |
|
\N4 |
LAP-M mode only enabled |
|
í \N5 |
LAP-M/MNP/Normal automode enabled |
|
\N6 |
LAP-M mode without phase detection enabled |
|
\N7 |
LAP-M/MNP/Normal automode without phase detection enabled |
|
CONNECTION SPEED | |
|
Type: |
Configuration |
|
Format |
AT [cmds] *Nn [cmds] |
|
Description: |
Selects modem connection speed |
|
Command |
Function |
|
*N0 |
Select connection speed at 1200bps speed |
|
*N1 |
Select connection speed at 2400bps speed |
|
*N2 |
Select connection speed at 4800bps speed |
|
*N3 |
Select connection speed at 9600bps speed |
|
*N4 |
Select connection speed at 7200bps speed |
|
*N5 |
Select connection speed at 12Kbps speed |
|
í *N6 |
Select connection speed at 14.4Kbps speed |
|
*N7 |
Select connection speed at V.23 |
|
ENERGY DETECTION THRESHOLD | |
|
Type |
Register |
|
Format |
AT [cmds] S97=n [cmds] |
|
Default |
Unidentified |
|
Range |
Unidentified |
|
Unit |
Unidentified |
|
Description |
Enables energy detection threshold |
|
EXTENDED RESULT CODES | |
|
Type: |
Configuration |
|
Format: |
AT [cmds] \Vn [cmds] |
|
Description: |
Selects extended result codes |
|
Command |
Function |
|
í \V0 |
Extended result codes disabled |
|
\V1 |
Extended result codes enabled |
|
FLOW CONTROL | |
|
Type: |
Configuration |
|
Format: |
AT [cmds] \Gn [cmds] |
|
Description: |
Selects modem port flow control |
|
Command |
Function |
|
í \G0 |
Flow control disabled |
|
\G1 |
Flow control enabled |
|
FLOW CONTROL TYPE | |
|
Type: |
Configuration |
|
Format: |
AT [cmds] \Qn [cmds] |
|
Description: |
Sets type of flow control used by modem |
|
Command |
Function |
|
\Q0 |
Flow control disabled |
|
\Q1 |
XON/XOFF flow control enabled |
|
\Q2 |
CTS flow control to DTE enabled |
|
í \Q3 |
RTS/CTS flow control enabled |
|
INACTIVITY TIMER | |
|
Type: |
Configuration |
|
Format: |
AT [cmds] \Tn [cmds] |
|
Default: |
0 |
|
Range: |
0-90 |
|
Unit: |
1 minutes |
|
Description: |
Sets the length of time that the modem does not receive information before it disconnects |
|
INITIATE RELIABLE MODE | |
|
Type: |
Immediate |
|
Format: |
AT [cmds] \O [cmds] |
|
Description: |
During normal mode the modem initiates a reliable mode connection |
|
LOCK SERIAL PORT | |
|
Type: |
Configuration |
|
Format: |
AT [cmds] \Jn [cmds] |
|
Description: |
Sets operation of serial port speed |
|
Command |
Function |
|
í \J0 |
Serial speed locked |
|
\J1 |
Serial speed follows connect speed |
|
MAXIMUM BLOCK SIZE FOR TRANSMISSION | |
|
Type: |
Configuration |
|
Format: |
AT [cmds] \An [cmds] |
|
Description: |
Sets the maximum transmittable block size |
|
Command |
Function |
|
\A0 |
MNP block size is 64 characters |
|
\A1 |
MNP block size is 128 characters |
|
\A2 |
MNP block size is 192 characters |
|
í \A3 |
MNP block size is 256 characters |
|
XON/XOFF PASS-THROUGH | |
|
Type: |
Configuration |
|
Format: |
AT [cmds] \Xn [cmds] |
|
Description: |
Selects whether XON/XOFF signals are sent to remote modem |
|
Command |
Function |
|
í \X0 |
XON/XOFF signals trapped by local modem |
|
\X1 |
XON/XOFF passed through local modem |