ASKEY COMPUTER CORPORATION
MDM-DF1414/SF
|
Card Type |
Modem |
|
Chipset |
Rockwell |
|
Maximum Data Rate |
14.4Kbps |
|
Maximum Fax Rate |
14.4Kbps |
|
Data Bus |
8-bit ISA |
|
Fax Class |
Unidentified |
|
Data Modulation |
Bell 103A/212A ITU-T V.21, V.22, V.22bis, V.32, V.32bis |
|
Fax Modulation |
Unidentified |

|
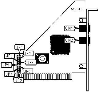
CONNECTIONS | |||
|
Function |
Label |
Function |
Label |
|
Line in |
CN1 |
Line out |
CN2 |
|
INTERRUPT SELECTION | ||||
|
Setting |
JP3 |
JP5 |
JP7 |
JP8 |
|
IRQ3 |
Open |
Closed |
Open |
Open |
|
IRQ4 |
Closed |
Open |
Open |
Open |
|
IRQ5 |
Open |
Open |
Closed |
Open |
|
IRQ7 |
Open |
Open |
Open |
Closed |
|
SERIAL PORT ADDRESS SELECTION | ||||
|
Setting |
JP1 |
JP2 |
JP4 |
JP6 |
|
3F8h (COM1:) |
Open |
Closed |
Closed |
Open |
|
2F8h (COM2:) |
Open |
Closed |
Open |
Closed |
|
3E8h (COM3:) |
Closed |
Open |
Closed |
Open |
|
2E8h (COM4:) |
Closed |
Open |
Open |
Closed |
|
SUPPORTED STANDARD COMMANDS |
|
The command set is unidentified. |