ARCHTEK AMERICA CORPORATION
2834BR
|
Modem Type |
Data (synchronous/asynchronous)/Fax |
|
Maximum Data Rate |
28.8Kbps |
|
Maximum Fax Rate |
14.4Kbps |
|
Data Bus |
8-bit ISA |
|
Fax Class |
Class I & II |
|
Data Modulation Protocol |
Bell 103J/212A ITU-T V.21, V.22, V.22bis, V.23, V.32, V.32bis, V.34 Rockwell V.FC |
|
Fax Modulation Protocol |
ITU-T V.17, V.21CH2, V.27ter, V.29 |
|
Error Correction/Compression |
MNP5, V.42, V.42bis |

|
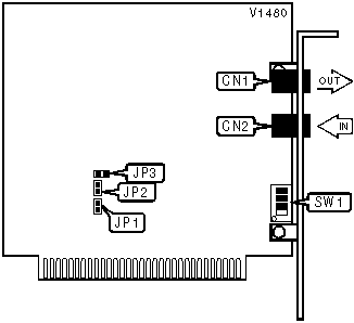
CONNECTIONS | |||
|
Purpose |
Location |
Purpose |
Location |
|
Line out |
CN1 |
Line in |
CN2 |
|
BASE I/O ADDRESS SELECTION | ||
|
Port |
SW1/C |
SW1/D |
|
COM1: (3F8h) |
On |
On |
|
COM2: (2F8h) |
On |
Off |
|
COM3: (3E8h) |
Off |
On |
|
COM4: (2E8h) |
Off |
Off |
|
INTERRUPT SELECTION | |||||
|
IRQ |
SW1/A |
SW1/B |
JP1 |
JP2 |
JP3 |
|
2 |
Off |
Off |
Open |
Open |
Closed |
|
3 |
On |
Off |
Open |
Open |
Open |
|
4 |
Off |
On |
Open |
Open |
Open |
|
5 |
Off |
Off |
Open |
Closed |
Open |
|
7 |
Off |
Off |
Closed |
Open |
Open |
Proprietary AT Command Set
|
AUTO-RETRAIN | |
|
Type: |
Configuration |
|
Format: |
AT %En |
|
Example: |
AT %E0 <CR> |
|
Description: |
Selects auto-retrain mode. |
|
Command |
Function |
|
%E0 |
Auto-retrain disabled. |
|
%E1 |
Auto-retrain enabled. |
|
BREAK SEND | |
|
Type: |
Configuration |
|
Format: |
AT [cmds] \Bn [cmds] |
|
Example: |
AT \B3 &W <CR> |
|
Range: |
1-9 |
|
Unit: |
.1 second |
|
Description: |
Sends break to modem. |
|
BREAK TYPE | ||||
|
Type: |
Configuration | |||
|
Format: |
AT [cmds] \Kn [cmds] | |||
|
Example: |
AT \K0 <CR> | |||
|
Description: |
Configures action of break signal. | |||
|
Command |
Break from DTE |
Modem receives \B |
Break from remote modem | |
|
\K0 |
Enter command mode, do not send break to remote modem. |
Buffers cleared and break sent to remote modem. |
Buffers cleared and break sent to DTE. | |
|
\K1 |
Buffers cleared and break sent to remote modem. |
Buffers cleared and break sent to remote modem. |
Buffers cleared and break sent to DTE. | |
|
\K2 |
Enter command mode, do not send break to remote modem. |
Send break to remote modem immediately. |
Send break to DTE immediately. | |
|
\K3 |
Send break to remote modem immediately. |
Send break to remote modem immediately. |
Send break to DTE immediately. | |
|
\K4 |
Enter command mode, do not send break to remote modem. |
Send break to remote modem with transmitted data. |
Break sent with received data to the DTE. | |
|
\K5 |
Send break with transmitted data. |
Send break to remote modem with transmitted data. |
Break sent with received data to the DTE. | |
|
COMPRESSION | |
|
Type: |
Configuration |
|
Format: |
AT [cmd] %Cn [cmd] |
|
Example: |
AT %C0 &W <CR> |
|
Description: |
Selects data compression. |
|
Command |
Function |
|
%C0 |
Data compression disabled. |
|
%C1 |
Data compression enabled. |
|
%C2 |
V.42bis enabled. |
|
%C3 |
V.42bis and MNP5 enabled. |
|
CONNECT MODE | |
|
Type: |
Configuration |
|
Format: |
AT [cmds] \Nn [cmds] |
|
Example: |
AT \N0 DT555-1212 <CR> |
|
Description: |
Sets connect mode. |
|
Command |
Function |
|
\N0 |
Normal mode enabled. |
|
\N1 |
Direct mode enabled. |
|
\N2 |
Reliable mode enabled. |
|
\N3 |
Auto-reliable mode enabled. |
|
\N4 |
LAPM mode enabled. |
|
\N5 |
MNP mode enabled. |
|
FLASH DIAL MODIFIER TIME | |
|
Format |
AT [cmds] S29=n [cmds] |
|
Example: |
ATS29=0 <CR> |
|
Default: |
0 |
|
Range: |
0-255 |
|
Unit: |
10 ms |
|
Description: |
Time the modem will go on-hook upon receiving the ! dial modifier in dial string. |
|
FLOW CONTROL CHARACTER - XOFF | |
|
Type: |
Register |
|
Format: |
AT [cmds] S33=n [cmds] |
|
Example: |
ATS33=19 <CR> |
|
Default: |
19 |
|
Range: |
0-255 |
|
Unit: |
ASCII |
|
Description: |
Sets the character used to represent XOFF. |
|
FLOW CONTROL CHARACTER - XON | |
|
Type: |
Register |
|
Format: |
AT [cmds] S32=n [cmds] |
|
Example: |
ATS32=17 <CR> |
|
Default: |
17 |
|
Range: |
0-255 |
|
Unit: |
ASCII |
|
Description: |
Sets the character used to represent XON. |
|
LOCK SERIAL PORT | |
|
Type: |
Configuration |
|
Format: |
AT [cmds] \Jn [cmds] |
|
Example: |
AT \J0<CR> |
|
Description: |
Sets operation of serial port speed. |
|
Command |
Function |
|
\J0 |
Serial speed locked. |
|
\J1 |
Serial speed follows connect speed. |
|
MAXIMUM BLOCK SIZE FOR TRANSMISSION | |
|
Type: |
Configuration |
|
Format: |
AT [cmds] \An [cmds] |
|
Example: |
AT \A3 %C1 <CR> |
|
Description: |
Sets the maximum transmittable block size. |
|
Command |
Function |
|
\A0 |
MNP block size is 64 characters. |
|
\A1 |
MNP block size is 128 characters. |
|
\A2 |
MNP block size is 192 characters. |
|
\A3 |
MNP block size is 256 characters. |
|
MNP STREAM/BLOCK MODE | |
|
Type: |
Configuration |
|
Format: |
AT [cmds] \Ln [cmds] |
|
Example: |
AT \L1 DT555-1212 <CR> |
|
Description: |
Selects the transfer mode for MNP. |
|
Command |
Function |
|
\L0 |
Stream mode for MNP enabled. |
|
\L1 |
Block mode for MNP enabled. |
|
MODULATION SELECTION | |
|
Type: |
Configuration |
|
Format: |
AT [cmds] +MS=xx,y,zzz,aaa [cmds] |
|
Example: |
AT +MS11,1,300,28800 &W <CR> |
|
Description: |
Sets options for active protocol. The transfer rates specified by z and a must be valid for the protocol selected. |
|
Command |
Function |
|
x=0 |
V.21 |
|
x=1 |
V.22 |
|
x=2 |
V.22bis |
|
x=3 |
V.23 |
|
x=9 |
V.32 |
|
x=10 |
V.32bis |
|
x=11 |
V.34 |
|
x=64 |
Bell 103A |
|
x=69 |
Bell 212A |
|
x=74 |
V.FC |
|
y =0 |
Automode disabled. |
|
y =1 |
Auto-detect highest speed enabled. |
|
z, a =300 |
Set minimum or maximum transfer rate at 300bps, respectively. |
|
z, a =1200 |
Set minimum or maximum transfer rate at 1200bps, respectively. |
|
z, a =2400 |
Set minimum or maximum transfer rate at 2400bps, respectively. |
|
z, a =4800 |
Set minimum or maximum transfer rate at 4800bps, respectively. |
|
z, a =7200 |
Set minimum or maximum transfer rate at 7200bps, respectively. |
|
z, a =9600 |
Set minimum or maximum transfer rate at 9600bps, respectively. |
|
z, a =12000 |
Set minimum or maximum transfer rate at 12000bps, respectively. |
|
z, a =14400 |
Set minimum or maximum transfer rate at 14400bps, respectively. |
|
z, a =16800 |
Set minimum or maximum transfer rate at 16800bps, respectively. |
|
z, a =19200 |
Set minimum or maximum transfer rate at 19200bps, respectively. |
|
z, a =21600 |
Set minimum or maximum transfer rate at 21600bps, respectively. |
|
z, a =24000 |
Set minimum or maximum transfer rate at 24000bps, respectively. |
|
z, a =26400 |
Set minimum or maximum transfer rate at 26400bps, respectively. |
|
z, a =28800 |
Set minimum or maximum transfer rate at 28800bps, respectively. |