STANDARD MICROSYSTEMS CORPORATION
WD8003EB
|
NIC Type |
Ethernet |
|
Transfer Rate |
10Mbps |
|
Data Bus |
8-bit ISA |
|
Topology |
Linear bus |
|
Wiring Type |
RG-58A/U 50ohm coaxial AUI transceiver via DB-15 port |
|
Boot ROM |
Available |

|
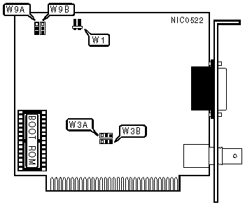
NIC CMOS RESET |
||
|
Setting |
W1 |
|
|
» |
Normal operation |
Open |
|
|
Reset |
Closed |
|
Note: To reset the NIC's settings you must: close W1, turn on the computer, run the setup utility included with the card, turn off the computer, open W1, and then reapply power to the card. When the card is reset the I/O base address will be set to 280h. |
||
|
CABLE TYPE |
||
|
Type |
W3A & W3B |
|
|
» |
RG-58A/U 50ohm coaxial |
Pins 2 & 3 closed |
|
|
AUI transceiver via DB-15 port |
Pins 1 & 2 closed |
|
BOOT ROM SIZE |
|||
|
Size |
W9A |
W9B |
|
|
» |
16KB |
Pins 1 & 2 closed |
Pins 1 & 2 closed |
|
|
32KB |
Pins 2 & 3 closed |
Pins 1 & 2 closed |
|
|
64KB |
Pins 2 & 3 closed |
Pins 2 & 3 closed |
|
MISCELLANEOUS NOTES |
|
IRQ and Base I/O are set using the utility included with the card. |