IET STARTECH

LANSTAR 2000T

NIC Type

Ethernet

Network Transfer Rate

10Mbps

Data Bus

16-bit ISA

Topology

Linear Bus, Star

Wiring Type

Unshielded twisted pair

AUI transceiver via DB-15 port

Boot ROM

Available

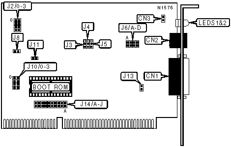
CONNECTIONS

Function

Label

Function

Label

AUI transceiver via DB-15 port

CN1

External LED connector

CN3

Unshielded twisted pair

CN2

 

 

USER CONFIGURABLE SETTINGS

Function

Label

Position

 

SQE test function enabled

J3

Pins 1 & 2 closed

 

SQE test function disabled

J3

Pins 2 & 3 closed

 

Cable length normal

J4

Pins 1 & 2 closed

 

Cable length extended

J4

Pins 2 & 3 closed

 

Link test enabled

J5

Pins 2 & 3 closed

 

Link test disabled

J5

Pins 1 & 2 closed

»

Mainboard compatibility normal

J8

Open

 

Mainboard compatibility abnormal

J8

Closed

 

NE1000 compatible

J11

Closed

 

NE2000 compatible

J11

Open

BASE I/O ADDRESS SELECTION

Address

J10/0

J10/1

J10/2

J10/3

 

200h

Open

Closed

Closed

Closed

 

220h

Open

Closed

Closed

Open

 

240h

Open

Closed

Open

Closed

 

260h

Open

Closed

Open

Open

 

280h

Open

Open

Closed

Closed

 

2A0h

Open

Open

Closed

Open

 

2C0h

Open

Open

Open

Closed

»

300h

Closed

Closed

Closed

Closed

 

320h

Closed

Closed

Closed

Open

 

340h

Closed

Closed

Open

Closed

 

360h

Closed

Closed

Open

Open

 

380h

Closed

Open

Closed

Closed

INTERRUPT SELECTION

IRQ

J14/A

J14/B

J14/C

J14/D

J14/E

J14/F

J14/G

J14/H

J14/I

J14/J

2

Closed

Open

Open

Open

Open

Open

Open

Open

Open

Open

3

Open

Closed

Open

Open

Open

Open

Open

Open

Open

Open

4

Open

Open

Closed

Open

Open

Open

Open

Open

Open

Open

5

Open

Open

Open

Closed

Open

Open

Open

Open

Open

Open

7

Open

Open

Open

Open

Closed

Open

Open

Open

Open

Open

10

Open

Open

Open

Open

Open

Closed

Open

Open

Open

Open

11

Open

Open

Open

Open

Open

Open

Closed

Open

Open

Open

12

Open

Open

Open

Open

Open

Open

Open

Closed

Open

Open

14

Open

Open

Open

Open

Open

Open

Open

Open

Closed

Open

15

Open

Open

Open

Open

Open

Open

Open

Open

Open

Closed

CABLE TYPE SELECTION

Type

J6/A-D

J13

AUI transceiver via DB-15 port

Open

Closed

Unshielded twisted pair

Closed

Open

BOOT ROM CONFIGURATION

Setting

J2/3

 

Enabled

Closed

»

Disabled

Open

ROM ADDRESS SELECTION

Address

J2/0

J2/1

J2/2

C000:0h

Open

Open

Open

C400:0h

Open

Open

Closed

C800:0h

Open

Closed

Open

CC00:0h

Open

Closed

Closed

D000:0h

Closed

Open

Open

D400:0h

Closed

Open

Closed

D800:0h

Closed

Closed

Open

DC00:0h

Closed

Closed

Closed

DIAGNOSTIC LED(S)

LED

Color

Status

Condition

LED1

Yellow

On

10Base-T polarity reversed when auto polarity enabled

LED1

Yellow

Off

10Base-T polarity normal

LED2

Green

On or Blinking

During link test mode - 10Base-T network connection is good

LED2

Green

On or Blinking

10Base-T circuit is receiving data when link test function disabled

LED2

Green

Off

Network connection is broken or 10Base-T circuit is not receiving data

Note: The locations of LED1 and LED2 are unidentified.