CNET TECHNOLOGY, INC.
CN815E
|
Card Type |
Ethernet transceiver |
|
Network Transfer Rate |
10Mbps |
|
Data Bus |
AUI via DB-15 port |
|
Topology |
Star |
|
Wire Type |
Unshielded twisted pair |
|
CONNECTIONS | |||
|
Function |
Label |
Function |
Label |
|
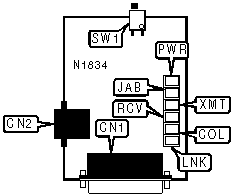
AUI via DB-15 port |
CN1 |
Unshielded twisted pair connector |
CN2 |
|
USER CONFIGURABLE SETTINGS | |||
|
Setting |
Label |
Position | |
| » |
SQE test enabled |
SW1 |
On |
|
SQE test disabled |
SW1 |
Off | |
|
DIAGNOSTIC LED(S) | |||
|
LED |
Color |
Status |
Condition |
|
PWR |
Unidentified |
On |
Power is on |
|
PWR |
Unidentified |
Off |
Power is off |
|
JAB |
Unidentified |
On |
Network jabber detected |
|
JAB |
Unidentified |
Off |
Network jabber not detected |
|
XMT |
Unidentified |
Off |
Transceiver is not transmitting data to the network |
|
XMT |
Unidentified |
Blinking |
Transceiver is transmitting data to the network |
|
RCV |
Unidentified |
Off |
Transceiver is not receiving data from the network |
|
RCV |
Unidentified |
Blinking |
Transceiver is receiving data from the network |
|
COL |
Unidentified |
Off |
Network collision not detected |
|
COL |
Unidentified |
Blinking |
Network collision detected |
|
LNK |
Unidentified |
On |
Network connection is good |
|
LNK |
Unidentified |
Off |
Network connection is broken |