ACCTON TECHNOLOGY CORPORATION
ETHERPAIR-8T
| Card Type | Network Interface Card | 
| NIC Type | Ethernet | 
| Maximum Onboard Memory | Unidentified | 
| Boot ROM | Available | 
| Network Transfer Rate | 10Mbps | 
| Topology | Linear Bus, Star | 
| Wiring Type | RJ-45 Unshielded twisted pair, AUI transceiver via DB-15 port | 
| Data Bus | 8-bit ISA | 

| CONNECTIONS | |||
| Function | Label | Function | Label | 
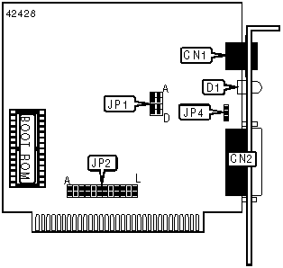
| UTP connector (RJ-45) | CN1 | AUI connector | CN2 | 
| DMA CHANNEL SELECTION | |||||
| Channel | JP2/G | JP2/H | JP2/I | JP2/J | |
| » | Disabled | Open | Open | Open | Open | 
| 
 | 1 | Closed | Open | Closed | Open | 
| 
 | 3 | Open | Closed | Open | Closed | 
| BASE I/O ADDRESS SELECTION | |||
| Setting | JP2/K | JP2/L | |
| » | 300h | Closed | Closed | 
| 
 | 320h | Open | Closed | 
| 
 | 340h | Closed | Open | 
| 
 | 360h | Open | Open | 
| INTERRUPT SELECTION | |||||||
| IRQ | JP2/A | JP2/B | JP2/C | JP2/D | JP2/E | JP2/F | |
| 
 | 2 | Closed | Open | Open | Open | Open | Open | 
| » | 3 | Open | Closed | Open | Open | Open | Open | 
| 
 | 4 | Open | Open | Closed | Open | Open | Open | 
| 
 | 5 | Open | Open | Open | Closed | Open | Open | 
| 
 | 6 | Open | Open | Open | Open | Closed | Open | 
| 
 | 7 | Open | Open | Open | Open | Open | Closed | 
| CABLE TYPE SELECTION | |
| Type | JP4 | 
| AUI transceiver via DB-15 port | Pins 2 & 3 closed | 
| Unshielded twisted pair | Pins 1 & 2 closed | 
| BOOT ROM CONFIGURATION | ||
| Setting | JP1/A | |
| 
 | Enabled | Closed | 
| » | Disabled | Open | 
| ROM ADDRESS SELECTION | ||||
| Address | JP1/B | JP1/C | JP1/D | |
| » | C8000h | Closed | Closed | Closed | 
| 
 | CC000h | Open | Closed | Closed | 
| 
 | D8000h | Closed | Open | Closed | 
| 
 | DC000h | Open | Open | Closed | 
| 
 | E8000h | Closed | Closed | Open | 
| 
 | EC000h | Open | Closed | Open | 
| DIAGNOSTIC LED(S) | 
| Note: The function of the LED is unidentified. |