ALLIED TELESYN, INC.
AT-125, AT-126
|
Card Type |
Transceiver |
|
NIC Type |
Ethernet |
|
Network Transfer Rate |
10Mbps |
|
Topology |
Linear Bus, Star |
|
Wiring Type |
AUI transceiver via DB-15 port Fiber optic cable |
|
Data Bus |
None |
|
CONNECTIONS | |||
|
Function |
Label |
Function |
Label |
|
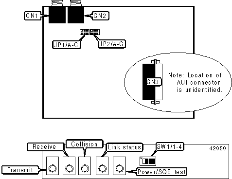
Fiber optic connector - receive |
CN1 |
AUI connector |
CN3 |
|
Fiber optic connector - transmit |
CN2 | ||
|
USER CONFIGURABLE SETTINGS | |||
|
Function |
Label |
Position | |
| » |
SQE/Heartbeat switch disabled |
SW1/1 |
On |
|
SQE/Heartbeat switch enabled |
SW1/1 |
Off | |
| » |
Continuous transmit function disabled |
SW1/2 |
On |
|
Continuous transmit function enabled |
SW1/2 |
Off | |
| » |
Link test function - always on |
SW1/3 |
On |
| » |
Factory configured - do not alter |
SW1/4 |
On |
|
TRANSMIT POWER SELECTION | ||||||
|
Setting |
JP1/A |
JP1/B |
JP1/C |
JP2/A |
JP2/B |
JP2/C |
|
Low |
Closed |
Open |
Open |
Closed |
Open |
Open |
|
Medium |
Open |
Closed |
Open |
Open |
Closed |
Open |
|
High |
Open |
Open |
Closed |
Open |
Open |
Closed |
|
DIAGNOSTIC LED(S) | |||
|
LED |
Color |
Status |
Condition |
|
Transmit |
Unidentified |
On |
Data is being transmitted |
|
Transmit |
Unidentified |
Off |
Data is not being transmitted |
|
Receive |
Unidentified |
On |
Data is being received |
|
Receive |
Unidentified |
Off |
Data is not being received |
|
Collision |
Unidentified |
On |
Collision detected on network |
|
Collision |
Unidentified |
Off |
No collision detected on network |
|
Link status |
Unidentified |
On |
Link test function is disabled |
|
Link status |
Unidentified |
Off |
Link test function is enabled |
|
Power/SQE test |
Yellow |
On |
SQE/Heartbeat test is enabled |
|
Power/SQE test |
Green |
On |
SQE/Heartbeat test is disabled |