ABC COMPUTER COMPANY, LTD.

ETHERNET A3251

NIC Type

Ethernet

Transfer Rate

10Mbps

Data Bus

16-bit ISA

Topology

Linear Bus

Wiring Type

RG-58A/U 50ohm coaxial

AUI transceiver via DB-15 port

Boot ROM

Available

INTERRUPT REQUEST

IRQ

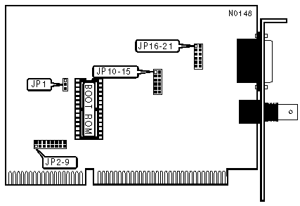
JP6

JP7

JP8

JP9

 

2

Closed

Open

Open

Open

»

3

Open

Closed

Open

Open

 

4

Open

Open

Closed

Open

 

5

Open

Open

Open

Closed

BOOT ROM

Type

JP1

»

Enabled

Pins 1 & 2 Closed

 

Disabled

Pins 2 & 3 Closed

CABLE TYPE

Type

JP10 - JP13 & JP15

JP16 - JP18 & JP20 - JP21

»

RG-58A/U 50ohm coaxial

Closed

Open

 

AUI transceiver via DB-15 port

Open

Closed

I/O BASE ADDRESS

I/O Address

SW1/1

SW1/2

SW1/3

SW1/4

 

280-29F

On

On

On

On

»

2A0-2BF

On

Off

On

On

 

2C0-2DF

On

On

Off

On

 

2E0-2FF

On

Off

Off

On

 

300-31F

On

On

On

Off

 

320-33F

On

Off

On

Off

 

340-35F

On

On

Off

Off

 

360-37F

On

Off

Off

Off

BASE MEMORY ADDRESS

Base Address

SW1/5

SW1/6

 

C0000-C3FFF

On

On

 

C4000-C7FFF

Off

On

 

C8000-CBFFF

On

Off

»

CC000- CFFFF

Off

Off

MISCELLANEOUS NOTES

Different drivers must be used for the National & the Fujitsu chipset cards, & are not interchangeable. Fujitsu adapters may be used for either 8 or 16 bit Fujitsu cards. While the National chipset cards require a different driver for an 8 or 16 bit card.