ADDTRON TECHNOLOGY COMPANY, LTD.

ARC 110HI

NIC Type

ARCnet

Transfer Rate

2.5Mbps

Data Bus

8-bit ISA

Topology

Star

Linear Bus

Wiring Type

RG-62A/U 93ohm coaxial

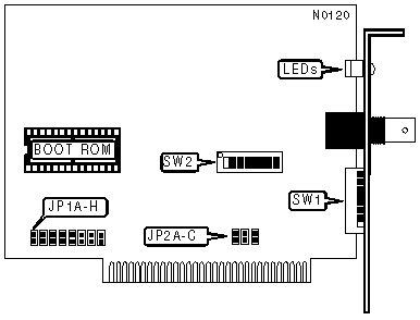
Boot ROM

Available

NODE ADDRESS

Node

SW1/1

SW1/2

SW1/3

SW1/4

SW1/5

SW1/6

SW1/7

SW1/8

0

-

-

-

-

-

-

-

-

1

Off

On

On

On

On

On

On

On

2

On

Off

On

On

On

On

On

On

3

Off

Off

On

On

On

On

On

On

4

On

On

Off

On

On

On

On

On

251

Off

Off

On

Off

Off

Off

Off

Off

252

On

On

Off

Off

Off

Off

Off

Off

253

Off

On

Off

Off

Off

Off

Off

Off

254

On

Off

Off

Off

Off

Off

Off

Off

255

Off

Off

Off

Off

Off

Off

Off

Off

Note:Node address 0 is used for messaging between nodes and must not be used.

A total of 255 node address settings are available. The switches are a binary representation of the decimal node addresses. Switch 1 is the Least Significant Bit and switch 8 is the Most Significant Bit. The switches have the following decimal values: switch 1=1, 2=2, 3=4, 4=8, 5=16, 6=32, 7=64, 8=128. Turn off the switches and add the values of the off switches to obtain the correct node address. (On=0, Off=1)

BOOT ROM

Setting

JP1A

»

Disabled

Open

 

Enabled

Closed

CABLE LENGTH AND RESPONSE/RECONFIGURATION TIMEOUTS

Cable Length

Response Time

Reconfiguration

JP1B

JP1C

»

< 20,000 feet

74.7µs

840ms

Open

Open

 

> 20,000 feet

283.4µs

1680ms

Open

Closed

 

> 20,000 feet

561.8µs

1680ms

Closed

Open

 

> 20,000 feet

1118.6µs

1680ms

Closed

Closed

Note: All NICs on the network must have this option set the same.

INTERRUPT REQUEST

IRQ

JP1D

JP1E

JP1F

JP1G

JP1H

»

2/9

Closed

Open

Open

Open

Open

 

3

Open

Closed

Open

Open

Open

 

4

Open

Open

Closed

Open

Open

 

5

Open

Open

Open

Closed

Open

 

7

Open

Open

Open

Open

Closed

ONBOARD TERMINATOR

Setting

JP2C

»

Enabled

Closed

 

Disabled

Open

 

Notes:If the card is on either end of the network segment, the onboard terminator may be used instead

DIAGNOSTIC LED(S)

Color

Status

Condition

Green

On

Network connection is good

Green

Off

Network connection is broken

Red

On

Data is being transmitted/received.

Red

Off

Data is not being transmitted/received.

I/O BASE ADDRESS

Address

SW2/6

SW2/7

SW2/8

»

2E0h-2EFh

On

Off

On

 

260h-26Fh

On

On

On

 

290h-29Fh

Off

On

On

 

2F0h-2FFh

Off

Off

On

 

300h-30Fh

On

On

Off

 

350h-35Fh

Off

On

Off

 

380h-38Fh

On

Off

Off

 

3E0h-3EFh

Off

Off

Off

BASE MEMORY ADDRESS &AMP; BOOT ROM ADDRESS

Base Address

Boot ROM Address

SW2/1

SW2/2

SW2/3

SW2/4

SW2/5

»

D0000h-D07FFh

D2000h-D3FFFh

Closed

Closed

Open

Open

Closed

 

C0000h-C07FFh

C2000h-C3FFFh

Closed

Closed

Closed

Closed

Closed

 

C0800h-C0FFFh

C2000h-C3FFFh

Open

Closed

Closed

Closed

Closed

 

C1000h-C17FFh

C2000h-C3FFFh

Closed

Open

Closed

Closed

Closed

 

C1800h-C1FFFh

C2000h-C3FFFh

Open

Open

Closed

Closed

Closed

 

C4000h-C47FFh

C6000h-C7FFFh

Closed

Closed

Open

Closed

Closed

 

C4800h-C4FFFh

C6000h-C7FFFh

Open

Closed

Open

Closed

Closed

 

C5000h-C57FFh

C6000h-C7FFFh

Closed

Open

Open

Closed

Closed

 

C5800h-C5FFFh

C6000h-C7FFFh

Open

Open

Open

Closed

Closed

 

CC000h-CC7FFh

CE000h-CFFFFh

Closed

Closed

Closed

Open

Closed

 

CC800h-CCFFFh

CE000h-CFFFFh

Open

Closed

Closed

Open

Closed

 

CD000h-CD7FFh

CE000h-CFFFFh

Closed

Open

Closed

Open

Closed

 

CD800h-CDFFFh

CE000h-CFFFFh

Open

Open

Closed

Open

Closed

 

D0800h-D0FFFh

D2000h-D3FFFh

Open

Closed

Open

Open

Closed

 

D1000h-D17FFh

D2000h-D3FFFh

Closed

Open

Open

Open

Closed

 

D1800h-D1FFFh

D2000h-D3FFFh

Open

Open

Open

Open

Closed

 

D4000h-D47FFh

D6000h-D7FFFh

Closed

Closed

Closed

Closed

Open

 

D4800h-D4FFFh

D6000h-D7FFFh

Open

Closed

Closed

Closed

Open

 

D5000h-D57FFh

D6000h-D7FFFh

Closed

Open

Closed

Closed

Open

 

D5800h D5FFFh

D6000h-D7FFFh

Open

Open

Closed

Closed

Open

 

D8000h-D87FFh

DA000h-DBFFFh

Closed

Closed

Open

Closed

Open

 

D8800h-D8FFFh

DA000h-DBFFFh

Open

Closed

Open

Closed

Open

 

D9000h-D97FFh

DA000h-DBFFFh

Closed

Open

Open

Closed

Open

 

D9800h-D9FFFh

DA000h-DBFFFh

Open

Open

Open

Closed

Open

 

DC000h-DC7FFh

DE000h-DFFFFh

Closed

Closed

Closed

Open

Open

 

DC800h-DCFFFh

DE000h-DFFFFh

Open

Closed

Closed

Open

Open

 

DD000h-DD7FFh

DE000h-DFFFFh

Closed

Open

Closed

Open

Open

 

DD800h-DDFFFh

DE000h-DFFFFh

Open

Open

Closed

Open

Open

 

E0000h-E07FFh

E2000h-E3FFFh

Closed

Closed

Open

Open

Open

 

E0800h-E0FFFh

E2000h-E3FFFh

Open

Closed

Open

Open

Open

 

E1000h-E17FFh

E2000h-E3FFFh

Closed

Open

Open

Open

Open

 

E1800h-E1FFFh

E2000h-E3FFFh

Open

Open

Open

Open

Open

FACTORY CONFIGURED SETTINGS - DO NOT ALTER

Jumper

Setting

JP2A

Open

JP2B

Closed