ZIDA TECHNOLOGIES, INC.
EX98 (VER. 1.40)
| Device Type | Mainboard | 
| Processor | Pentium II/Celeron | 
| Processor Speed | 233/266/300/333MHz | 
| Chip Set | Intel 440LX/EX | 
| Video Chip Set | None | 
| Maximum Onboard Memory | 256MB (SDRAM supported) | 
| Maximum Video Memory | None | 
| Cache | 512KB (located on Pentium II CPU) | 
| BIOS | AMI | 
| Dimensions | 254mm x 218mm | 
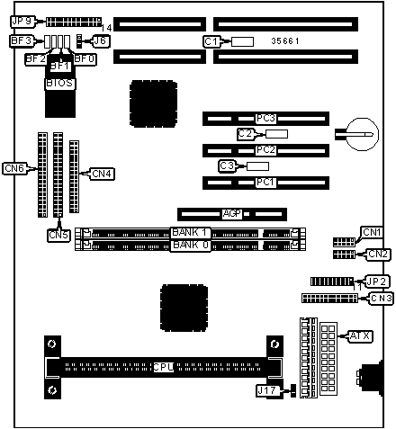
| I/O Options | 32-bit PCI slots (3), floppy drive interface, green PC connector, IDE interfaces (2), parallel port, PS/2 mouse interface, serial ports (2), IR connector, USB connectors (2), ATX power connector, AGP slot | 
 
| CONNECTIONS | |||
| Purpose | Location | Purpose | Location | 
| AGP slot | AGP | USB connector 1 | JP2/pins 1 5 | 
| ATX power connector | ATX | PS/2 mouse port | JP2/pins 6  10 | 
| TB-link connector | C1 | USB connector 2 | JP2/pins 11  15 | 
| Wake up link connector | C2 | IR connector | JP2/pins 16 - 20 | 
| TB/SB-link connector | C3 | Power LED & keylock | JP9/pins 1  5 | 
| Serial port 2 | CN1 | Green PC connector | JP9/pins 7 & 8 | 
| Serial port 1 | CN2 | Speaker | JP9/pins 10  13 | 
| Parallel port | CN3 | IDE interface LED | JP9/pins 14 & 15 | 
| Floppy drive interface | CN4 | Soft off power supply | JP9/pins 17 & 18 | 
| IDE interface 2 | CN5 | Reset switch | JP9/pins 22 & 23 | 
| IDE interface 1 | CN6 | Turbo LED | JP9/pins 25 & 26 | 
| CPU fan power | J17 | 32-bit PCI slots | PC1  PC3 | 
| USER CONFIGURABLE SETTINGS | |||
| Function | Label | Position | |
| » | Factory configured - do not alter | BF0 | Unidentified | 
| » | Factory configured - do not alter | BF1 | Unidentified | 
| » | Factory configured - do not alter | BF2 | Unidentified | 
| » | Factory configured - do not alter | BF3 | Unidentified | 
| » | Factory configured - do not alter | J6 | Unidentified | 
| DIMM CONFIGURATION | ||
| Size | Bank 0 | Bank 1 | 
| 8MB | (1) 1M x 64 | None | 
| 16MB | (1) 2M x 64 | None | 
| 16MB | (1) 1M x 64 | (1) 1M x 64 | 
| 24MB | (1) 2M x 64 | (1) 1M x 64 | 
| 32MB | (1) 4M x 64 | None | 
| 32MB | (1) 2M x 64 | (1) 2M x 64 | 
| 40MB | (1) 4M x 64 | (1) 1M x 64 | 
| 48MB | (1) 4M x 64 | (1) 2M x 64 | 
| 64MB | (1) 8M x 64 | None | 
| 64MB | (1) 4M x 64 | (1) 4M x 64 | 
| 72MB | (1) 8M x 64 | (1) 1M x 64 | 
| DIMM CONFIGURATION (CONT) | ||
| Size | Bank 0 | Bank 1 | 
| 80MB | (1) 8M x 64 | (1) 2M x 64 | 
| 96MB | (1) 8M x 64 | (1) 4M x 64 | 
| 128MB | (1) 16M x 64 | None | 
| 128MB | (1) 8M x 64 | (1) 8M x 64 | 
| 136MB | (1) 16M x 64 | (1) 1M x 64 | 
| 144MB | (1) 16M x 64 | (1) 2M x 64 | 
| 160MB | (1) 16M x 64 | (1) 4M x 64 | 
| 192MB | (1) 16M x 64 | (1) 8M x 64 | 
| 256MB | (1) 16M x 64 | (1) 16M x 64 | 
| Note: Board accepts SDRAM memory. | ||
| CACHE CONFIGURATION | 
| Note: 512KB cache is located on the Pentium II CPU. |