ZIDA TECHNOLOGIES, INC.
6ABX (VER. 1.10), 6ALX (VER. 1.10)
| Device Type | Mainboard | 
| Processor | Pentium II/Celeron | 
| Processor Speed | 233/266/300/333/350/400/450/500MHz | 
| Chip Set | Intel 440 BX/LX | 
| Video Chip Set | None | 
| Maximum Onboard Memory | 512MB (SDRAM supported) | 
| Maximum Video Memory | None | 
| Cache | 256/512KB (located on Pentium II CPU) | 
| BIOS | AMI | 
| Dimensions | 305mm x 190mm | 
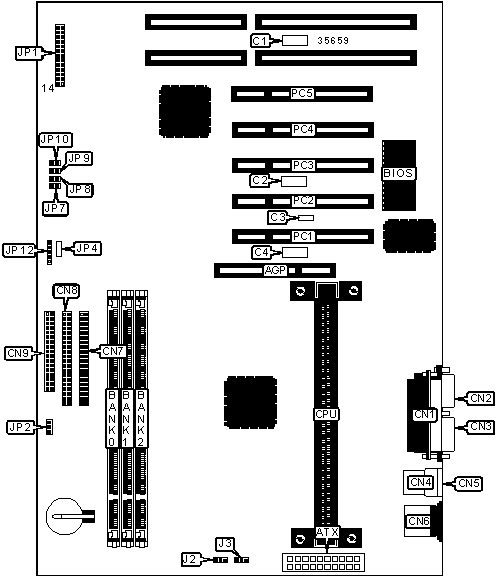
| I/O Options | 32-bit PCI slots (5), floppy drive interface, green PC connector, IDE interfaces (2), parallel port, PS/2 mouse port, serial ports (2), IR connector, USB connectors (2), ATX power connector, AGP slot | 
 
| CONNECTIONS | |||
| Purpose | Location | Purpose | Location | 
| AGP slot | AGP | IDE interface 2 | CN8 | 
| ATX power connector | ATX | Floppy drive interface | CN9 | 
| TB-link connector | C1 | CPU fan power | J2 | 
| SB-link connector | C2 | CPU fan power | J3 | 
| Wake up link connector | C3 | Power LED & keylock | JP1/pins 1 – 5 | 
| TA-link connector | C4 | Green PC connector | JP1/pins 7 & 8 | 
| Parallel port | CN1 | Speaker | JP1/pins 10 – 13 | 
| Serial port 2 | CN2 | IDE interface LED | JP1/pins 14 & 15 | 
| Serial port 1 | CN3 | Soft off power supply | JP1/pins 17 & 18 | 
| USB connector 1 | CN4 | Reset switch | JP1/pins 22 & 23 | 
| USB connector 2 | CN5 | Turbo LED | JP1/pins 25 & 26 | 
| PS/2 mouse port | CN6 | IR connector | JP12 | 
| IDE interface 1 | CN7 | 32-bit PCI slots | PC1 – PC5 | 
| USER CONFIGURABLE SETTINGS | |||
| Function | Label | Position | |
| » | Flash BIOS write protect enabled | H1 | Closed | 
| » | CMOS memory normal operation | JP2 | Pins 1 & 2 closed | 
| CMOS memory clear | JP2 | Pins 2 & 3 closed | |
| » | Factory configured - do not alter | JP4 | Unidentified | 
| DIMM CONFIGURATION | |||
| Size | Bank 0 | Bank 1 | Bank 2 | 
| 8MB | (1) 1M x 64 | None | None | 
| 16MB | (1) 2M x 64 | None | None | 
| 16MB | (1) 1M x 64 | (1) 1M x 64 | None | 
| 24MB | (1) 2M x 64 | (1) 1M x 64 | None | 
| 24MB | (1) 1M x 64 | (1) 1M x 64 | (1) 1M x 64 | 
| 32MB | (1) 4M x 64 | None | None | 
| 32MB | (1) 2M x 64 | (1) 1M x 64 | (1) 1M x 64 | 
| 32MB | (1) 2M x 64 | (1) 2M x 64 | None | 
| 40MB | (1) 4M x 64 | (1) 1M x 64 | None | 
| 40MB | (1) 2M x 64 | (1) 2M x 64 | (1) 1M x 64 | 
| DIMM CONFIGURATION (CON’T) | |||
| Size | Bank 0 | Bank 1 | Bank 2 | 
| 48MB | (1) 4M x 64 | (1) 1M x 64 | (1) 1M x 64 | 
| 48MB | (1) 4M x 64 | (1) 2M x 64 | None | 
| 48MB | (1) 2M x 64 | (1) 2M x 64 | (1) 2M x 64 | 
| 56MB | (1) 4M x 64 | (1) 2M x 64 | (1) 1M x 64 | 
| 64MB | (1) 8M x 64 | None | None | 
| 64MB | (1) 4M x 64 | (1) 2M x 64 | (1) 2M x 64 | 
| 64MB | (1) 4M x 64 | (1) 4M x 64 | None | 
| 72MB | (1) 8M x 64 | (1) 1M x 64 | None | 
| 72MB | (1) 4M x 64 | (1) 4M x 64 | (1) 1M x 64 | 
| 80MB | (1) 8M x 64 | (1) 1M x 64 | (1) 1M x 64 | 
| 80MB | (1) 8M x 64 | (1) 2M x 64 | None | 
| 80MB | (1) 4M x 64 | (1) 4M x 64 | (1) 2M x 64 | 
| 88MB | (1) 8M x 64 | (1) 2M x 64 | (1) 1M x 64 | 
| 96MB | (1) 8M x 64 | (1) 2M x 64 | (1) 2M x 64 | 
| 96MB | (1) 8M x 64 | (1) 4M x 64 | None | 
| 96MB | (1) 4M x 64 | (1) 4M x 64 | (1) 4M x 64 | 
| 104MB | (1) 8M x 64 | (1) 4M x 64 | (1) 1M x 64 | 
| 112MB | (1) 8M x 64 | (1) 4M x 64 | (1) 2M x 64 | 
| 128MB | (1) 16M x 64 | None | None | 
| 128MB | (1) 8M x 64 | (1) 4M x 64 | (1) 4M x 64 | 
| 128MB | (1) 8M x 64 | (1) 8M x 64 | None | 
| 136MB | (1) 16M x 64 | (1) 1M x 64 | None | 
| 136MB | (1) 8M x 64 | (1) 8M x 64 | (1) 1M x 64 | 
| 144MB | (1) 16M x 64 | (1) 1M x 64 | (1) 1M x 64 | 
| 144MB | (1) 16M x 64 | (1) 2M x 64 | None | 
| 144MB | (1) 8M x 64 | (1) 8M x 64 | (1) 2M x 64 | 
| 152MB | (1) 16M x 64 | (1) 2M x 64 | (1) 1M x 64 | 
| 160MB | (1) 16M x 64 | (1) 2M x 64 | (1) 2M x 64 | 
| 160MB | (1) 16M x 64 | (1) 4M x 64 | None | 
| 160MB | (1) 8M x 64 | (1) 8M x 64 | (1) 4M x 64 | 
| 168MB | (1) 16M x 64 | (1) 4M x 64 | (1) 1M x 64 | 
| 176MB | (1) 16M x 64 | (1) 4M x 64 | (1) 2M x 64 | 
| 192MB | (1) 16M x 64 | (1) 4M x 64 | (1) 4M x 64 | 
| 192MB | (1) 16M x 64 | (1) 8M x 64 | None | 
| DIMM CONFIGURATION (CON’T) | |||
| Size | Bank 0 | Bank 1 | Bank 2 | 
| 192MB | (1) 8M x 64 | (1) 8M x 64 | (1) 8M x 64 | 
| 200MB | (1) 16M x 64 | (1) 8M x 64 | (1) 1M x 64 | 
| 208MB | (1) 16M x 64 | (1) 8M x 64 | (1) 2M x 64 | 
| 224MB | (1) 16M x 64 | (1) 8M x 64 | (1) 4M x 64 | 
| 256MB | (1) 16M x 64 | (1) 8M x 64 | (1) 8M x 64 | 
| 256MB | (1) 32M x 64 | None | None | 
| 384MB | (1) 16M x 64 | (1) 16M x 64 | (1) 16M x 64 | 
| 512MB | (1) 32M x 64 | (1) 32M x 64 | None | 
| Note: Board accepts SDRAM memory. | |||
| CACHE CONFIGURATION | 
| Note: 256KB/512KB cache is located on the Pentium II CPU. | 
| CPU SPEED SELECTION | |||||||
| CPU speed | Clock speed | Multiplier | JP3 | JP7 | JP8 | JP9 | JP10 | 
| 233MHz | 66MHz | 3.5x | Closed | Open | Open | Closed | Closed | 
| 266MHz | 66MHz | 4x | Closed | Closed | Closed | Open | Closed | 
| 300MHz | 66MHz | 4.5x | Closed | Open | Closed | Open | Closed | 
| 333MHz | 66MHz | 5x | Closed | Closed | Open | Open | Closed | 
| 350MHz | 100MHz | 3.5x | Open | Open | Open | Closed | Closed | 
| 400MHz | 100MHz | 4x | Open | Closed | Closed | Open | Closed | 
| 450MHz | 100MHz | 4.5x | Open | Open | Closed | Open | Closed | 
| 500MHz | 100MHz | 5x | Open | Closed | Open | Open | Closed | 
| Note: The location of JP3 is unidentified. | |||||||