VEXTREC COMPUTER, INC.
GMB-P6BIAK (VER. 3.00)
| Device Type | Mainboard | 
| Processor | Pentium II | 
| Processor Speed | 233/266/300/333/350/400/450MHz | 
| Chip Set | Intel 440BX | 
| Maximum Onboard Memory | 768MB (EDO & SDRAM supported) | 
| BIOS | Award | 
| Cache | 256/512KB (located on the Pentium II CPU) | 
| Dimensions | 305mm x 217mm | 
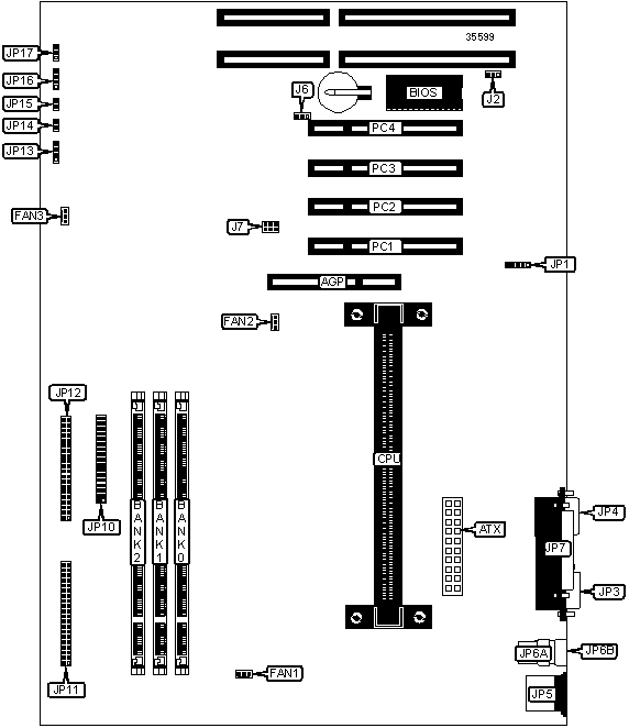
| I/O Options | 32-bit PCI slots (4), floppy drive interface, IDE interface, parallel port, PS/2 mouse port, serial ports (2), USB connectors (2), IR connector | 
 
| CONNECTIONS | |||
| Purpose | Location | Purpose | Location | 
| CPU fan power | FAN1 | IDE interface 2 | JP11 | 
| System fan power | FAN2 | IDE interface 1 | JP12 | 
| ATX power connector | ATX | IDE interface LED | JP13 | 
| IR connector | JP1 | Power on/off switch connector | JP14 | 
| Serial port 1 | JP3 | Power LED | JP15 | 
| Serial port 2 | JP4 | Reset switch | JP16 | 
| PS/2 mouse port | JP5 | Speaker | JP17 | 
| USB connector 1 | JP6A | Wake on LAN connector | JP18 | 
| USB connector 2 | JP6B | SB link connector | JP20 | 
| Parallel port | JP7 | 32-bit PCI slots | PC1 - PC4 | 
| Floppy drive interface | JP10 | ||
| USER CONFIGURABLE SETTINGS | |||
| Function | Label | Position | |
| » | Flash BIOS voltage select 5v | J2 | Pins 1 & 2 closed | 
| Flash BIOS voltage select 12v | J2 | Pins 2 & 3 closed | |
| » | CMOS memory normal operation | J6 | Pins 1 & 2 closed | 
| CMOS memory clear | J6 | Pins 2 & 3 closed | |
| DRAM CONFIGURATION | ||||
| Size | Bank 0 | Bank 1 | Bank 2 | Bank 3 | 
| 8MB | (1) 1MB x 64 | None | None | None | 
| 16MB | (1) 1MB x 64 | (1) 1MB x 64 | None | None | 
| 16MB | (1) 2MB x 64 | None | None | None | 
| 24MB | (1) 1MB x 64 | (1) 1MB x 64 | (1) 1MB x 64 | None | 
| 24MB | (1) 2MB x 64 | (1) 1MB x 64 | None | None | 
| 32MB | (1) 1MB x 64 | (1) 1MB x 64 | (1) 1MB x 64 | (1) 1MB x 64 | 
| 32MB | (1) 2MB x 64 | (1) 2MB x 64 | None | None | 
| 32MB | (1) 4MB x 64 | None | None | None | 
| 32MB | (1) 2MB x 64 | (1) 1MB x 64 | (1) 1MB x 64 | None | 
| 48MB | (1) 2MB x 64 | (1) 2MB x 64 | (1) 2MB x 64 | None | 
| 48MB | (1) 4MB x 64 | (1) 2MB x 64 | None | None | 
| 64MB | (1) 2MB x 64 | (1) 2MB x 64 | (1) 2MB x 64 | (1) 2MB x 64 | 
| 64MB | (1) 4MB x 64 | (1) 4MB x 64 | None | None | 
| 64MB | (1) 8MB x 64 | None | None | None | 
| 64MB | (1) 4MB x 64 | (1) 2MB x 64 | (1) 2MB x 64 | None | 
| 96MB | (1) 4MB x 64 | (1) 4MB x 64 | (1) 4MB x 64 | None | 
| 96MB | (1) 8MB x 64 | (1) 4MB x 64 | None | None | 
| 120MB | (1) 8MB x 64 | (1) 4MB x 64 | (1) 2MB x 64 | (1) 1MB x 64 | 
| 128MB | (1) 4MB x 64 | (1) 4MB x 64 | (1) 4MB x 64 | (1) 4MB x 64 | 
| 128MB | (1) 8MB x 64 | (1) 8MB x 64 | None | None | 
| 128MB | (1) 16MB x 64 | None | None | None | 
| 128MB | (1) 8MB x 64 | (1) 4MB x 64 | (1) 4MB x 64 | None | 
| 192MB | (1) 8MB x 64 | (1) 8MB x 64 | (1) 8MB x 64 | None | 
| 192MB | (1) 16MB x 64 | (1) 8MB x 64 | None | None | 
| DRAM CONFIGURATION (CONT.) | ||||
| Size | Bank 0 | Bank 1 | Bank 2 | Bank 3 | 
| 240MB | (1) 16MB x 64 | (1) 8MB x 64 | (1) 4MB x 64 | (1) 2MB x 64 | 
| 256MB | (1) 8MB x 64 | (1) 8MB x 64 | (1) 8MB x 64 | (1) 8MB x 64 | 
| 256MB | (1) 16MB x 64 | (1) 16MB x 64 | None | None | 
| 256MB | (1) 32MB x 64 | None | None | None | 
| 256MB | (1) 16MB x 64 | (1) 8MB x 64 | (1) 8MB x 64 | None | 
| 384MB | (1) 16MB x 64 | (1) 16MB x 64 | (1) 16MB x 64 | None | 
| 384MB | (1) 32MB x 64 | (1) 16MB x 64 | None | None | 
| 448MB | (1) 32MB x 64 | (1) 16MB x 64 | (1) 8MB x 64 | (1) 4MB x 64 | 
| 512MB | (1) 16MB x 64 | (1) 16MB x 64 | (1) 16MB x 64 | (1) 16MB x 64 | 
| 512MB | (1) 32MB x 64 | (1) 32MB x 64 | None | None | 
| 512MB | (1) 32MB x 64 | (1) 16MB x 64 | (1) 16MB x 64 | None | 
| 768MB | (1) 32MB x 64 | (1) 32MB x 64 | (1) 32MB x 64 | None | 
| CPU SPEED SELECTION | |||||
| CPU Speed | Clock Speed | Multiplier | JP4/pins 1 & 2 | JP4/pins 3 & 4 | JP4/pins 5 & 6 | 
| 233MHz | 66MHz | 3.5x | Open | Open | Closed | 
| 266MHz | 66MHz | 4x | Closed | Closed | Open | 
| 300MHz | 66MHv | 4.5x | Open | Closed | Open | 
| 333MHz | 66MHz | 5x | Closed | Open | Open | 
| 350MHz | 66MHz | 3.5x | Open | Open | Closed | 
| 400MHz | 66MHz | 4.0x | Closed | Closed | Open | 
| 450MHz | 66MHz | 4.5x | Open | Closed | Open |