ZIDA TECHNOLOGIES INC.
TX98-3D (VER. 1.01)
|
Device Type |
Mainboard |
|
Processor |
CX 6X86L/IBM 6X86L/CX 6X86MX/IBM 6X86MX/IDT C6/AM K5/ AM K6/Pentium/Pentium MMX |
|
Processor Speed |
100/120/133/150/166/200/225/233/266/300/333MHz |
|
Chip Set |
VIA VPX |
|
Video Chip Set |
None |
|
Maximum Onboard Memory |
256MB (EDO & SDRAM supported) |
|
Maximum Video Memory |
None |
|
Cache |
256/512KB |
|
BIOS |
AMI |
|
Dimensions |
220mm x 200mm |
|
I/O Options |
32-bit PCI slots (4), floppy drive interface, green PC connector, IDE interfaces (2), parallel port, PS/2 mouse interface, serial ports (2), IR connector, USB connectors (2), ATX power connector, audio in CD-ROMs (2), audio connector, TB-link connector, wake on LAN connector, TA-link connector |
|
NPU Options |
None |
|
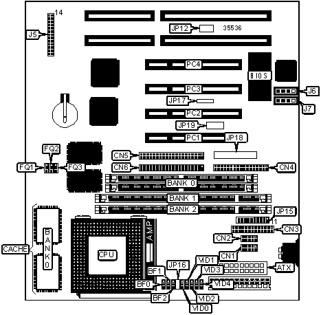
CONNECTIONS | |||
|
Purpose |
Location |
Purpose |
Location |
|
ATX power connector |
ATX |
Speaker |
J5/pins 10 13 |
|
Serial port 1 |
CN1 |
IDE interface LED |
J5/pins 14 & 15 |
|
Serial port 2 |
CN2 |
TB-link connector |
JP12 |
|
Parallel port |
CN3 |
USB connector 1 |
JP15/pins 1 - 5 |
|
Floppy drive interface |
CN4 |
PS/2 mouse interface |
JP15/pins 6 10 |
|
IDE interface 1 |
CN5 |
USB connector 2 |
JP15/pins 11 15 |
|
IDE interface 2 |
CN6 |
IR connector |
JP15/pins 16 - 20 |
|
Audio in CD-ROM |
J6 |
Wake on LAN connector |
JP17 |
|
Audio in CD-ROM |
J7 |
Audio connector |
JP18 |
|
Power LED & keylock |
J5/pins 1 5 |
TA-link connector |
JP19 |
|
Green PC connector |
J5/pins 7 & 8 |
32-bit PCI slots |
PC1 PC4 |
|
USER CONFIGURABLE SETTINGS | |||
|
Function |
Label |
Position | |
|
Auto jumper enabled |
JP16 |
Pins 1 & 2 closed | |
|
Auto jumper disabled |
JP16 |
Pins 2 & 3 closed | |
|
SIMM CONFIGURATION | |
|
Size |
Bank 0 |
|
8MB |
(2) 1M x 36 |
|
16MB |
(2) 2M x 36 |
|
32MB |
(2) 4M x 36 |
|
64MB |
(2) 8M x 36 |
|
128MB |
(2) 16M x 36 |
|
Note: Board accepts EDO memory. | |
|
DIMM CONFIGURATION | ||
|
Size |
Bank 1 |
Bank 2 |
|
8MB |
(1) 1M x 64 |
None |
|
16MB |
(1) 2M x 64 |
None |
|
16MB |
(1) 1M x 64 |
(1) 1M x 64 |
|
24MB |
(1) 2M x 64 |
(1) 1M x 64 |
|
32MB |
(1) 4M x 64 |
None |
|
DIMM CONFIGURATION (CONT) | ||
|
Size |
Bank 0 |
Bank 1 |
|
32MB |
(1) 2M x 64 |
(1) 2M x 64 |
|
40MB |
(1) 4M x 64 |
(1) 1M x 64 |
|
48MB |
(1) 4M x 64 |
(1) 2M x 64 |
|
64MB |
(1) 8M x 64 |
None |
|
64MB |
(1) 4M x 64 |
(1) 4M x 64 |
|
72MB |
(1) 8M x 64 |
(1) 1M x 64 |
|
80MB |
(1) 8M x 64 |
(1) 2M x 64 |
|
96MB |
(1) 8M x 64 |
(1) 4M x 64 |
|
128MB |
(1) 16M x 64 |
None |
|
128MB |
(1) 8M x 64 |
(1) 8M x 64 |
|
136MB |
(1) 16M x 64 |
(1) 1M x 64 |
|
144MB |
(1) 16M x 64 |
(1) 2M x 64 |
|
160MB |
(1) 16M x 64 |
(1) 4M x 64 |
|
192MB |
(1) 16M x 64 |
(1) 8M x 64 |
|
256MB |
(1) 16M x 64 |
(1) 16M x 64 |
|
Note: Board accepts SDRAM memory. | ||
|
CACHE CONFIGURATION | |
|
Size |
Bank 0 |
|
256KB |
(2) 32K x 32 |
|
512KB |
(2) 64K x 32 |
|
CPU SPEED SELECTION (CX 6X86L) | ||||||||
|
CPU speed |
Clock speed |
Multiplier |
BF0 |
BF1 |
BF2 |
FQ1 |
FQ2 |
FQ3 |
|
150MHz |
60MHz |
2x |
2 & 3 |
1 & 2 |
1 & 2 |
2 & 3 |
1 & 2 |
1 & 2 |
|
166MHz |
66MHz |
2x |
2 & 3 |
1 & 2 |
1 & 2 |
1 & 2 |
1 & 2 |
1 & 2 |
|
Note: Pins designated should be in the closed position. | ||||||||
|
CPU SPEED SELECTION (IBM 6X86L) | ||||||||
|
CPU speed |
Clock speed |
Multiplier |
BF0 |
BF1 |
BF2 |
FQ1 |
FQ2 |
FQ3 |
|
150MHz |
60MHz |
2x |
2 & 3 |
1 & 2 |
1 & 2 |
2 & 3 |
1 & 2 |
1 & 2 |
|
166MHz |
66MHz |
2x |
2 & 3 |
1 & 2 |
1 & 2 |
1 & 2 |
1 & 2 |
1 & 2 |
|
Note: Pins designated should be in the closed position. | ||||||||
|
CPU SPEED SELECTION (CX 6X86MX) | ||||||||
|
CPU speed |
Clock speed |
Multiplier |
BF0 |
BF1 |
BF2 |
FQ1 |
FQ2 |
FQ3 |
|
200MHz |
75MHz |
2x |
2 & 3 |
1 & 2 |
1 & 2 |
1 & 2 |
2 & 3 |
1 & 2 |
|
233MHz |
66MHz |
3x |
1 & 2 |
2 & 3 |
1 & 2 |
1 & 2 |
1 & 2 |
1 & 2 |
|
233MHz |
75MHz |
2.5x |
2 & 3 |
2 & 3 |
1 & 2 |
1 & 2 |
2 & 3 |
1 & 2 |
|
266MHz |
66MHz |
3.5x |
1 & 2 |
1 & 2 |
1 & 2 |
1 & 2 |
1 & 2 |
1 & 2 |
|
300MHz |
66MHz |
3.5x |
1 & 2 |
1 & 2 |
1 & 2 |
1 & 2 |
1 & 2 |
1 & 2 |
|
300MHz |
75MHz |
3x |
1 & 2 |
2 & 3 |
1 & 2 |
1 & 2 |
2 & 3 |
1 & 2 |
|
333MHz |
75MHz |
3.5x |
1 & 2 |
1 & 2 |
1 & 2 |
1 & 2 |
2 & 3 |
1 & 2 |
|
333MHz |
83MHz |
3x |
1 & 2 |
2 & 3 |
1 & 2 |
2 & 3 |
1 & 2 |
2 & 3 |
|
Note: Pins designated should be in the closed position. | ||||||||
|
CPU SPEED SELECTION (IBM 6X86MX) | ||||||||
|
CPU speed |
Clock speed |
Multiplier |
BF0 |
BF1 |
BF2 |
FQ1 |
FQ2 |
FQ3 |
|
200MHz |
75MHz |
2x |
2 & 3 |
1 & 2 |
1 & 2 |
1 & 2 |
2 & 3 |
1 & 2 |
|
233MHz |
66MHz |
3x |
1 & 2 |
2 & 3 |
1 & 2 |
1 & 2 |
1 & 2 |
1 & 2 |
|
233MHz |
75MHz |
2.5x |
2 & 3 |
2 & 3 |
1 & 2 |
1 & 2 |
2 & 3 |
1 & 2 |
|
266MHz |
66MHz |
3.5x |
1 & 2 |
1 & 2 |
1 & 2 |
1 & 2 |
1 & 2 |
1 & 2 |
|
300MHz |
66MHz |
3.5x |
1 & 2 |
1 & 2 |
1 & 2 |
1 & 2 |
1 & 2 |
1 & 2 |
|
300MHz |
75MHz |
3x |
1 & 2 |
2 & 3 |
1 & 2 |
1 & 2 |
2 & 3 |
1 & 2 |
|
333MHz |
75MHz |
3.5x |
1 & 2 |
1 & 2 |
1 & 2 |
1 & 2 |
2 & 3 |
1 & 2 |
|
333MHz |
83MHz |
3x |
1 & 2 |
2 & 3 |
1 & 2 |
2 & 3 |
1 & 2 |
2 & 3 |
|
Note: Pins designated should be in the closed position. | ||||||||
|
CPU SPEED SELECTION (IDT C6) | ||||||||
|
CPU speed |
Clock speed |
Multiplier |
BF0 |
BF1 |
BF2 |
FQ1 |
FQ2 |
FQ3 |
|
150MHz |
50MHz |
3x |
1 & 2 |
2 & 3 |
1 & 2 |
2 & 3 |
2 & 3 |
2 & 3 |
|
150MHz |
75MHz |
2x |
2 & 3 |
1 & 2 |
1 & 2 |
1 & 2 |
2 & 3 |
1 & 2 |
|
180MHz |
60MHz |
3x |
1 & 2 |
2 & 3 |
1 & 2 |
2 & 3 |
1 & 2 |
1 & 2 |
|
200MHz |
66MHz |
3x |
1 & 2 |
2 & 3 |
1 & 2 |
1 & 2 |
1 & 2 |
1 & 2 |
|
225MHz |
75MHz |
3x |
1 & 2 |
2 & 3 |
1 & 2 |
1 & 2 |
2 & 3 |
1 & 2 |
|
Note: Pins designated should be in the closed position. | ||||||||
|
CPU SPEED SELECTION (AM K5) | ||||||||
|
CPU speed |
Clock speed |
Multiplier |
BF0 |
BF1 |
BF2 |
FQ1 |
FQ2 |
FQ3 |
|
100MHz |
66MHz |
1.5x |
1 & 2 |
1 & 2 |
1 & 2 |
1 & 2 |
1 & 2 |
1 & 2 |
|
166MHz |
66MHz |
2.5x |
2 & 3 |
2 & 3 |
1 & 2 |
1 & 2 |
1 & 2 |
1 & 2 |
|
Note: Pins designated should be in the closed position. | ||||||||
|
CPU SPEED SELECTION (AM K6) | ||||||||
|
CPU speed |
Clock speed |
Multiplier |
BF0 |
BF1 |
BF2 |
FQ1 |
FQ2 |
FQ3 |
|
166MHz |
66MHz |
2.5x |
2 & 3 |
2 & 3 |
1 & 2 |
1 & 2 |
1 & 2 |
1 & 2 |
|
200MHz |
66MHz |
3x |
1 & 2 |
2 & 3 |
1 & 2 |
1 & 2 |
1 & 2 |
1 & 2 |
|
233MHz |
66MHz |
3.5x |
1 & 2 |
1 & 2 |
1 & 2 |
1 & 2 |
1 & 2 |
1 & 2 |
|
266MHz |
66MHz |
4x |
2 & 3 |
1 & 2 |
2 & 3 |
1 & 2 |
1 & 2 |
1 & 2 |
|
300MHz |
66MHz |
4.5x |
2 & 3 |
2 & 3 |
2 & 3 |
1 & 2 |
1 & 2 |
1 & 2 |
|
333MHz |
66MHz |
5x |
1 & 2 |
2 & 3 |
2 & 3 |
1 & 2 |
1 & 2 |
1 & 2 |
|
Note: Pins designated should be in the closed position. | ||||||||
|
CPU SPEED SELECTION (INTEL) | ||||||||
|
CPU speed |
Clock speed |
Multiplier |
BF0 |
BF1 |
BF2 |
FQ1 |
FQ2 |
FQ3 |
|
100MHz |
66MHz |
1.5x |
1 & 2 |
1 & 2 |
1 & 2 |
1 & 2 |
1 & 2 |
1 & 2 |
|
120MHz |
60MHz |
2x |
2 & 3 |
1 & 2 |
1 & 2 |
2 & 3 |
1 & 2 |
1 & 2 |
|
133MHz |
66MHz |
2x |
2 & 3 |
1 & 2 |
1 & 2 |
1 & 2 |
1 & 2 |
1 & 2 |
|
150MHz |
60MHz |
2.5x |
2 & 3 |
2 & 3 |
1 & 2 |
2 & 3 |
1 & 2 |
1 & 2 |
|
166MHz |
66MHz |
2.5x |
2 & 3 |
2 & 3 |
1 & 2 |
1 & 2 |
1 & 2 |
1 & 2 |
|
200MHz |
66MHz |
3x |
1 & 2 |
2 & 3 |
1 & 2 |
1 & 2 |
1 & 2 |
1 & 2 |
|
Note: Pins designated should be in the closed position. | ||||||||
|
CPU SPEED SELECTION (INTEL MMX) | ||||||||
|
CPU speed |
Clock speed |
Multiplier |
BF0 |
BF1 |
BF2 |
FQ1 |
FQ2 |
FQ3 |
|
166MHz |
66MHz |
2.5x |
2 & 3 |
2 & 3 |
1 & 2 |
1 & 2 |
1 & 2 |
1 & 2 |
|
200MHz |
66MHz |
3x |
1 & 2 |
2 & 3 |
1 & 2 |
1 & 2 |
1 & 2 |
1 & 2 |
|
233MHz |
66MHz |
3.5x |
1 & 2 |
1 & 2 |
1 & 2 |
1 & 2 |
1 & 2 |
1 & 2 |
|
Note: Pins designated should be in the closed position. | ||||||||
|
CPU VOLTAGE SELECTION | |||||
|
Voltage |
VID0 |
VID1 |
VID2 |
VID3 |
VID4 |
|
2.2v |
1 & 2 |
2 & 3 |
1 & 2 |
1 & 2 |
1 & 2 |
|
2.8v |
1 & 2 |
1 & 2 |
1 & 2 |
2 & 3 |
1 & 2 |
|
2.9v |
2 & 3 |
1 & 2 |
1 & 2 |
2 & 3 |
1 & 2 |
|
3.2v |
1 & 2 |
1 & 2 |
2 & 3 |
2 & 3 |
1 & 2 |
|
3.3v |
2 & 3 |
1 & 2 |
2 & 3 |
2 & 3 |
1 & 2 |
|
3.4v |
1 & 2 |
2 & 3 |
2 & 3 |
2 & 3 |
1 & 2 |
|
3.5v |
2 & 3 |
2 & 3 |
2 & 3 |
2 & 3 |
1 & 2 |
|
Note: Pins designated should be in the closed position. | |||||