VEXTREC
GMB-P6LIAK (VER. 1.04)
| Device Type | Mainboard | 
| Processor | Pentium II | 
| Processor Speed | 233/266/300/333MHz | 
| Chip Set | Intel 440LX | 
| Maximum Onboard Memory | 512MB (EDO & SDRAM supported) | 
| BIOS | Unidentified | 
| I/O Options | 32-bit PCI slots (4), floppy drive interface, IDE interface, parallel port, PS/2 mouse port, serial ports (2) | 
| Dimensions | 305mm x 217mm | 
 
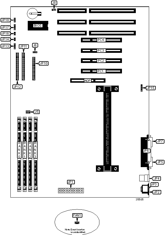
| CONNECTIONS | |||
| Purpose | Location | Purpose | Location | 
| CPU fan power | FAN1 | IDE interface 1 | JP11 | 
| ATX power connector | JP1 | IDE interface 2 | JP12 | 
| AT keyboard port | JP2 | IDE interface LED | JP13 | 
| PS/2 mouse port | JP3 | Power on/off switch connector | JP14 | 
| USB connector | JP4 | IR connector | JP15 | 
| Serial port 1 | JP5 | Reset switch | JP16 | 
| Parallel port | JP6 | Speaker | JP17 | 
| Serial port 2 | JP7 | Power LED | JP18 | 
| Floppy drive interface | JP10 | 32-bit PCI slots | PC1 - PC4 | 
| USER CONFIGURABLE SETTINGS | |||
| Function | Label | Position | |
| » | CMOS memory normal operation | J6 | Pins 1 & 2 closed | 
| CMOS memory clear | J6 | Pins 2 & 3 closed | |
| » | Flash BIOS voltage select 5v | J8 | Pins 1 & 2 closed | 
| Flash BIOS voltage select 12v | J8 | Pins 2 & 3 closed | |
| DRAM CONFIGURATION | ||||
| Size | Bank 0 | Bank 1 | Bank 2 | Bank 3 | 
| 8MB | (1) 1MB x 64 | None | None | None | 
| 16MB | (1) 1MB x 64 | (1) 1MB x 64 | None | None | 
| 16MB | (1) 2MB x 64 | None | None | None | 
| 24MB | (1) 1MB x 64 | (1) 1MB x 64 | (1) 1MB x 64 | None | 
| 24MB | (1) 2MB x 64 | (1) 1MB x 64 | None | None | 
| 32MB | (1) 1MB x 64 | (1) 1MB x 64 | (1) 1MB x 64 | (1) 1MB x 64 | 
| 32MB | (1) 2MB x 64 | (1) 2MB x 64 | None | None | 
| 32MB | (1) 4MB x 64 | None | None | None | 
| 32MB | (1) 2MB x 64 | (1) 1MB x 64 | (1) 1MB x 64 | None | 
| 48MB | (1) 2MB x 64 | (1) 2MB x 64 | (1) 2MB x 64 | None | 
| 48MB | (1) 4MB x 64 | (1) 2MB x 64 | None | None | 
| 64MB | (1) 2MB x 64 | (1) 2MB x 64 | (1) 2MB x 64 | (1) 2MB x 64 | 
| 64MB | (1) 4MB x 64 | (1) 4MB x 64 | None | None | 
| 64MB | (1) 8MB x 64 | None | None | None | 
| 64MB | (1) 4MB x 64 | (1) 2MB x 64 | (1) 2MB x 64 | None | 
| 96MB | (1) 4MB x 64 | (1) 4MB x 64 | (1) 4MB x 64 | None | 
| 96MB | (1) 8MB x 64 | (1) 4MB x 64 | None | None | 
| 120MB | (1) 8MB x 64 | (1) 4MB x 64 | (1) 2MB x 64 | (1) 1MB x 64 | 
| 128MB | (1) 4MB x 64 | (1) 4MB x 64 | (1) 4MB x 64 | (1) 4MB x 64 | 
| 128MB | (1) 8MB x 64 | (1) 8MB x 64 | None | None | 
| 128MB | (1) 16MB x 64 | None | None | None | 
| 128MB | (1) 8MB x 64 | (1) 4MB x 64 | (1) 4MB x 64 | None | 
| 192MB | (1) 8MB x 64 | (1) 8MB x 64 | (1) 8MB x 64 | None | 
| 192MB | (1) 16MB x 64 | (1) 8MB x 64 | None | None | 
| DRAM CONFIGURATION (CONT.) | ||||
| Size | Bank 0 | Bank 1 | Bank 2 | Bank 3 | 
| 240MB | (1) 16MB x 64 | (1) 8MB x 64 | (1) 4MB x 64 | (1) 2MB x 64 | 
| 256MB | (1) 8MB x 64 | (1) 8MB x 64 | (1) 8MB x 64 | (1) 8MB x 64 | 
| 256MB | (1) 16MB x 64 | (1) 16MB x 64 | None | None | 
| 256MB | (1) 32MB x 64 | None | None | None | 
| 256MB | (1) 16MB x 64 | (1) 8MB x 64 | (1) 8MB x 64 | None | 
| 384MB | (1) 16MB x 64 | (1) 16MB x 64 | (1) 16MB x 64 | None | 
| 384MB | (1) 32MB x 64 | (1) 16MB x 64 | None | None | 
| 448MB | (1) 32MB x 64 | (1) 16MB x 64 | (1) 8MB x 64 | (1) 4MB x 64 | 
| 512MB | (1) 16MB x 64 | (1) 16MB x 64 | (1) 16MB x 64 | (1) 16MB x 64 | 
| 512MB | (1) 32MB x 64 | (1) 32MB x 64 | None | None | 
| 512MB | (1) 32MB x 64 | (1) 16MB x 64 | (1) 16MB x 64 | None | 
| 768MB | (1) 32MB x 64 | (1) 32MB x 64 | (1) 32MB x 64 | None | 
| 1024MB | (1) 32MB x 64 | (1) 32MB x 64 | (1) 32MB x 64 | (1) 32MB x 64 | 
| CPU SPEED SELECTION (PENTIUM) | |||||
| CPU Speed | Clock Speed | Multiplier | JP5/pins 1 & 2 | JP5/pins 3 & 4 | JP5/pins 5 & 6 | 
| 233MHz | 66MHz | 3.5x | Open | Open | Closed | 
| 266MHz | 66MHz | 4.0x | Closed | Closed | Open | 
| 300MHz | 66MHz | 4.5x | Open | Closed | Open | 
| 333MHz | 66MHz | 5.0x | Closed | Open | Open |