WYSE TECHNOLOGY, INC.
WYSE DECISION 486SE
|
Processor |
80486SX/80487SX/80486DX/ODP486SX/80486DX2 |
|
Processor Speed |
16/20/25/33/50(Internal)/50/66(Internal) |
|
Chip Set |
OPTI |
|
Max. Onboard DRAM |
128MB |
|
SRAM Cache |
128/256/512KB |
|
BIOS |
Phoenix |
|
Dimensions |
330mm x 218mm |
|
I/O Options |
32-bit local bus slots (2), CPU processor slot |
|
NPU Options |
4167 |

|
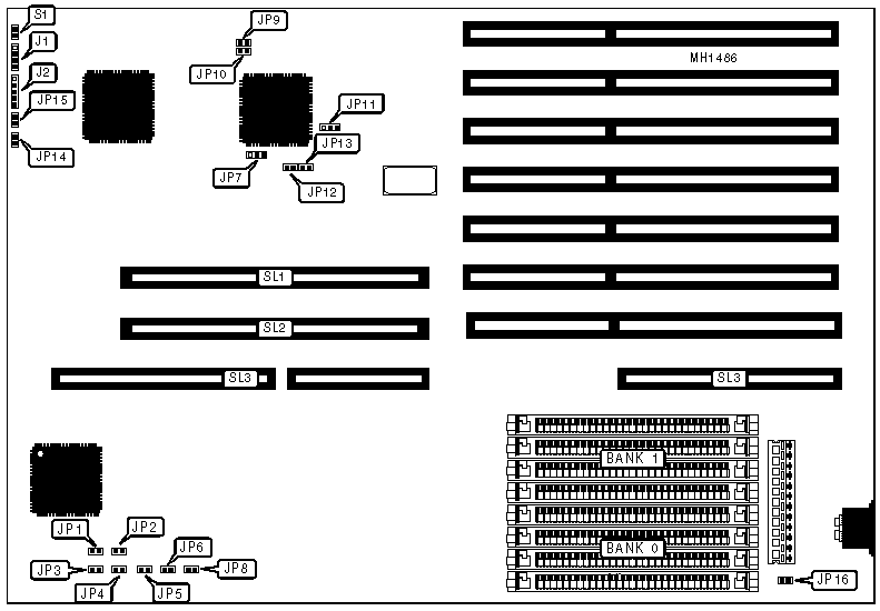
CONNECTIONS |
|||
|
Purpose |
Location |
Purpose |
Location |
|
Speaker |
J1 |
32-bit local bus slot |
SL1 |
|
Power LED & keylock |
J2 |
32-bit local bus slot |
SL2 |
|
Reset switch |
S1 |
CPU processor slot |
SL3 |
|
USER CONFIGURABLE SETTINGS SYSTEM BOARD |
|||
|
Function |
Jumper |
Position |
|
|
» |
Factory configured - do not alter |
JP1 |
closed |
|
» |
Factory configured - do not alter |
JP2 |
closed |
|
» |
Factory configured - do not alter |
JP3 |
closed |
|
» |
Factory configured - do not alter |
JP4 |
closed |
|
» |
Factory configured - do not alter |
JP5 |
closed |
|
» |
Factory configured - do not alter |
JP6 |
closed |
|
» |
Factory configured - do not alter |
JP7 |
pins 2 & 3 closed |
|
» |
Monitor type select color |
JP8 |
closed |
|
|
Monitor type select monochrome |
JP8 |
open |
|
» |
Factory configured - do not alter |
JP12 |
closed |
|
» |
Factory configured - do not alter |
JP13 |
closed |
|
» |
Factory configured - do not alter |
JP14 |
closed |
|
» |
Factory configured - do not alter |
JP15 |
open |
|
» |
Factory configured - do not alter |
JP16 |
closed |
|
DRAM CONFIGURATION |
||
|
Size |
Bank 0 |
Bank 1 |
|
4MB |
(4) 1M x 9 |
NONE |
|
8MB |
(4) 1M x 9 |
(4) 1M x 9 |
|
16MB |
(4) 4M x 9 |
NONE |
|
20MB |
(4) 1M x 9 |
(4) 4M x 9 |
|
32MB |
(4) 4M x 9 |
(4) 4M x 9 |
|
64MB |
(4) 16M x 9 |
NONE |
|
128MB |
(4) 16M x 9 |
(4) 16M x 9 |
|
BUS CLOCK CONFIGURATION |
||||
|
Speed |
JP9 |
JP10 |
JP11 |
|
|
» |
£ 25MHz |
Open |
Open |
pins 2 & 3 closed |
|
|
³ 33MHz |
Closed |
Open |
pins 1 & 2 closed |
|
» |
16MHz synchronous |
Open |
Open |
pins 2 & 3 closed |
|
» |
20MHz synchronous |
Open |
Open |
pins 2 & 3 closed |
|
|
25MHz synchronous |
Closed |
Open |
pins 1 & 2 closed |
|
|
50MHz synchronous |
Closed |
Open |
pins 1 & 2 closed |

|
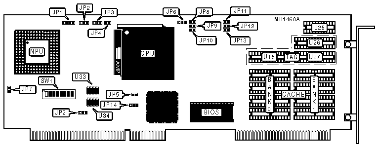
USER CONFIGURABLE SETTINGS CPU BOARD |
|||
|
Function |
Jumper |
Position |
|
|
» |
Factory configured - do not alter |
JP4 |
open |
|
» |
Factory configured - do not alter |
JP5 |
closed |
|
» |
Clock generator/oscillator enabled |
JP14 |
pins 1 & 2 closed |
|
|
Clock generator/oscillator disabled |
JP14 |
pins 2 & 3 closed |
|
Note: Clock generator is installed in U34 on board X770171 and in U33 on board Y77071. |
|||
|
SRAM JUMPER CONFIGURATION |
|||||||
|
Size |
JP6 |
JP8 |
JP9 |
JP10 |
JP11 |
JP12 |
JP13 |
|
128KB |
pins 1 & 2 closed |
closed |
open |
open |
closed |
open |
open |
|
256KB |
pins 2 & 3 closed |
closed |
closed |
open |
closed |
closed |
open |
|
512KB |
pins 1 & 2 closed |
closed |
closed |
closed |
closed |
closed |
closed |
|
SRAM CONFIGURATION |
||||||
|
Size |
Cache |
Location |
TAG/U26 |
TAG/U27 |
TAG/U16 |
Dirty Bit/U25 |
|
64KB |
(8) 8K x 8 |
Banks 0 & 1 |
NONE |
NONE |
(1) 16K x 1 |
(1) 64K x 1 |
|
128KB |
(4) 32K x 8 |
Bank 0 |
NONE |
(1) 8K x 8 |
(1) 16K x 1 |
(1) 64K x 1 |
|
256KB |
(8) 32K x 8 |
Banks 0 & 1 |
(1) 8K x 8 |
(1) 8K x 8 |
(1) 16K x 1 |
(1) 64K x 1 |
|
512KB |
(8) 128K x 8 |
Bank 0 |
NONE |
(1) 32K x 8 |
(1) 64K x 1 |
(1) 64K x 1 |
|
Note: For Tag Ram U16 may be occupied with 64K x 1 chips. |
||||||
|
CPU SPEED CONFIGURATION |
|||||
|
Type |
CPU Speed |
JP1 |
JP2 |
JP3 |
JP7 |
|
80486SX |
16MHz |
pins 2 & 3 |
pins 2 & 3 |
open |
open |
|
80487SX |
16MHz |
closed |
pins 2 & 3 |
pins 1 & 2 |
open |
|
80486SX |
20MHz |
pins 2 & 3 |
pins 2 & 3 |
open |
open |
|
80487SX |
20MHz |
closed |
pins 2 & 3 |
pins 1 & 2 |
open |
|
80486SX |
25MHz |
pins 2 & 3 |
pins 2 & 3 |
open |
closed |
|
80486SX |
33MHz |
pins 2 & 3 |
pins 2 & 3 |
open |
closed |
|
80486DX |
25MHz |
closed |
pins 2 & 3 |
pins 2 & 3 |
closed |
|
80486DX |
33MHz |
closed |
pins 2 & 3 |
pins 2 & 3 |
closed |
|
80486DX2/50i |
25MHz |
closed |
pins 2 & 3 |
pins 2 & 3 |
closed |
|
80486DX2/66i |
33MHz |
closed |
pins 2 & 3 |
pins 2 & 3 |
closed |
|
Note: Pins designated should be in the closed position. |
|||||
|
CPU TYPE CONFIGURATION SWITCH 1 BOARD X77017 |
||||||||
|
Type |
SW1/1 |
SW1/2 |
SW1/3 |
SW1/4 |
SW1/5 |
SW1/6 |
SW1/7 |
SW1/8 |
|
80486SX/16MHz |
off |
on |
off |
on |
on |
off |
on |
off |
|
80487SX/16MHz |
off |
on |
off |
on |
on |
off |
on |
off |
|
80486SX/20MHz |
off |
off |
off |
on |
on |
off |
on |
off |
|
80487SX/20MHz |
off |
off |
off |
on |
on |
off |
on |
off |
|
80486SX/25MHz |
off |
on |
on |
off |
on |
off |
on |
off |
|
80486SX/33MHz |
off |
on |
on |
off |
on |
off |
on |
off |
|
80486DX/25MHz |
off |
on |
on |
off |
on |
off |
on |
off |
|
80486DX/33MHz |
off |
on |
on |
off |
on |
off |
on |
off |
|
80486DX2/50iMHz |
off |
on |
on |
off |
on |
off |
on |
off |
|
80486DX2/66iMHz |
off |
off |
on |
off |
on |
off |
on |
off |
|
CPU TYPE CONFIGURATION SWITCH 1 BOARD Y77017 |
||||||||
|
Type |
SW1/1 |
SW1/2 |
SW1/3 |
SW1/4 |
SW1/5 |
SW1/6 |
SW1/7 |
SW1/8 |
|
80486SX/16MHz |
on |
off |
off |
on |
on |
off |
on |
off |
|
80487SX/16MHz |
on |
off |
off |
on |
on |
off |
on |
off |
|
80486SX/20MHz |
off |
off |
on |
on |
on |
off |
off |
off |
|
80487SX/20MHz |
off |
off |
on |
on |
on |
off |
off |
off |
|
80486SX/25MHz |
off |
off |
on |
on |
on |
off |
on |
off |
|
80486SX/33MHz |
off |
on |
on |
on |
on |
off |
on |
off |
|
80486DX/25MHz |
on |
off |
on |
on |
on |
off |
on |
off |
|
80486DX/33MHz |
off |
on |
on |
on |
on |
off |
on |
off |
|
80486DX2/50iMHz |
on |
on |
on |
on |
on |
off |
on |
off |
|
80486DX2/66iMHz |
off |
off |
on |
on |
on |
off |
on |
off |