TOTEM TECHNOLOGY CO., LTD.
TM-P2BXAT
| Device Type | Mainboard | 
| Processor | Pentium II | 
| Processor Speed | 233/266/300/333/350/400/450/500MHz | 
| Chip Set | Intel 440BX | 
| Maximum Onboard Memory | 768MB (EDO & SDRAM supported) | 
| Cache | 256/512KB (located on Pentium II CPU) | 
| BIOS | Award | 
| Dimensions | 220mm x 200mm | 
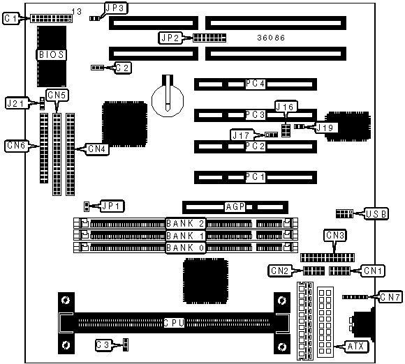
| I/O Options | 32-bit PCI slots (4), floppy drive interface, IDE interfaces (2), parallel port, PS/2 mouse interface, serial ports (2), IR connector, USB connector, ATX power connector, AGP slot, SB-link connector, wake on LAN connector | 
 
| CONNECTIONS | |||
| Purpose | Location | Purpose | Location | 
| AGP slot | AGP | IR connector | C1/pins 13 – 16 | 
| ATX power connector | ATX | Speaker | C1/pins 17 – 20 | 
| Serial port 2 | CN1 | IDE interface LED | C1/pins 21 & 22 | 
| Serial port 1 | CN2 | Soft off power supply | C1/pins 23 & 24 | 
| Parallel port | CN3 | Chassis fan power | C2 | 
| IDE interface 1 | CN4 | CPU fan power | C3 | 
| IDE interface 2 | CN5 | SB-link connector | J16 | 
| Floppy drive interface | CN6 | Wake on LAN connector | J17 | 
| PS/2 mouse interface | CN7 | Debug connector | JP2 | 
| IR connector | C1/pins 1 – 5 | 32-bit PCI slots | PC1 – PC4 | 
| Power LED & keylock | C1/pins 6 - 10 | USB connector | USB | 
| Reset switch | C1/pins 11 & 12 | ||
| USER CONFIGURABLE SETTINGS | |||
| Function | Label | Position | |
| » | Factory configured - do not alter | J19 | Unidentified | 
| » | CMOS memory normal operation | J21 | Pins 1 & 2 closed | 
| CMOS memory clear | J21 | Pins 2 & 3 closed | |
| Debug display type select on board | JP3 | Closed | |
| Debug display type select external | JP3 | Open | |
| DIMM CONFIGURATION | |||
| Size | Bank 0 | Bank 1 | Bank 2 | 
| 8MB | (1) 1M x 64 | None | None | 
| 16MB | (1) 2M x 64 | None | None | 
| 16MB | (1) 1M x 64 | (1) 1M x 64 | None | 
| 24MB | (1) 2M x 64 | (1) 1M x 64 | None | 
| 24MB | (1) 1M x 64 | (1) 1M x 64 | (1) 1M x 64 | 
| 32MB | (1) 4M x 64 | None | None | 
| 32MB | (1) 2M x 64 | (1) 1M x 64 | (1) 1M x 64 | 
| 32MB | (1) 2M x 64 | (1) 2M x 64 | None | 
| 40MB | (1) 4M x 64 | (1) 1M x 64 | None | 
| 40MB | (1) 2M x 64 | (1) 2M x 64 | (1) 1M x 64 | 
| 48MB | (1) 4M x 64 | (1) 1M x 64 | (1) 1M x 64 | 
| 48MB | (1) 4M x 64 | (1) 2M x 64 | None | 
| 48MB | (1) 2M x 64 | (1) 2M x 64 | (1) 2M x 64 | 
| 56MB | (1) 4M x 64 | (1) 2M x 64 | (1) 1M x 64 | 
| 64MB | (1) 8M x 64 | None | None | 
| 64MB | (1) 4M x 64 | (1) 2M x 64 | (1) 2M x 64 | 
| 64MB | (1) 4M x 64 | (1) 4M x 64 | None | 
| 72MB | (1) 8M x 64 | (1) 1M x 64 | None | 
| 72MB | (1) 4M x 64 | (1) 4M x 64 | (1) 1M x 64 | 
| 80MB | (1) 8M x 64 | (1) 1M x 64 | (1) 1M x 64 | 
| 80MB | (1) 8M x 64 | (1) 2M x 64 | None | 
| 80MB | (1) 4M x 64 | (1) 4M x 64 | (1) 2M x 64 | 
| 88MB | (1) 8M x 64 | (1) 2M x 64 | (1) 1M x 64 | 
| 96MB | (1) 8M x 64 | (1) 2M x 64 | (1) 2M x 64 | 
| 96MB | (1) 8M x 64 | (1) 4M x 64 | None | 
| 96MB | (1) 4M x 64 | (1) 4M x 64 | (1) 4M x 64 | 
| 104MB | (1) 8M x 64 | (1) 4M x 64 | (1) 1M x 64 | 
| 112MB | (1) 8M x 64 | (1) 4M x 64 | (1) 2M x 64 | 
| 128MB | (1) 16M x 64 | None | None | 
| 128MB | (1) 8M x 64 | (1) 4M x 64 | (1) 4M x 64 | 
| 128MB | (1) 8M x 64 | (1) 8M x 64 | None | 
| 136MB | (1) 16M x 64 | (1) 1M x 64 | None | 
| 136MB | (1) 8M x 64 | (1) 8M x 64 | (1) 1M x 64 | 
| 144MB | (1) 16M x 64 | (1) 1M x 64 | (1) 1M x 64 | 
| 144MB | (1) 16M x 64 | (1) 2M x 64 | None | 
| 144MB | (1) 8M x 64 | (1) 8M x 64 | (1) 2M x 64 | 
| 152MB | (1) 16M x 64 | (1) 2M x 64 | (1) 1M x 64 | 
| 160MB | (1) 16M x 64 | (1) 2M x 64 | (1) 2M x 64 | 
| 160MB | (1) 16M x 64 | (1) 4M x 64 | None | 
| 160MB | (1) 8M x 64 | (1) 8M x 64 | (1) 4M x 64 | 
| 168MB | (1) 16M x 64 | (1) 4M x 64 | (1) 1M x 64 | 
| 176MB | (1) 16M x 64 | (1) 4M x 64 | (1) 2M x 64 | 
| 192MB | (1) 16M x 64 | (1) 4M x 64 | (1) 4M x 64 | 
| 192MB | (1) 16M x 64 | (1) 8M x 64 | None | 
| 192MB | (1) 8M x 64 | (1) 8M x 64 | (1) 8M x 64 | 
| 200MB | (1) 16M x 64 | (1) 8M x 64 | (1) 1M x 64 | 
| 208MB | (1) 16M x 64 | (1) 8M x 64 | (1) 2M x 64 | 
| 224MB | (1) 16M x 64 | (1) 8M x 64 | (1) 4M x 64 | 
| 256MB | (1) 32M x 64 | None | None | 
| 272MB | (1) 32M x 64 | (1) 1M x 64 | (1) 1M x 64 | 
| 272MB | (1) 32M x 64 | (1) 2M x 64 | None | 
| 288MB | (1) 32M x 64 | (1) 2M x 64 | (1) 2M x 64 | 
| 288MB | (1) 32M x 64 | (1) 4M x 64 | None | 
| 320MB | (1) 32M x 64 | (1) 4M x 64 | (1) 4M x 64 | 
| 320MB | (1) 32M x 64 | (1) 8M x 64 | None | 
| 384MB | (1) 32M x 64 | (1) 8M x 64 | (1) 8M x 64 | 
| 384MB | (1) 32M x 64 | (1) 16M x 64 | None | 
| 384MB | (1) 16M x 64 | (1) 16M x 64 | (1) 16M x 64 | 
| 512MB | (1) 32M x 64 | (1) 16M x 64 | (1) 16M x 64 | 
| 512MB | (1) 32M x 64 | (1) 32M x 64 | None | 
| 768MB | (1) 32M x 64 | (1) 32M x 64 | (1) 32M x 64 | 
| Note: Board accepts EDO & SDRAM memory. | |||
| CACHE CONFIGURATION | 
| Note: 256KB/512KB cache is located on the Pentium II CPU. | 
| CPU SPEED SELECTION | |||
| CPU speed | Clock speed | Multiplier | JP1 | 
| 233MHz | 66MHz | 3.5x | Closed | 
| 266MHz | 66MHz | 4x | Closed | 
| 300MHz | 66MHz | 4.5x | Closed | 
| 333MHz | 66MHz | 5x | Closed | 
| 350MHz | 100MHz | 3.5x | Open | 
| 400MHz | 100MHz | 4x | Open | 
| 450MHz | 100MHz | 4.5x | Open | 
| 500MHz | 100MHz | 5x | Open |