TEKRAM TECHNOLOGY CO., LTD.
P6L40-A4(X)
| Device Type | Mainboard | 
| Processor | Pentium II | 
| Processor Speed | 233/266/300/333MHz | 
| Chip Set | Intel 440LX | 
| Maximum Onboard Memory | 512MB (EDO & SDRAM supported) | 
| Cache | 256/512KB (located on Pentium II CPU) | 
| BIOS | Award | 
| Dimensions | 305mm x 195mm | 
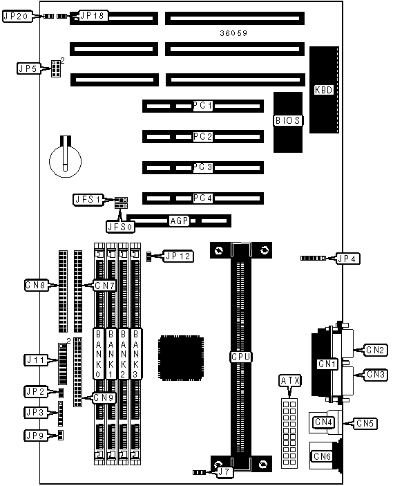
| I/O Options | 32-bit PCI slots (4), floppy drive interface, green PC connector, IDE interfaces (2), parallel port, PS/2 mouse port, serial ports (2), IR connector, USB connectors (2), ATX power connector, AGP slot | 
 
| CONNECTIONS | |||
| Purpose | Location | Purpose | Location | 
| AGP slot | AGP | Turbo LED | J11/pins 3 & 5 | 
| ATX power connector | ATX | Green PC connector | J11/pins 7 & 9 | 
| Parallel port | CN1 | Speaker | J11/pins 14/16/18/20 | 
| Serial port 2 | CN2 | Reset switch | J11/pins 17 & 19 | 
| Serial port 1 | CN3 | IDE interface LED | JP2 | 
| USB connector 1 | CN4 | IR connector | JP3 | 
| USB connector 2 | CN5 | IR connector | JP4 | 
| PS/2 mouse port | CN6 | Soft off power supply | JP9 | 
| Floppy drive interface | CN7 | Temperature sensor | JP12 | 
| IDE interface 2 | CN8 | Chassis fan power | JP18 | 
| IDE interface 1 | CN9 | Chassis intrusion | JP20 | 
| Chassis fan power | J7 | 32-bit PCI slots | PC1 - PC4 | 
| Power LED & keylock | J11/pins 2/4/6/8/10 | ||
| DIMM CONFIGURATION | ||||
| Size | Bank 0 | Bank 1 | Bank 2 | Bank 3 | 
| 8MB | (1) 1M x 64 | None | None | None | 
| 16MB | (1) 2M x 64 | None | None | None | 
| 16MB | (1) 1M x 64 | (1) 1M x 64 | None | None | 
| 24MB | (1) 2M x 64 | (1) 1M x 64 | None | None | 
| 24MB | (1) 1M x 64 | (1) 1M x 64 | (1) 1M x 64 | None | 
| 32MB | (1) 4M x 64 | None | None | None | 
| 32MB | (1) 2M x 64 | (1) 2M x 64 | None | None | 
| 32MB | (1) 1M x 64 | (1) 1M x 64 | (1) 1M x 64 | (1) 1M x 64 | 
| 40MB | (1) 4M x 64 | (1) 1M x 64 | None | None | 
| 48MB | (1) 4M x 64 | (1) 2M x 64 | None | None | 
| 48MB | (1) 2M x 64 | (1) 2M x 64 | (1) 2M x 64 | None | 
| 64MB | (1) 2M x 64 | (1) 2M x 64 | (1) 2M x 64 | (1) 2M x 64 | 
| 64MB | (1) 8M x 64 | None | None | None | 
| 64MB | (1) 4M x 64 | (1) 4M x 64 | None | None | 
| 72MB | (1) 8M x 64 | (1) 1M x 64 | None | None | 
| 80MB | (1) 8M x 64 | (1) 2M x 64 | None | None | 
| 96MB | (1) 8M x 64 | (1) 4M x 64 | None | None | 
| 96MB | (1) 4M x 64 | (1) 4M x 64 | (1) 4M x 64 | None | 
| 128MB | (1) 16M x 64 | None | None | None | 
| 128MB | (1) 8M x 64 | (1) 8M x 64 | None | None | 
| 128MB | (1) 4M x 64 | (1) 4M x 64 | (1) 4M x 64 | (1) 4M x 64 | 
| 136MB | (1) 16M x 64 | (1) 1M x 64 | None | None | 
| 144MB | (1) 16M x 64 | (1) 2M x 64 | None | None | 
| 176MB | (1) 16M x 64 | (1) 2M x 64 | (1) 2M x 64 | (1) 2M x 64 | 
| 192MB | (1) 16M x 64 | (1) 8M x 64 | None | None | 
| 192MB | (1) 8M x 64 | (1) 8M x 64 | (1) 8M x 64 | None | 
| 256MB | (1) 16M x 64 | (1) 16M x 64 | None | None | 
| DIMM CONFIGURATION (CON'T) | ||||
| Size | Bank 0 | Bank 1 | Bank 2 | Bank 3 | 
| 256MB | (1) 8M x 64 | (1) 8M x 64 | (1) 8M x 64 | (1) 8M x 64 | 
| 272MB | (1) 16M x 64 | (1) 16M x 64 | (1) 1M x 64 | (1) 1M x 64 | 
| 288MB | (1) 16M x 64 | (1) 16M x 64 | (1) 2M x 64 | (1) 2M x 64 | 
| 320MB | (1) 16M x 64 | (1) 16M x 64 | (1) 4M x 64 | (1) 4M x 64 | 
| 384MB | (1) 16M x 64 | (1) 16M x 64 | (1) 16M x 64 | None | 
| 512MB | (1) 16M x 64 | (1) 16M x 64 | (1) 16M x 64 | (1) 16M x 64 | 
| Note: Board accepts EDO & SDRAM memory. | ||||
| CACHE CONFIGURATION | 
| Note: 256KB/512KB cache is located on the Pentium II CPU. | 
| CPU SPEED SELECTION | |||||
| CPU speed | Clock speed | Multiplier | JFS0 | JFS1 | JP5 | 
| 233MHz | 66MHz | 3.5x | 1 & 2 | 1 & 2 | 1 & 2, 7 & 8 | 
| 240MHz | 60MHz | 4x | 2 & 3 | 1 & 2 | 1 & 2, 3 & 4, 5 & 6 | 
| 266MHz | 66MHz | 4x | 1 & 2 | 1 & 2 | 1 & 2, 3 & 4, 5 & 6 | 
| 270MHz | 60MHz | 4.5x | 2 & 3 | 1 & 2 | 1 & 2, 5 & 6 | 
| 300MHz | 66MHz | 4.5x | 1 & 2 | 1 & 2 | 1 & 2, 5 & 6 | 
| 333MHz | 66MHz | 5x | 1 & 2 | 1 & 2 | 1 & 2, 3 & 4 | 
| 366MHz | 66MHz | 5.5x | 1 & 2 | 1 & 2 | 1 & 2 | 
| Note: Pins designated should be in the closed position. | |||||