SUPERPOWER COMPUTER CO., LTD.
SP-P2LXC
| Device Type | Mainboard | 
| Processor | Pentium II/Celeron | 
| Processor Speed | 166/200/233/266/300/333/366MHz | 
| Chip Set | Intel 440LX | 
| Maximum Onboard Memory | 768MB (EDO & SDRAM supported) | 
| Cache | 0/128/256/512KB (located on the CPU) | 
| BIOS | Award | 
| Dimensions | 305mm x 244mm | 
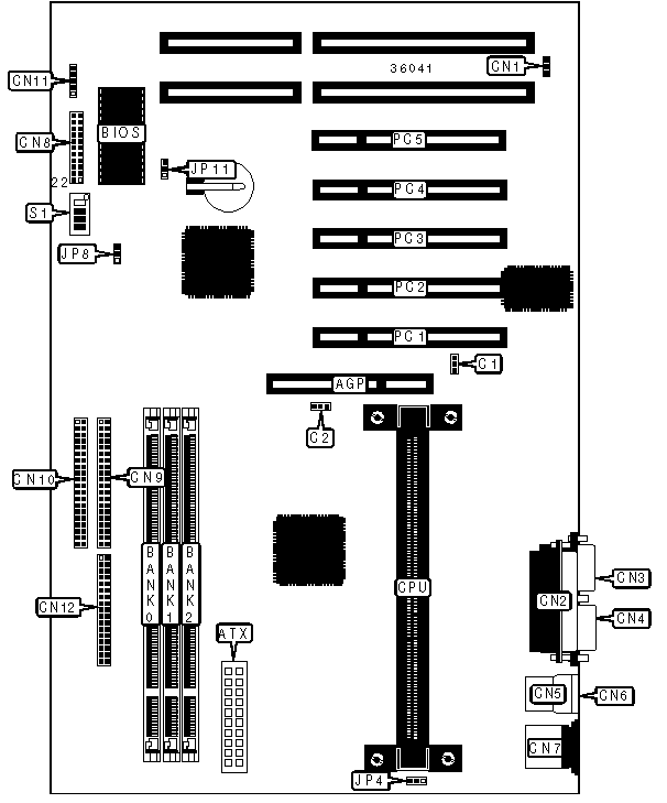
| I/O Options | 32-bit PCI slots (5), floppy drive interface, green PC connector, IDE interfaces (2), parallel port, PS/2 mouse port, serial ports (2), IR connector, USB connectors (2), ATX power connector, AGP slot, wake on LAN connector | 
 
| CONNECTIONS | |||
| Purpose | Location | Purpose | Location | 
| AGP slot | AGP | IDE interface LED | CN8/pins 6 & 17 | 
| ATX power connector | ATX | Green PC connector | CN8/pins 7 & 16 | 
| Chassis fan power | C1 | Reset switch | CN8/pins 8 & 15 | 
| Chassis fan power | C2 | Turbo LED | CN8/pins 9 & 14 | 
| Wake on LAN connector | CN1 | Green PC LED | CN8/pins 10 & 13 | 
| Parallel port | CN2 | Soft off power supply | CN8/pins 11 & 12 | 
| Serial port 2 | CN3 | Speaker | CN8/pins 19 - 22 | 
| Serial port 1 | CN4 | IDE interface 2 | CN9 | 
| USB connector 1 | CN5 | IDE interface 1 | CN10 | 
| USB connector 2 | CN6 | IR connector | CN11 | 
| PS/2 mouse port | CN7 | Floppy drive interface | CN12 | 
| Power LED & keylock | CN8/pins 1 - 5 | 32-bit PCI slots | PC1 - PC5 | 
| USER CONFIGURABLE SETTINGS | |||
| Function | Label | Position | |
| 5v keyboard power enabled | JP4 | Pins 1 & 2 closed | |
| Keyboard wake up enabled | JP4 | Pins 2 & 3 closed | |
| » | CMOS memory normal operation | JP8 | Pins 1 & 2 closed | 
| CMOS memory clear | JP8 | Pins 2 & 3 closed | |
| Flash BIOS voltage select 12v | JP11 | Pins 2 & 3 closed | |
| Flash BIOS voltage select 5v | JP11 | Pins 1 & 2 closed | |
| DIMM CONFIGURATION | |||
| Size | Bank 0 | Bank 1 | Bank 2 | 
| 8MB | (1) 1M x 64 | None | None | 
| 16MB | (1) 2M x 64 | None | None | 
| 16MB | (1) 1M x 64 | (1) 1M x 64 | None | 
| 24MB | (1) 2M x 64 | (1) 1M x 64 | None | 
| 24MB | (1) 1M x 64 | (1) 1M x 64 | (1) 1M x 64 | 
| 32MB | (1) 4M x 64 | None | None | 
| 32MB | (1) 2M x 64 | (1) 1M x 64 | (1) 1M x 64 | 
| 32MB | (1) 2M x 64 | (1) 2M x 64 | None | 
| 40MB | (1) 4M x 64 | (1) 1M x 64 | None | 
| 40MB | (1) 2M x 64 | (1) 2M x 64 | (1) 1M x 64 | 
| 48MB | (1) 4M x 64 | (1) 1M x 64 | (1) 1M x 64 | 
| 48MB | (1) 4M x 64 | (1) 2M x 64 | None | 
| 48MB | (1) 2M x 64 | (1) 2M x 64 | (1) 2M x 64 | 
| 56MB | (1) 4M x 64 | (1) 2M x 64 | (1) 1M x 64 | 
| 64MB | (1) 8M x 64 | None | None | 
| 64MB | (1) 4M x 64 | (1) 2M x 64 | (1) 2M x 64 | 
| 64MB | (1) 4M x 64 | (1) 4M x 64 | None | 
| 72MB | (1) 8M x 64 | (1) 1M x 64 | None | 
| DIMM CONFIGURATION (CON'T) | |||
| Size | Bank 0 | Bank 1 | Bank 2 | 
| 72MB | (1) 4M x 64 | (1) 4M x 64 | (1) 1M x 64 | 
| 80MB | (1) 8M x 64 | (1) 1M x 64 | (1) 1M x 64 | 
| 80MB | (1) 8M x 64 | (1) 2M x 64 | None | 
| 80MB | (1) 4M x 64 | (1) 4M x 64 | (1) 2M x 64 | 
| 88MB | (1) 8M x 64 | (1) 2M x 64 | (1) 1M x 64 | 
| 96MB | (1) 8M x 64 | (1) 2M x 64 | (1) 2M x 64 | 
| 96MB | (1) 8M x 64 | (1) 4M x 64 | None | 
| 96MB | (1) 4M x 64 | (1) 4M x 64 | (1) 4M x 64 | 
| 104MB | (1) 8M x 64 | (1) 4M x 64 | (1) 1M x 64 | 
| 112MB | (1) 8M x 64 | (1) 4M x 64 | (1) 2M x 64 | 
| 128MB | (1) 16M x 64 | None | None | 
| 128MB | (1) 8M x 64 | (1) 4M x 64 | (1) 4M x 64 | 
| 128MB | (1) 8M x 64 | (1) 8M x 64 | None | 
| 136MB | (1) 16M x 64 | (1) 1M x 64 | None | 
| 136MB | (1) 8M x 64 | (1) 8M x 64 | (1) 1M x 64 | 
| 144MB | (1) 16M x 64 | (1) 1M x 64 | (1) 1M x 64 | 
| 144MB | (1) 16M x 64 | (1) 2M x 64 | None | 
| 144MB | (1) 8M x 64 | (1) 8M x 64 | (1) 2M x 64 | 
| 152MB | (1) 16M x 64 | (1) 2M x 64 | (1) 1M x 64 | 
| 160MB | (1) 16M x 64 | (1) 2M x 64 | (1) 2M x 64 | 
| 176MB | (1) 16M x 64 | (1) 4M x 64 | (1) 2M x 64 | 
| 192MB | (1) 16M x 64 | (1) 4M x 64 | (1) 4M x 64 | 
| 192MB | (1) 16M x 64 | (1) 8M x 64 | None | 
| 192MB | (1) 8M x 64 | (1) 8M x 64 | (1) 8M x 64 | 
| 200MB | (1) 16M x 64 | (1) 8M x 64 | (1) 1M x 64 | 
| 208MB | (1) 16M x 64 | (1) 8M x 64 | (1) 2M x 64 | 
| 224MB | (1) 16M x 64 | (1) 8M x 64 | (1) 4M x 64 | 
| 256MB | (1) 32M x 64 | None | None | 
| 256MB | (1) 16M x 64 | (1) 8M x 64 | (1) 8M x 64 | 
| 264MB | (1) 32M x 64 | (1) 1M x 64 | None | 
| 272MB | (1) 32M x 64 | (1) 1M x 64 | (1) 1M x 64 | 
| 272MB | (1) 32M x 64 | (1) 2M x 64 | None | 
| 288MB | (1) 32M x 64 | (1) 2M x 64 | (1) 2M x 64 | 
| 384MB | (1) 32M x 64 | (1) 16M x 64 | None | 
| 384MB | (1) 16M x 64 | (1) 16M x 64 | (1) 16M x 64 | 
| 512MB | (1) 32M x 64 | (1) 16M x 64 | (1) 16M x 64 | 
| 512MB | (1) 32M x 64 | (1) 32M x 64 | None | 
| 768MB | (1) 32M x 64 | (1) 32M x 64 | (1) 32M x 64 | 
| Note: Board accepts EDO & SDRAM memory. | |||
| CACHE CONFIGURATION | 
| Note: 256KB/512KB cache is located on the Pentium II CPU. 128KB cache is located on the Celeron 300A & 333 CPU. | 
| CPU SPEED SELECTION | ||||||
| CPU speed | Clock speed | Multiplier | S1/1 | S1/2 | S1/3 | S1/4 | 
| 166MHz | 66MHz | 2.5x | Off | On | On | On | 
| 200MHz | 66MHz | 3x | On | Off | On | On | 
| 233MHz | 66MHz | 3.5x | Off | Off | On | On | 
| 266MHz | 66MHz | 4x | On | On | Off | On | 
| 300MHz | 66MHz | 4.5x | Off | On | Off | On | 
| 333MHz | 66MHz | 5x | On | Off | Off | On | 
| 366MHz | 66MHz | 5.5x | Off | Off | Off | On |