SIEMENS NIXDORF
SYSTEM BOARD D1097
|
Device Type |
Mainboard |
|
Processor |
Pentium II |
|
Processor Speed |
Unidentified |
|
Chip Set |
Unidentified |
|
Video Chip Set |
Cirrus Logic |
|
Maximum Onboard Memory |
768MB (SDRAM supported) |
|
Maximum Video Memory |
2MB |
|
Cache |
256/512KB (located on Pentium II CPU) |
|
BIOS |
Unidentified |
|
Dimensions |
305mm x 244mm |
|
I/O Options |
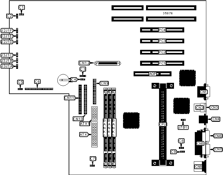
32-bit PCI slots (4), Ethernet 10BaseT connector, floppy drive interface, green PC connector, IDE interfaces (2), Wide SCSI interface, parallel port, PS/2 mouse port, serial ports (2), VGA port, wake on LAN connector |
|
CONNECTIONS | |||
|
Purpose |
Location |
Purpose |
Location |
|
AGP slot |
AGP |
Chassis fan power |
C8 |
|
ATX power connector |
ATX |
Chassis intrusion connector |
C9 |
|
Auxiliary ATX power connector |
ATX1 |
VGA port |
CN1 |
|
IMB connector |
C1 |
USB connector 1 |
CN2 |
|
Chassis fan power |
C2 |
USB connector 2 |
CN3 |
|
IDE interface LED |
C3 |
Ethernet 10BaseT connector |
CN4 |
|
Wake on LAN connector |
C4 |
Parallel port |
CN5 |
|
Chassis fan power |
C5 |
Serial port |
CN6 |
|
Soft off power supply |
C6/pins 1 – 3 |
Serial port |
CN7 |
|
IDE interface LED |
C6/pins 4 - 7 |
PS/2 mouse port |
CN8 |
|
Speaker |
C6/pins 8 - 11 |
Floppy drive interface |
CN9 |
|
Power LED |
C6/pins 12 – 14 |
IDE interface 2 |
CN10 |
|
Reset switch |
C6/pins 16 & 17 |
IDE interface 1 |
CN11 |
|
Green PC connector |
C6/pins 18 & 19 |
Wide SCSI interface |
CN12 |
|
Chassis fan power |
C7 |
32-bit PCI slots |
PC1 – PC4 |
|
USER CONFIGURABLE SETTINGS | |||
|
Function |
Label |
Position | |
|
» |
BIOS normal operation |
J2J1D |
Pins 1 & 2 closed |
|
BIOS recovery mode |
J2J1D |
Pins 2 & 3 closed | |
|
» |
Password normal operation |
J2J1E |
Pins 1 & 2 closed |
|
Password clear |
J2J1E |
Pins 2 & 3 closed | |
|
» |
CMOS memory normal operation |
J2J1F |
Pins 1 & 2 closed |
|
CMOS memory clear |
J2J1F |
Pins 2 & 3 closed | |
|
» |
BMC boot block write protect enabled |
J3J1A |
Pins 1 & 2 closed |
|
BMC boot block write protect disabled |
J3J1A |
Pins 2 & 3 closed | |
|
» |
System boot normal |
J3J1B |
Pins 1 & 2 closed |
|
System boot through firmware |
J3J1B |
Pins 2 & 3 closed | |
|
» |
BIOS boot block write protect enabled |
J3J1C |
Pins 1 & 2 closed |
|
BIOS boot block write protect disabled |
J3J1C |
Pins 2 & 3 closed | |
|
» |
Wake on LAN disabled |
J7B1 |
Pins 1 & 2 closed |
|
Wake on LAN enabled |
J7B1 |
Pins 2 & 3 closed | |
|
DIMM CONFIGURATION | |||
|
Size |
Bank 0 |
Bank 1 |
Bank 2 |
|
8MB |
(1) 1M x 64 |
None |
None |
|
16MB |
(1) 1M x 64 |
(1) 1M x 64 |
None |
|
16MB |
(1) 2M x 64 |
None |
None |
|
24MB |
(1) 1M x 64 |
(1) 1M x 64 |
(1) 1M x 64 |
|
32MB |
(1) 2M x 64 |
(1) 2M x 64 |
None |
|
32MB |
(1) 4M x 64 |
None |
None |
|
48MB |
(1) 2M x 64 |
(1) 2M x 64 |
(1) 2M x 64 |
|
64MB |
(1) 4M x 64 |
(1) 4M x 64 |
None |
|
64MB |
(1) 8M x 64 |
None |
None |
|
96MB |
(1) 4M x 64 |
(1) 4M x 64 |
(1) 4M x 64 |
|
128MB |
(1) 8M x 64 |
(1) 8M x 64 |
None |
|
128MB |
(1) 16M x 64 |
None |
None |
|
164MB |
(1) 16M x 64 |
(1) 1M x 64 |
None |
|
144MB |
(1) 16M x 64 |
(1) 1M x 64 |
(1) 1M x 64 |
|
144MB |
(1) 16M x 64 |
(1) 2M x 64 |
None |
|
160MB |
(1) 16M x 64 |
(1) 2M x 64 |
(1) 2M x 64 |
|
160MB |
(1) 16M x 64 |
(1) 4M x 64 |
None |
|
192MB |
(1) 16M x 64 |
(1) 4M x 64 |
(1) 4M x 64 |
|
192MB |
(1) 16M x 64 |
(1) 8M x 64 |
None |
|
192MB |
(1) 8M x 64 |
(1) 8M x 64 |
(1) 8M x 64 |
|
256MB |
(1) 16M x 64 |
(1) 8M x 64 |
(1) 8M x 64 |
|
256MB |
(1) 16M x 64 |
(1) 16M x 64 |
None |
|
256MB |
(1) 32M x 64 |
None |
None |
|
264MB |
(1) 32M x 64 |
(1) 1M x 64 |
None |
|
272MB |
(1) 32M x 64 |
(1) 1M x 64 |
(1) 1M x 64 |
|
288MB |
(1) 32M x 64 |
(1) 2M x 64 |
(1) 2M x 64 |
|
288MB |
(1) 32M x 64 |
(1) 4M x 64 |
None |
|
320MB |
(1) 32M x 64 |
(1) 4M x 64 |
(1) 4M x 64 |
|
320MB |
(1) 32M x 64 |
(1) 8M x 64 |
None |
|
384MB |
(1) 32M x 64 |
(1) 8M x 64 |
(1) 8M x 64 |
|
384MB |
(1) 32M x 64 |
(1) 16M x 64 |
None |
|
384MB |
(1) 16M x 64 |
(1) 16M x 64 |
(1) 16M x 64 |
|
512MB |
(1) 32M x 64 |
(1) 16M x 64 |
(1) 16M x 64 |
|
512MB |
(1) 32M x 64 |
(1) 32M x 64 |
None |
|
768MB |
(1) 32M x 64 |
(1) 32M x 64 |
(1) 32M x 64 |
|
Note: Board accepts SDRAM memory. | |||
|
CACHE CONFIGURATION |
|
Note: 256KB/512KB cache is located on the Pentium II CPU. |
|
VIDEO MEMORY CONFIGURATION |
|
Note: The location of the video memory is unidentified. |