SUPER MICRO
SUPER P6DGU
| Device Type | Mainboard | 
| Processor | Pentium II (2) | 
| Processor Speed | 233/266/300/333/350/400/450MHz | 
| Chip Set | Intel 440GX | 
| Maximum Onboard Memory | 2GB (SDRAM supported) | 
| Cache | 256/512KB (located on the Pentium II CPU) | 
| BIOS | AMI | 
| Dimensions | 305mm x 244mm | 
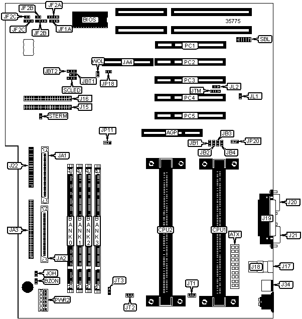
| I/O Options (backplane) | 32-bit PCI slots (4), floppy drive interface, IDE interfaces (2), Wide Ultra SCSI interface, Wide SCSI interface (2), parallel port, PS/2 mouse port, serial ports (2), IR connector, USB connectors (2), ATX power connector, AGP slot, SB link connector | 
 
| CONNECTIONS | |||
| Purpose | Location | Purpose | Location | 
| AGP slot | AGP | Power LED & keylock | JF1B | 
| ATX power connector | ATX | Speaker | JF1C | 
| IDE interface 1 | J15 | IR connector | JF2A | 
| IDE interface 2 | J16 | Power switch | JF2B | 
| USB connector 1 | J17 | Reset switch | JF2C | 
| USB connector 2 | J18 | Chassis intrusion | JL1 | 
| Parallel port | J19 | Overheat LED | JOH | 
| Serial port 1 | J20 | CPU fan power | JT1 | 
| Serial port 2 | J21 | CPU fan power | JT2 | 
| Floppy drive interface | J22 | Chassis fan power | JT3 | 
| PS/2 mouse port | J34 | 32-bit PCI slots | PC1 - PC4 | 
| Ultra2 SCSI LVD/SE interface | JA1 | Secondary power connector | PWR2 | 
| Ultra Wide SCSI interface | JA2 | SB link | SBL | 
| Ultra SCSI interface | JA3 | SCSI LED | SCLED | 
| RAID slot | JA4 | Wake on LAN | WOL | 
| IDE interface LED | JF1A | ||
| USER CONFIGURABLE SETTINGS | |||
| Function | Label | Position | |
| » | Factory configured - do not alter | JP18 | Unidentified | 
| » | Factory configured - do not alter | JL2 | Unidentified | 
| » | Factory configured - do not alter | JAS | Unidentified | 
| » | Factory configured - do not alter | JAM | Unidentified | 
| » | Pentium II CTL PD state | JP20 | Pins 1 & 2 closed | 
| BIOS CTL PD state | JP20 | Pins 2 & 3 closed | |
| » | CMOS memory normal operation | JBT1 | Pins 1 & 2 closed | 
| CMOS memory clear | JBT1 | Pins 2 & 3 closed | |
| Onboard buzzer enabled | BZON | Closed | |
| Onboard buzzer disabled | BZON | Open | |
| SCSI termination enabled | STERM | Closed | |
| SCSI termination disabled | STERM | Open | |
| DIMM CONFIGURATION | ||||
| Size | Bank 0 | Bank 1 | Bank 2 | Bank 3 | 
| 8MB | 1MB x 64 | None | None | None | 
| 16MB | 1MB x 64 | 1MB x 64 | None | None | 
| 16MB | 2MB x 64 | None | None | None | 
| 24MB | 1MB x 64 | 1MB x 64 | 1MB x 64 | None | 
| 32MB | 1MB x 64 | 1MB x 64 | 1MB x 64 | 1MB x 64 | 
| 32MB | 2MB x 64 | 2MB x 64 | None | None | 
| 32MB | 4MB x 64 | None | None | None | 
| 40MB | 2MB x 64 | 2MB x 64 | 1MB x 64 | None | 
| 48MB | 2MB x 64 | 2MB x 64 | 2MB x 64 | None | 
| 64MB | 2MB x 64 | 2MB x 64 | 2MB x 64 | 2MB x 64 | 
| 64MB | 4MB x 64 | 4MB x 64 | None | None | 
| 64MB | 8MB x 64 | None | None | None | 
| 88MB | 4MB x 64 | 4MB x 64 | 2MB x 64 | 1MB x 64 | 
| 96MB | 4MB x 64 | 4MB x 64 | 4MB x 64 | None | 
| 112MB | 4MB x 64 | 4MB x 64 | 4MB x 64 | 2MB x 64 | 
| 128MB | 4MB x 64 | 4MB x 64 | 4MB x 64 | 4MB x 64 | 
| 128MB | 8MB x 64 | 8MB x 64 | None | None | 
| 128MB | 16MB x 64 | None | None | None | 
| 176MB | 8MB x 64 | 8MB x 64 | 4MB x 64 | 2MB x 64 | 
| 192MB | 8MB x 64 | 8MB x 64 | 8MB x 64 | None | 
| 224MB | 8MB x 64 | 8MB x 64 | 8MB x 64 | 4MB x 64 | 
| 256MB | 8MB x 64 | 8MB x 64 | 8MB x 64 | 8MB x 64 | 
| 256MB | 16MB x 64 | 16MB x 64 | None | None | 
| 256MB | 32MB x 64 | None | None | None | 
| 352 MB | 16MB x 64 | 16MB x 64 | 8MB x 64 | 4MB x 64 | 
| 384MB | 16MB x 64 | 16MB x 64 | 16MB x 64 | None | 
| 448 MB | 16MB x 64 | 16MB x 64 | 16MB x 64 | 8MB x 64 | 
| 512MB | 16MB x 64 | 16MB x 64 | 16MB x 64 | 16MB x 64 | 
| 512MB | 32MB x 64 | 32MB x 64 | None | None | 
| 512MB | 64MB x 64 | None | None | None | 
| 704 MB | 32MB x 64 | 32MB x 64 | 16MB x 64 | 8MB x 64 | 
| 768MB | 32MB x 64 | 32MB x 64 | 32MB x 64 | None | 
| 896 MB | 32MB x 64 | 32MB x 64 | 32MB x 64 | 16MB x 64 | 
| 1024MB | 32MB x 64 | 32MB x 64 | 32MB x 64 | 32MB x 64 | 
| 1024MB | 64MB x 64 | 64MB x 64 | None | None | 
| 1408 MB | 64MB x 64 | 64MB x 64 | 32MB x 64 | 16MB x 64 | 
| 1536MB | 64MB x 64 | 64MB x 64 | 64MB x 64 | None | 
| 1792 MB | 64MB x 64 | 64MB x 64 | 64MB x 64 | 32MB x 64 | 
| 2048MB | 64MB x 64 | 64MB x 64 | 64MB x 64 | 64MB x 64 | 
| CACHE CONFIGURATION | 
| Note: The 256/512KB cache memory is located on the Pentium II CPU. | 
| CPU SPEED SELECTION (PENTIUM II) | |||||
| CPU speed | Clock speed | Multiplier | JB1 | JB2 | JB3 | 
| 233MHz | 66MHz | 3.5x | Open | Open | Closed | 
| 266MHz | 66MHz | 4x | Closed | Closed | Open | 
| 300MHz | 66MHz | 4.5x | Open | Closed | Open | 
| 333MHz | 66MHz | 5x | Closed | Open | Open | 
| 350MHz | 100MHz | 3.5x | Open | Open | Closed | 
| 400MHz | 100MHz | 4x | Closed | Closed | Open | 
| 450MHz | 100MHz | 4.5x | Open | Closed | Open | 
| CPU SPEED SELECTION (PENTIUM II CONT’) | ||||
| CPU speed | Clock speed | Multiplier | JB4 | JP11 | 
| 233MHz | 66MHz | 3.5x | Closed | Pins 2 & 3 closed | 
| 266MHz | 66MHz | 4x | Closed | Pins 2 & 3 closed | 
| 300MHz | 66MHz | 4.5x | Closed | Pins 2 & 3 closed | 
| 333MHz | 66MHz | 5x | Closed | Pins 2 & 3 closed | 
| 350MHz | 100MHz | 3.5x | Closed | Open | 
| 400MHz | 100MHz | 4x | Closed | Open | 
| 450MHz | 100MHz | 4.5x | Closed | Open |