SIEMENS NIXDORF
SYSTEM BOARD VL-601
| Device Type | Mainboard | 
| Processor | Pentium II | 
| Processor Speed | 233/266/300/333MHz | 
| Chip Set | Intel 440LX | 
| Video Chip Set | None | 
| Maximum Onboard Memory | 384MB (EDO & SDRAM supported) | 
| Maximum Video Memory | None | 
| Cache | 256/512KB (located on Pentium II CPU) | 
| BIOS | AMI | 
| Dimensions | 305mm x 244mm | 
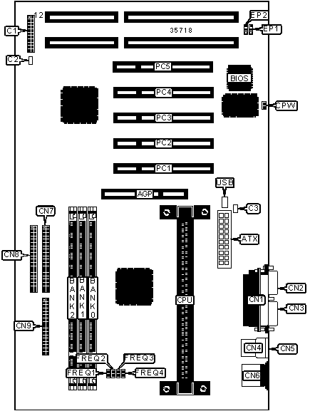
| I/O Options | 32-bit PCI slots (5), floppy drive interface, green PC connector, IDE interfaces (2), parallel port, PS/2 mouse port, serial ports (2), USB connectors (3), ATX power connector, AGP slot | 
 
| CONNECTIONS | |||
| Purpose | Location | Purpose | Location | 
| AGP slot | AGP | Parallel port | CN1 | 
| ATX power connector | ATX | Serial port 2 | CN2 | 
| Power LED & keylock | C1/pins 1 – 5 | Serial port 1 | CN3 | 
| Turbo LED | C1/pins 6 & 7 | USB connector 1 | CN4 | 
| Green PC connector | C1/pins 8 & 9 | USB connector 2 | CN5 | 
| Green PC LED | C1/pins 10 & 11 | PS/2 mouse port | CN6 | 
| Speaker | C1/pins 12 – 15 | IDE interface 2 | CN7 | 
| IDE interface LED | C1/pins 16 & 17 | IDE interface 1 | CN8 | 
| Soft off power supply | C1/pins 18 & 19 | Floppy drive interface | CN9 | 
| Reset switch | C1/pins 20 & 21 | 32-bit PCI slots | PC1 – PC5 | 
| Chassis fan power | C2 | USB connector (optional) | USB | 
| CPU fan power | C3 | ||
| USER CONFIGURABLE SETTINGS | |||
| Function | Label | Position | |
| » | Password disabled | CPW | Open | 
| Password enabled | CPW | Closed | |
| DIMM CONFIGURATION | |||
| Size | Bank 0 | Bank 1 | Bank 2 | 
| 8MB | (1) 1M x 64 | None | None | 
| 16MB | (1) 2M x 64 | None | None | 
| 16MB | (1) 1M x 64 | (1) 1M x 64 | None | 
| 24MB | (1) 2M x 64 | (1) 1M x 64 | None | 
| 24MB | (1) 1M x 64 | (1) 1M x 64 | (1) 1M x 64 | 
| 32MB | (1) 4M x 64 | None | None | 
| 32MB | (1) 2M x 64 | (1) 1M x 64 | (1) 1M x 64 | 
| 32MB | (1) 2M x 64 | (1) 2M x 64 | None | 
| 40MB | (1) 4M x 64 | (1) 1M x 64 | None | 
| 40MB | (1) 2M x 64 | (1) 2M x 64 | (1) 1M x 64 | 
| 48MB | (1) 4M x 64 | (1) 1M x 64 | (1) 1M x 64 | 
| 48MB | (1) 4M x 64 | (1) 2M x 64 | None | 
| 48MB | (1) 2M x 64 | (1) 2M x 64 | (1) 2M x 64 | 
| 56MB | (1) 4M x 64 | (1) 2M x 64 | (1) 1M x 64 | 
| 64MB | (1) 8M x 64 | None | None | 
| DIMM CONFIGURATION (CON’T) | |||
| Size | Bank 0 | Bank 1 | Bank 2 | 
| 64MB | (1) 4M x 64 | (1) 2M x 64 | (1) 2M x 64 | 
| 64MB | (1) 4M x 64 | (1) 4M x 64 | None | 
| 72MB | (1) 8M x 64 | (1) 1M x 64 | None | 
| 72MB | (1) 4M x 64 | (1) 4M x 64 | (1) 1M x 64 | 
| 80MB | (1) 8M x 64 | (1) 1M x 64 | (1) 1M x 64 | 
| 80MB | (1) 8M x 64 | (1) 2M x 64 | None | 
| 80MB | (1) 4M x 64 | (1) 4M x 64 | (1) 2M x 64 | 
| 88MB | (1) 8M x 64 | (1) 2M x 64 | (1) 1M x 64 | 
| 96MB | (1) 8M x 64 | (1) 2M x 64 | (1) 2M x 64 | 
| 96MB | (1) 8M x 64 | (1) 4M x 64 | None | 
| 96MB | (1) 4M x 64 | (1) 4M x 64 | (1) 4M x 64 | 
| 104MB | (1) 8M x 64 | (1) 4M x 64 | (1) 1M x 64 | 
| 112MB | (1) 8M x 64 | (1) 4M x 64 | (1) 2M x 64 | 
| 128MB | (1) 16M x 64 | None | None | 
| 128MB | (1) 8M x 64 | (1) 4M x 64 | (1) 4M x 64 | 
| 128MB | (1) 8M x 64 | (1) 8M x 64 | None | 
| 136MB | (1) 16M x 64 | (1) 1M x 64 | None | 
| 136MB | (1) 8M x 64 | (1) 8M x 64 | (1) 1M x 64 | 
| 144MB | (1) 16M x 64 | (1) 1M x 64 | (1) 1M x 64 | 
| 144MB | (1) 16M x 64 | (1) 2M x 64 | None | 
| 144MB | (1) 8M x 64 | (1) 8M x 64 | (1) 2M x 64 | 
| 152MB | (1) 16M x 64 | (1) 2M x 64 | (1) 1M x 64 | 
| 160MB | (1) 16M x 64 | (1) 2M x 64 | (1) 2M x 64 | 
| 160MB | (1) 16M x 64 | (1) 4M x 64 | None | 
| 160MB | (1) 8M x 64 | (1) 8M x 64 | (1) 4M x 64 | 
| 168MB | (1) 16M x 64 | (1) 4M x 64 | (1) 1M x 64 | 
| 176MB | (1) 16M x 64 | (1) 4M x 64 | (1) 2M x 64 | 
| 192MB | (1) 16M x 64 | (1) 4M x 64 | (1) 4M x 64 | 
| 192MB | (1) 16M x 64 | (1) 8M x 64 | None | 
| 192MB | (1) 8M x 64 | (1) 8M x 64 | (1) 8M x 64 | 
| 200MB | (1) 16M x 64 | (1) 8M x 64 | (1) 1M x 64 | 
| 208MB | (1) 16M x 64 | (1) 8M x 64 | (1) 2M x 64 | 
| 224MB | (1) 16M x 64 | (1) 8M x 64 | (1) 4M x 64 | 
| 256MB | (1) 16M x 64 | (1) 8M x 64 | (1) 8M x 64 | 
| 384MB | (1) 16M x 64 | (1) 16M x 64 | (1) 16M x 64 | 
| Note: Board accepts EDO & SDRAM memory. | |||
| CACHE CONFIGURATION | 
| Note: 256KB/512KB cache is located on the Pentium II CPU. | 
| CPU SPEED SELECTION | ||||||
| CPU speed | Clock speed | Multiplier | FREQ1 | FREQ2 | FREQ3 | FREQ4 | 
| 233MHz | 66MHz | 3.5x | Open | Open | Closed | Closed | 
| 266MHz | 66MHz | 4x | Closed | Closed | Open | Closed | 
| 300MHz | 66MHz | 4.5x | Open | Closed | Open | Closed | 
| 333MHz | 66MHz | 5x | Closed | Open | Open | Closed | 
| FLASH BIOS SELECTION | ||
| Type | EP1 | EP2 | 
| AMD AM29F002T | Pins 2 & 3 closed | Pins 2 & 3 closed | 
| ATMEL AT29C010A | Pins 2 & 3 closed | Open | 
| ATMEL AT29C020 | Pins 2 & 3 closed | Pins 2 & 3 closed | 
| Intel 28F001 | Pins 1 & 2 closed | Pins 1 & 2 closed | 
| MXIC MX28F2000P | Pins 1 & 2 closed | Pins 2 & 3 closed | 
| SST 29EE020 | Pins 2 & 3 closed | Pins 2 & 3 closed | 
| SST 29EE10 | Pins 2 & 3 closed | Open |