TRIGEM MICROSYSTEMS, INC.
LN625
| Device Type | Mainboard | 
| Processor | Pentium II | 
| Processor Speed | 233/266/300/333MHz | 
| Chip Set | Intel 440LX | 
| Video Chip Set | None | 
| Maximum Onboard Memory | 384MB (EDO & SDRAM supported) | 
| Maximum Video Memory | None | 
| Cache | 512KB (located on Pentium II CPU) | 
| BIOS | Unidentified | 
| Dimensions | 305mm x 244mm | 
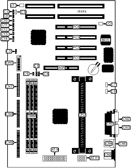
| I/O Options | 32-bit PCI slots (4), green PC connector, floppy drive interface, IDE interfaces (2), parallel port, PS/2 mouse port, serial ports (2), IR connector, USB connectors (2), ATX power connector, AGP slot | 
 
| CONNECTIONS | |||
| Purpose | Location | Purpose | Location | 
| AGP slot | AGP | Reset switch | C12 | 
| ATX power connector | ATX | Green PC connector | C13 | 
| ATX auxiliary power | ATX1 | Speaker | C14 | 
| Chassis fan power | C1 | Parallel port | CN1 | 
| Power LED | C2 | Serial port 2 | CN2 | 
| Chassis fan power | C3 | Serial port 1 | CN3 | 
| Chassis fan power | C4 | USB connector 1 | CN4 | 
| Wake on ring connector | C5 | USB connector 2 | CN5 | 
| Chassis security connector | C6 | PS/2 mouse port | CN6 | 
| Wake on LAN connector | C7 | Floppy drive interface | CN7 | 
| IR connector | C8 | IDE interface 1 | CN8 | 
| IDE interface LED | C9 | IDE interface 2 | CN9 | 
| Soft off power supply | C10 | 32-bit PCI slots | PC1 – PC4 | 
| Keylock | C11 | ||
| USER CONFIGURABLE SETTINGS | |||
| Function | Label | Position | |
| » | Factory configured - do not alter | J1 | Unidentified | 
| » | Factory configured - do not alter | J2 | Unidentified | 
| Floppy drive write protect disabled | SW1/1 | Off | |
| Floppy drive write protect enabled | SW1/1 | On | |
| Setup access enabled | SW1/2 | Off | |
| Setup access disabled | SW1/2 | On | |
| Password enabled | SW1/3 | Off | |
| Password disabled | SW1/3 | On | |
| » | CMOS memory normal operation | SW1/4 | Off | 
| CMOS memory clear | SW1/4 | On | |
| DIMM CONFIGURATION | |||
| Size | Bank 0 | Bank 1 | Bank 2 | 
| 8MB | (1) 1M x 64 | None | None | 
| 16MB | (1) 2M x 64 | None | None | 
| 16MB | (1) 1M x 64 | (1) 1M x 64 | None | 
| 24MB | (1) 2M x 64 | (1) 1M x 64 | None | 
| 24MB | (1) 1M x 64 | (1) 1M x 64 | (1) 1M x 64 | 
| 32MB | (1) 4M x 64 | None | None | 
| DIMM CONFIGURATION (CON’T) | |||
| Size | Bank 0 | Bank 1 | Bank 2 | 
| 32MB | (1) 2M x 64 | (1) 1M x 64 | (1) 1M x 64 | 
| 32MB | (1) 2M x 64 | (1) 2M x 64 | None | 
| 40MB | (1) 4M x 64 | (1) 1M x 64 | None | 
| 40MB | (1) 2M x 64 | (1) 2M x 64 | (1) 1M x 64 | 
| 48MB | (1) 4M x 64 | (1) 1M x 64 | (1) 1M x 64 | 
| 48MB | (1) 4M x 64 | (1) 2M x 64 | None | 
| 48MB | (1) 2M x 64 | (1) 2M x 64 | (1) 2M x 64 | 
| 56MB | (1) 4M x 64 | (1) 2M x 64 | (1) 1M x 64 | 
| 64MB | (1) 8M x 64 | None | None | 
| 64MB | (1) 4M x 64 | (1) 2M x 64 | (1) 2M x 64 | 
| 64MB | (1) 4M x 64 | (1) 4M x 64 | None | 
| 72MB | (1) 8M x 64 | (1) 1M x 64 | None | 
| 72MB | (1) 4M x 64 | (1) 4M x 64 | (1) 1M x 64 | 
| 80MB | (1) 8M x 64 | (1) 1M x 64 | (1) 1M x 64 | 
| 80MB | (1) 8M x 64 | (1) 2M x 64 | None | 
| 80MB | (1) 4M x 64 | (1) 4M x 64 | (1) 2M x 64 | 
| 88MB | (1) 8M x 64 | (1) 2M x 64 | (1) 1M x 64 | 
| 96MB | (1) 8M x 64 | (1) 2M x 64 | (1) 2M x 64 | 
| 96MB | (1) 8M x 64 | (1) 4M x 64 | None | 
| 96MB | (1) 4M x 64 | (1) 4M x 64 | (1) 4M x 64 | 
| 104MB | (1) 8M x 64 | (1) 4M x 64 | (1) 1M x 64 | 
| 112MB | (1) 8M x 64 | (1) 4M x 64 | (1) 2M x 64 | 
| 128MB | (1) 16M x 64 | None | None | 
| 128MB | (1) 8M x 64 | (1) 4M x 64 | (1) 4M x 64 | 
| 128MB | (1) 8M x 64 | (1) 8M x 64 | None | 
| 136MB | (1) 16M x 64 | (1) 1M x 64 | None | 
| 136MB | (1) 8M x 64 | (1) 8M x 64 | (1) 1M x 64 | 
| 144MB | (1) 16M x 64 | (1) 1M x 64 | (1) 1M x 64 | 
| 144MB | (1) 16M x 64 | (1) 2M x 64 | None | 
| 144MB | (1) 8M x 64 | (1) 8M x 64 | (1) 2M x 64 | 
| 152MB | (1) 16M x 64 | (1) 2M x 64 | (1) 1M x 64 | 
| 160MB | (1) 16M x 64 | (1) 2M x 64 | (1) 2M x 64 | 
| 160MB | (1) 16M x 64 | (1) 4M x 64 | None | 
| DIMM CONFIGURATION (CON’T) | |||
| Size | Bank 0 | Bank 1 | Bank 2 | 
| 160MB | (1) 8M x 64 | (1) 8M x 64 | (1) 4M x 64 | 
| 168MB | (1) 16M x 64 | (1) 4M x 64 | (1) 1M x 64 | 
| 176MB | (1) 16M x 64 | (1) 4M x 64 | (1) 2M x 64 | 
| 192MB | (1) 16M x 64 | (1) 4M x 64 | (1) 4M x 64 | 
| 192MB | (1) 16M x 64 | (1) 8M x 64 | None | 
| 192MB | (1) 8M x 64 | (1) 8M x 64 | (1) 8M x 64 | 
| 200MB | (1) 16M x 64 | (1) 8M x 64 | (1) 1M x 64 | 
| 208MB | (1) 16M x 64 | (1) 8M x 64 | (1) 2M x 64 | 
| 224MB | (1) 16M x 64 | (1) 8M x 64 | (1) 4M x 64 | 
| 256MB | (1) 16M x 64 | (1) 8M x 64 | (1) 8M x 64 | 
| 384MB | (1) 16M x 64 | (1) 16M x 64 | (1) 16M x 64 | 
| Note: Board accepts EDO & SDRAM memory. | |||
| CACHE CONFIGURATION | 
| Note: 256KB/512KB cache is located on the Pentium II CPU. | 
| CPU SPEED SELECTION | ||||||
| CPU speed | Clock speed | Multiplier | SW1/5 | SW1/6 | SW1/7 | SW1/8 | 
| 233MHz | 66MHz | 3.5x | On | Off | Off | On | 
| 266MHz | 66MHz | 4x | Off | On | On | On | 
| 300MHz | 66MHz | 4.5x | Off | On | Off | On | 
| 333MHz | 66MHz | 5x | Off | Off | On | On |