SOLTEK COMPUTER, INC.
SL-67A
| Device Type | Mainboard | 
| Processor | Pentium II/Deschutes | 
| Processor Speed | 233/266/300/333/350/400/450/500MHz | 
| Chip Set | Intel 440BX | 
| Maximum Onboard Memory | 768MB (EDO & SDRAM supported) | 
| Cache | 256/512KB | 
| BIOS | Award | 
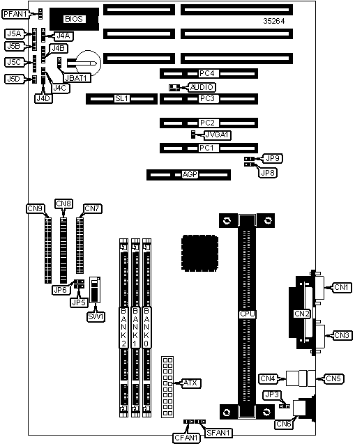
| I/O Options | 32-bit PCI slots (4), floppy drive interface, IDE interfaces (2), parallel port, PS/2 mouse port, serial ports (2), green PC connector, USB connectors (2), AGP slot, RAID slot, IR connector, ATX power connector | 
| Dimensions | 305mm x 220mm | 
 
| CONNECTIONS | |||
| Purpose | Location | Purpose | Location | 
| AGP slot | AGP | Chassis fan | PFAN1 | 
| ATX power connector | ATX | Power fan | SFAN1 | 
| SoundBlast PCI socket | AUDIO | IDE interface LED | J4A | 
| Serial port 2 | CN1 | IR connector | J4B | 
| Parallel port | CN2 | Power switch | J4C | 
| Serial port 1 | CN3 | Green PC switch | J4D | 
| USB connector 2 | CN4 | Speaker | J5A | 
| USB connector 1 | CN5 | Reset switch | J5B | 
| PS/2 mouse port | CN6 | Power LED & keylock | J5C | 
| Floppy drive interface | CN7 | Green PC LED | J5D | 
| IDE interface 2 | CN8 | 32-bit PCI slots | PC1 - PC4 | 
| IDE interface 1 | CN9 | RAID slot | SL1 | 
| CPU fan | CFAN1 | ||
| USER CONFIGURABLE SETTINGS | |||
| Function | Label | Position | |
| » | CMOS normal operation | JBAT1 | Pins 1 & 2 closed | 
| CMOS clear | JBAT1 | Pins 2 & 3 closed | |
| » | Keyboard power on enabled | JP3 | Pins 2 & 3 closed | 
| Keyboard power on disabled | JP3 | Pins 1 & 2 closed | |
| » | Normal VGA card | JVGA1 | Closed | 
| Special VGA card | JVGA1 | Open | |
| DIP SWITCH/JUMPERLESS SELECTION | |||
| CPU Clock Setting | JP5 | JP6 | |
| » | DIP SW1 enabled | Pins 2 & 3 closed | Pins 2 & 3 closed | 
| BIOS setting enabled | Pins 1 & 2 closed | Pins 1 & 2 closed | |
| USB PORT SELECTION | |||
| USB Port | JP8 | JP9 | |
| » | Redirect all USB ports to USB connector | Pins 1 & 2 closed | Pins 1 & 2 closed | 
| Redirect USB1 to AGP port | Pins 2 & 3 closed | Pins 2 & 3 closed | |
| DRAM CONFIGURATION | |||
| Size | Bank 0 | Bank 1 | Bank 2 | 
| 8MB | (2) 1MB x 36 | None | None | 
| 16MB | (2) 1MB x 36 | (1) 1MB x 64 | None | 
| 16MB | (2) 2MB x 36 | None | None | 
| 24MB | (2) 1MB x 36 | (1) 1MB x 64 | (1) 1MB x 64 | 
| 24MB | (2) 2MB x 36 | (1) 1MB x 64 | None | 
| 32MB | (2) 2MB x 36 | (1) 2MB x 64 | None | 
| 32MB | (2) 4MB x 64 | None | None | 
| 40MB | (2) 2MB x 36 | (1) 2MB x 64 | (1) 1MB x 64 | 
| 40MB | (2) 4MB x 36 | (1) 1MB x 64 | None | 
| 48MB | (2) 2MB x 36 | (1) 2MB x 64 | (1) 2MB x 64 | 
| 48MB | (2) 4MB x 36 | (1) 2MB x 64 | None | 
| 64MB | (2) 4MB x 36 | (1) 4MB x 64 | None | 
| 64MB | (2) 8MB x 36 | None | None | 
| 72MB | (2) 4MB x 36 | (1) 4MB x 64 | (1) 1MB x 64 | 
| 72MB | (2) 8MB x 36 | (1) 1MB x 64 | None | 
| 80MB | (2) 4MB x 36 | (1) 4MB x 64 | (1) 2MB x 64 | 
| 80MB | (2) 8MB x 36 | (1) 2MB x 64 | None | 
| 96MB | (2) 4MB x 36 | (1) 4MB x 64 | (1) 4MB x 64 | 
| 96MB | (2) 8MB x 36 | (1) 4MB x 64 | None | 
| 128MB | (2) 8MB x 36 | (1) 8MB x 64 | None | 
| 128MB | (2) 16MB x 36 | None | None | 
| 136MB | (2) 8MB x 36 | (1) 8MB x 64 | (1) 1MB x 64 | 
| 136MB | (2) 16MB x 36 | (1) 1MB x 64 | None | 
| 144MB | (2) 8MB x 36 | (1) 8MB x 64 | (1) 2MB x 64 | 
| 144MB | (2) 16MB x 36 | (1) 2MB x 64 | None | 
| 160MB | (2) 8MB x 36 | (1) 8MB x 64 | (1) 4MB x 64 | 
| 160MB | (2) 16MB x 36 | (1) 4MB x 64 | None | 
| 196MB | (2) 8MB x 36 | (1) 8MB x 64 | (1) 8MB x 64 | 
| 196MB | (2) 16MB x 36 | (1) 8MB x 64 | None | 
| 256MB | (2) 16MB x 36 | (1) 16MB x 64 | None | 
| 256MB | (2) 32MB x 36 | None | None | 
| 264MB | (2) 32MB x 36 | (1) 1MB x 64 | None | 
| 272MB | (2) 32MB x 36 | (1) 2MB x 64 | None | 
| 288MB | (2) 32MB x 36 | (1) 4MB x 64 | None | 
| 320MB | (2) 32MB x 36 | (1) 8MB x 64 | None | 
| 384MB | (2) 32MB x 36 | (1) 16MB x 64 | None | 
| 512MB | (2) 32MB x 36 | (1) 32MB x 64 | None | 
| 520MB | (2) 32MB x 36 | (1) 32MB x 64 | (1) 1MB x 64 | 
| 528MB | (2) 32MB x 36 | (1) 32MB x 64 | (1) 2MB x 64 | 
| 544MB | (2) 32MB x 36 | (1) 32MB x 64 | (1) 4MB x 64 | 
| 576MB | (2) 32MB x 36 | (1) 32MB x 64 | (1) 8MB x 64 | 
| 640MB | (2) 32MB x 36 | (1) 32MB x 64 | (1) 16MB x 64 | 
| 768MB | (2) 32MB x 36 | (1) 32MB x 64 | (1) 32MB x 64 | 
| CACHE CONFIGURATION | 
| Note: 256/512KB cache is located on the Pentium II/Deschutes CPU. | 
| CPU SPEED SELECTION (PENTIUM II) | ||||||||
| CPU Speed | Clock speed | Multiplier | SW1/1 | SW1/2 | SW1/3 | SW1/4 | SW1/5 | SW1/6 | 
| 233MHz | 66MHz | 3.5x | On | Off | Off | On | On | Off | 
| 266MHz | 66MHz | 4x | Off | On | On | On | On | Off | 
| 300MHz | 66MHz | 4.5x | Off | On | Off | On | On | Off | 
| 333MHz | 66MHz | 5x | Off | Off | On | On | On | Off | 
| Note: SW1/5 and SW1/6 control Bus Clock Speed. Default setting is Auto Detect, with SW1/5 Off, and SW1/6 On | ||||||||
| CPU SPEED SELECTION (DESCHUTES) | ||||||||
| CPU Speed | Clock speed | Multiplier | SW1/1 | SW1/2 | SW1/3 | SW1/4 | SW1/5 | SW1/6 | 
| 350MHz | 100MHz | 3.5x | On | Off | Off | On | Off | Off | 
| 400MHz | 100MHz | 4x | Off | On | On | On | Off | Off | 
| 450MHz | 100MHz | 4.5x | Off | On | Off | On | Off | Off | 
| 500MHz | 100MHz | 5x | Off | Off | On | On | Off | Off | 
| Note: SW1/5 and SW1/6 control Bus Clock Speed. Default setting is Auto Detect, with SW1/5 Off, and SW1/6 On | ||||||||