TYAN COMPUTER CORPORATION
S1696DLUA
| Device Type | Mainboard | 
| Processor | Pentium II | 
| Processor Speed | 200/233/266/300/333MHz | 
| Chip Set | Intel | 
| Video Chip Set | None | 
| Maximum Onboard Memory | 1GB (EDO & SDRAM supported) | 
| Maximum Video Memory | None | 
| Cache | 256/512KB (located on Pentium II CPU) | 
| BIOS | AMI | 
| Dimensions | 305mm x 244mm | 
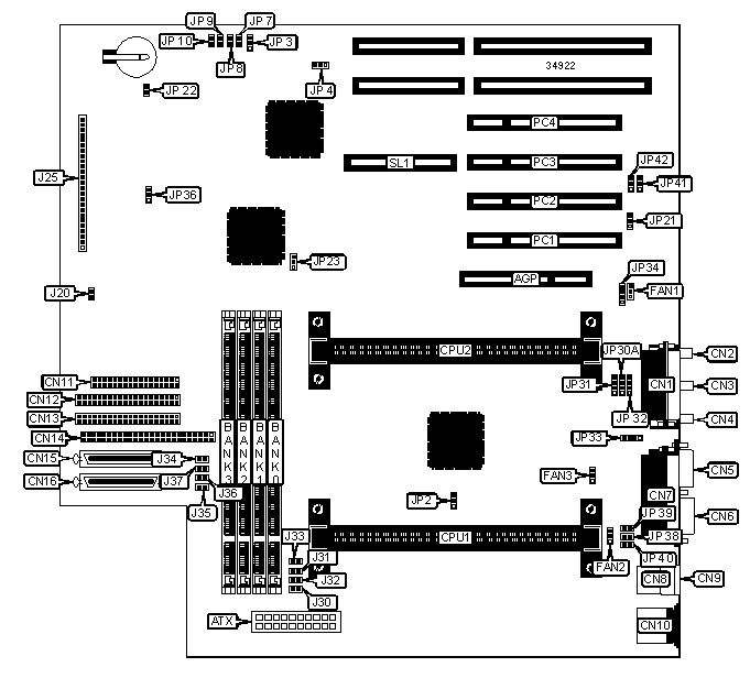
| I/O Options | 32-bit PCI slots (4), floppy drive interface, game port, green PC connector, IDE interfaces (2), SCSI interface, Wide Ultra SCSI interface, parallel port, PS/2 mouse port, serial ports (2), IR connector, USB connectors (2), ATX power connector, AGP slot, line in, line out, microphone in, RAID slot | 
| NPU Options | None | 
 
| CONNECTIONS | |||
| Purpose | Location | Purpose | Location | 
| AGP slot | AGP | Ultra Wide SCSI interface | CN15 | 
| ATX power connector | ATX | Ultra Wide SCSI interface | CN16 | 
| Game port | CN1 | Chassis fan power | FAN1 | 
| Microphone in | CN2 | Chassis fan power | FAN2 | 
| Line in | CN3 | Chassis fan power | FAN3 | 
| Line out | CN4 | Soft off power supply | J25/pins 1 & 2 | 
| Serial port 2 | CN5 | Green PC connector | J25/pins 3 & 4 | 
| Serial port 1 | CN6 | IR connector | J25/pins 6 - 11 | 
| Parallel port | CN7 | IDE interface LED | J25/pins 13 - 16 | 
| USB connector 1 | CN8 | Power LED | J25/pins 18 - 20 | 
| USB connector 2 | CN9 | Reset switch | J25/pins 22 & 23 | 
| PS/2 mouse port | CN10 | Speaker | J25/pins 24 - 27 | 
| Floppy drive interface | CN11 | Wake on LAN connector | JP21 | 
| IDE interface 1 | CN12 | SCSI interface LED | JP22 | 
| IDE interface 2 | CN13 | 32-bit PCI slots | PC1 – PC4 | 
| SCSI interface | CN14 | RAID slot | SL1 | 
| USER CONFIGURABLE SETTINGS | |||
| Function | Label | Position | |
| » | Factory configured - do not alter | J20 | Unidentified | 
| » | Factory configured - do not alter | JP2 | Open | 
| » | CMOS memory normal operation | JP3 | Pins 1 & 2 closed | 
| CMOS memory clear | JP3 | Pins 2 & 3 closed | |
| » | Flash BIOS voltage select 5v | JP4 | Pins 1 & 2 closed | 
| Flash BIOS voltage select 12v | JP4 | Pins 2 & 3 closed | |
| » | SCSI PCI ID select AD 26 | JP23 | Pins 1 & 2 closed | 
| SCSI PCI ID select AD 24 | JP23 | Pins 2 & 3 closed | |
| » | Factory configured - do not alter | JP30A | Unidentified | 
| » | Factory configured - do not alter | JP31 | Unidentified | 
| » | Factory configured - do not alter | JP32 | Unidentified | 
| » | Factory configured - do not alter | JP33 | Unidentified | 
| » | Factory configured - do not alter | JP34 | Unidentified | 
| » | Factory configured - do not alter | JP36 | Unidentified | 
| » | Factory configured - do not alter | JP38 | Closed | 
| USER CONFIGURABLE SETTINGS (CON’T) | |||
| Function | Label | Position | |
| » | Factory configured - do not alter | JP39 | Closed | 
| » | Factory configured - do not alter | JP40 | Open | 
| » | Factory configured - do not alter | JP48 | Open | 
| Note: The location of JP48 is unidentified. | |||
| DIMM CONFIGURATION | ||||
| Size | Bank 0 | Bank 1 | Bank 2 | Bank 3 | 
| 8MB | (1) 1M x 64 | None | None | None | 
| 16MB | (1) 2M x 64 | None | None | None | 
| 16MB | (1) 1M x 64 | (1) 1M x 64 | None | None | 
| 24MB | (1) 2M x 64 | (1) 1M x 64 | None | None | 
| 24MB | (1) 1M x 64 | (1) 1M x 64 | (1) 1M x 64 | None | 
| 32MB | (1) 4M x 64 | None | None | None | 
| 32MB | (1) 2M x 64 | (1) 2M x 64 | None | None | 
| 32MB | (1) 1M x 64 | (1) 1M x 64 | (1) 1M x 64 | (1) 1M x 64 | 
| 40MB | (1) 4M x 64 | (1) 1M x 64 | None | None | 
| 48MB | (1) 4M x 64 | (1) 2M x 64 | None | None | 
| 48MB | (1) 2M x 64 | (1) 2M x 64 | (1) 2M x 64 | None | 
| 64MB | (1) 2M x 64 | (1) 2M x 64 | (1) 2M x 64 | (1) 2M x 64 | 
| 64MB | (1) 8M x 64 | None | None | None | 
| 64MB | (1) 4M x 64 | (1) 4M x 64 | None | None | 
| 72MB | (1) 8M x 64 | (1) 1M x 64 | None | None | 
| 80MB | (1) 8M x 64 | (1) 2M x 64 | None | None | 
| 96MB | (1) 8M x 64 | (1) 4M x 64 | None | None | 
| 96MB | (1) 4M x 64 | (1) 4M x 64 | (1) 4M x 64 | None | 
| 128MB | (1) 16M x 64 | None | None | None | 
| 128MB | (1) 8M x 64 | (1) 8M x 64 | None | None | 
| 128MB | (1) 4M x 64 | (1) 4M x 64 | (1) 4M x 64 | (1) 4M x 64 | 
| 136MB | (1) 16M x 64 | (1) 1M x 64 | None | None | 
| 144MB | (1) 16M x 64 | (1) 2M x 64 | None | None | 
| 152MB | (1) 16M x 64 | (1) 1M x 64 | (1) 1M x 64 | (1) 1M x 64 | 
| 160MB | (1) 16M x 64 | (1) 4M x 64 | None | None | 
| 176MB | (1) 16M x 64 | (1) 2M x 64 | (1) 2M x 64 | (1) 2M x 64 | 
| 192MB | (1) 16M x 64 | (1) 8M x 64 | None | None | 
| DIMM CONFIGURATION (CON’T) | ||||
| Size | Bank 0 | Bank 1 | Bank 2 | Bank 3 | 
| 192MB | (1) 8M x 64 | (1) 8M x 64 | (1) 8M x 64 | None | 
| 224MB | (1) 16M x 64 | (1) 4M x 64 | (1) 4M x 64 | (1) 4M x 64 | 
| 256MB | (1) 32M x 64 | None | None | None | 
| 256MB | (1) 16M x 64 | (1) 16M x 64 | None | None | 
| 256MB | (1) 8M x 64 | (1) 8M x 64 | (1) 8M x 64 | (1) 8M x 64 | 
| 272MB | (1) 16M x 64 | (1) 16M x 64 | (1) 1M x 64 | (1) 1M x 64 | 
| 280MB | (1) 32M x 64 | (1) 1M x 64 | (1) 1M x 64 | (1) 1M x 64 | 
| 288MB | (1) 16M x 64 | (1) 16M x 64 | (1) 2M x 64 | (1) 2M x 64 | 
| 304MB | (1) 32M x 64 | (1) 2M x 64 | (1) 2M x 64 | (1) 2M x 64 | 
| 320MB | (1) 16M x 64 | (1) 16M x 64 | (1) 4M x 64 | (1) 4M x 64 | 
| 320MB | (1) 16M x 64 | (1) 8M x 64 | (1) 8M x 64 | (1) 8M x 64 | 
| 352MB | (1) 32M x 64 | (1) 4M x 64 | (1) 4M x 64 | (1) 4M x 64 | 
| 384MB | (1) 16M x 64 | (1) 16M x 64 | (1) 16M x 64 | None | 
| 448MB | (1) 32M x 64 | (1) 8M x 64 | (1) 8M x 64 | (1) 8M x 64 | 
| 512MB | (1) 32M x 64 | (1) 32M x 64 | None | None | 
| 512MB | (1) 16M x 64 | (1) 16M x 64 | (1) 16M x 64 | (1) 16M x 64 | 
| 640MB | (1) 32M x 64 | (1) 16M x 64 | (1) 16M x 64 | (1) 16M x 64 | 
| 768MB | (1) 32M x 64 | (1) 32M x 64 | (1) 32M x 64 | None | 
| 1024MB | (1) 32M x 64 | (1) 32M x 64 | (1) 32M x 64 | (1) 32M x 64 | 
| Note: Board accepts EDO & SDRAM memory. Maximum SDRAM is 512MB. Maximum EDO is 1GB. | ||||
| DIMM VOLTAGE CONFIGURATION | |||||
| Voltage | J30 | J31 | J32 | J33 | |
| » | 3.3v | Closed | Closed | Closed | Closed | 
| 5v | Open | Open | Open | Open | |
| DIMM VOLTAGE CONFIGURATION (CON’T) | |||||
| Voltage | J34 | J35 | J36 | J37 | |
| » | 3.3v | Open | Open | Open | Open | 
| 5v | Closed | Closed | Closed | Closed | |
| CACHE CONFIGURATION | 
| Note: 256KB/512KB cache is located on the Pentium II CPU. | 
| CPU SPEED SELECTION | ||||||
| CPU speed | Clock speed | Multiplier | JP7 | JP8 | JP9 | JP10 | 
| 200MHz | 66MHz | 3x | Closed | Closed | Open | Closed | 
| 233MHz | 66MHz | 3.5x | Closed | Open | Open | Closed | 
| 266MHz | 66MHz | 4x | Closed | Closed | Closed | Open | 
| 300MHz | 66MHz | 4.5x | Closed | Open | Closed | Open | 
| 333MHz | 66MHz | 5x | Closed | Closed | Open | Open | 
| SERIAL PORT SELECTION | ||||
| Setting | JP41 | JP42 | JP45 | JP46 | 
| Used as serial port | Pins 1 & 2 closed | Pins 1 & 2 closed | Closed | Open | 
| Used as IR connector | Pins 2 & 3 closed | Pins 2 & 3 closed | Open | Closed | 
| Note: The location of JP45 & JP46 is unidentified. | ||||
| SCSI TERMINATION SELECTION | |||
| Setting | JP43 | JP44 | |
| » | SCSI high byte enabled | Pins 1 & 2 closed | Pins 1 & 2 closed | 
| Controlled by SCSI chip | Pins 2 & 3 closed | Pins 2 & 3 closed | |