SHUTTLE COMPUTER INTERNATIONAL, INC.
HOT-635
| Device Type | Mainboard | 
| Processor | Pentium II | 
| Processor Speed | 233/266/300/333MHz | 
| Chip Set | Intel | 
| Video Chip Set | None | 
| Maximum Onboard Memory | 512MB (EDO & SDRAM supported) | 
| Maximum Video Memory | None | 
| Cache | 256/512KB (located on Pentium II CPU) | 
| BIOS | Award | 
| Dimensions | 305mm x 244mm | 
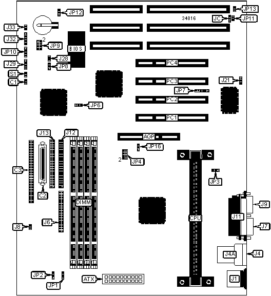
| I/O Options | 32-bit PCI slots (4), floppy drive interface, IDE interfaces (2), SCSI-2 interface, Ultra SCSI Wide interface, parallel port, PS/2 mouse port, serial ports (2), IR connector, USB connectors (2), ATX power connector, AGP slot | 
| NPU Options | None | 
 
| CONNECTIONS | |||
| Purpose | Location | Purpose | Location | 
| AGP slot | AGP | IDE interface 2 | J12 | 
| ATX power connector | ATX | IDE interface 1 | J13 | 
| SCSI interface LED | C1 | IDE interface LED | J29 | 
| Ultra SCSI Wide interface | C2 | Power LED & keylock | J32 | 
| SCSI-2 interface | C3 | Reset switch | J33 | 
| PS/2 mouse port | J1 | CPU fan power | JP1 | 
| USB connector 1 | J4 | Chassis fan power | JP2 | 
| USB connector 2 | J4A | IR connector | JP7 | 
| Floppy drive interface | J6 | Speaker | JP10 | 
| Serial port 2 | J7 | AGP fan power | JP16 | 
| Serial port 1 | J9 | 32-bit PCI slots | PC1 – PC4 | 
| Parallel port | J11 | Soft off power supply | S1 | 
| USER CONFIGURABLE SETTINGS | |||
| Function | Label | Position | |
| » | Termination enabled | J8 | Open | 
| Termination disabled | J8 | Closed | |
| » | Factory configured - do not alter | J21 | Unidentified | 
| » | Factory configured - do not alter | J28 | Pins 2 & 3 closed | 
| » | Factory configured - do not alter | JC | Unidentified | 
| » | Factory configured - do not alter | JP3 | Unidentified | 
| » | Seagate hard drive not installed | JP6 | Pins 1 & 2 closed | 
| Seagate hard drive installed | JP6 | Pins 2 & 3 closed | |
| » | Factory configured - do not alter | JP8 | Open | 
| » | Factory configured - do not alter | JP11 | Unidentified | 
| » | CMOS memory normal operation | JP12 | Pins 1 & 2 closed | 
| CMOS memory clear | JP12 | Pins 2 & 3 closed | |
| » | Factory configured - do not alter | JP13 | Unidentified | 
| DIMM CONFIGURATION | ||||
| Size | Bank 0 | Bank 1 | Bank 2 | Bank 3 | 
| 8MB | (1) 1M x 64 | None | None | None | 
| 16MB | (1) 2M x 64 | None | None | None | 
| 16MB | (1) 1M x 64 | (1) 1M x 64 | None | None | 
| 24MB | (1) 2M x 64 | (1) 1M x 64 | None | None | 
| 24MB | (1) 1M x 64 | (1) 1M x 64 | (1) 1M x 64 | None | 
| 32MB | (1) 4M x 64 | None | None | None | 
| 32MB | (1) 2M x 64 | (1) 2M x 64 | None | None | 
| 32MB | (1) 1M x 64 | (1) 1M x 64 | (1) 1M x 64 | (1) 1M x 64 | 
| 40MB | (1) 4M x 64 | (1) 1M x 64 | None | None | 
| 48MB | (1) 4M x 64 | (1) 2M x 64 | None | None | 
| 48MB | (1) 2M x 64 | (1) 2M x 64 | (1) 2M x 64 | None | 
| 64MB | (1) 2M x 64 | (1) 2M x 64 | (1) 2M x 64 | (1) 2M x 64 | 
| 64MB | (1) 8M x 64 | None | None | None | 
| 64MB | (1) 4M x 64 | (1) 4M x 64 | None | None | 
| 72MB | (1) 8M x 64 | (1) 1M x 64 | None | None | 
| 80MB | (1) 8M x 64 | (1) 2M x 64 | None | None | 
| 96MB | (1) 8M x 64 | (1) 4M x 64 | None | None | 
| 96MB | (1) 4M x 64 | (1) 4M x 64 | (1) 4M x 64 | None | 
| 128MB | (1) 16M x 64 | None | None | None | 
| 128MB | (1) 8M x 64 | (1) 8M x 64 | None | None | 
| 128MB | (1) 4M x 64 | (1) 4M x 64 | (1) 4M x 64 | (1) 4M x 64 | 
| 136MB | (1) 16M x 64 | (1) 1M x 64 | None | None | 
| 144MB | (1) 16M x 64 | (1) 2M x 64 | None | None | 
| 152MB | (1) 16M x 64 | (1) 1M x 64 | (1) 1M x 64 | (1) 1M x 64 | 
| 160MB | (1) 16M x 64 | (1) 4M x 64 | None | None | 
| 176MB | (1) 16M x 64 | (1) 2M x 64 | (1) 2M x 64 | (1) 2M x 64 | 
| 192MB | (1) 16M x 64 | (1) 8M x 64 | None | None | 
| 192MB | (1) 8M x 64 | (1) 8M x 64 | (1) 8M x 64 | None | 
| 224MB | (1) 16M x 64 | (1) 4M x 64 | (1) 4M x 64 | (1) 4M x 64 | 
| 256MB | (1) 16M x 64 | (1) 16M x 64 | None | None | 
| 256MB | (1) 8M x 64 | (1) 8M x 64 | (1) 8M x 64 | (1) 8M x 64 | 
| 272MB | (1) 16M x 64 | (1) 16M x 64 | (1) 1M x 64 | (1) 1M x 64 | 
| 288MB | (1) 16M x 64 | (1) 16M x 64 | (1) 2M x 64 | (1) 2M x 64 | 
| 320MB | (1) 16M x 64 | (1) 16M x 64 | (1) 4M x 64 | (1) 4M x 64 | 
| 320MB | (1) 16M x 64 | (1) 8M x 64 | (1) 8M x 64 | (1) 8M x 64 | 
| 384MB | (1) 16M x 64 | (1) 16M x 64 | (1) 16M x 64 | None | 
| 512MB | (1) 16M x 64 | (1) 16M x 64 | (1) 16M x 64 | (1) 16M x 64 | 
| Note: Board accepts EDO & SDRAM memory. | ||||
| CACHE CONFIGURATION | 
| Note: 256KB/512KB cache is located on the Pentium II CPU. | 
| CPU SPEED SELECTION | ||||
| CPU speed | Clock speed | Multiplier | JP4 | JP9 | 
| 233MHz | 66MHz | 3.5x | Open | 1 & 2, 5 & 6 | 
| 266MHz | 66MHz | 4x | Open | 3 & 4, 5 & 6, 7 & 8 | 
| 300MHz | 66MHz | 4.5x | Open | 3 & 4, 5 & 6 | 
| 333MHz | 66MHz | 5x | Open | 5 & 6, 7 & 8 | 
| Note: Pins designated should be in the closed position. | ||||