SIEMENS-NIXDORF INFORMATIONSSYSTEME AG
SYSTEM BOARD D1005
| Device Type | Mainboard | 
| Processor | Pentium II | 
| Processor Speed | 233/266/300MHz | 
| Chip Set | Unidentified | 
| Video Chip Set | None | 
| Maximum Onboard Memory | 256MB (EDO supported) | 
| Maximum Video Memory | None | 
| Cache | 256/512KB (located on Pentium II CPU) | 
| BIOS | Unidentified | 
| Dimensions | 305mm x 244mm | 
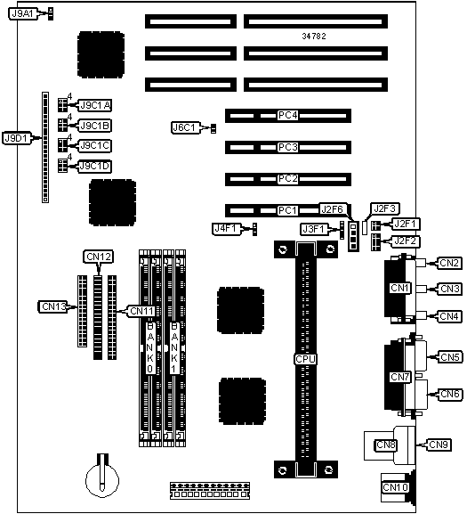
| I/O Options | 32-bit PCI slots (4), floppy drive interface, game/MIDI port, green PC connector, IDE interfaces (2), parallel port, PS/2 mouse port, serial ports (2), IR connector, USB connectors (2), line in, line out, microphone in, wavetable connector, audio in – CD-ROM, telephony connectors (2) | 
| NPU Options | None | 
 
| CONNECTIONS | |||
| Purpose | Location | Purpose | Location | 
| Game/MIDI port | CN1 | Telephony connector | J2F3 | 
| Microphone in | CN2 | Audio in – CD-ROM | J2F6 | 
| Line in | CN3 | Line in (auxiliary) | J3F1 | 
| Line out | CN4 | Chassis fan power | J4F1 | 
| Serial port 2 | CN5 | Security connector | J6C1 | 
| Serial port 1 | CN6 | Chassis fan power | J9A1 | 
| Parallel port | CN7 | Soft off power supply | J9D1/pins 1 & 2 | 
| USB connector 1 | CN8 | Green PC connector | J9D1/pins 3 & 4 | 
| USB connector 2 | CN9 | IR connector | J9D1/pins 6 - 11 | 
| PS/2 mouse port | CN10 | IDE interface LED | J9D1/pins 13 - 16 | 
| IDE interface 2 | CN11 | Power LED | J9D1/pins 18 - 20 | 
| IDE interface 1 | CN12 | Reset switch | J9D1/pins 22 & 23 | 
| Floppy drive interface | CN13 | Speaker | J9D1/pins 24 - 27 | 
| Telephony connector | J2F1 | 32-bit PCI slots | PC1 – PC4 | 
| Wavetable connector | J2F2 | ||
| USER CONFIGURABLE SETTINGS | |||
| Function | Label | Position | |
| » | Flash BIOS normal operation | J9C1A | Pins 5 & 6 closed | 
| Flash BIOS recovery mode | J9C1A | Pins 4 & 5 closed | |
| » | CMOS memory normal operation | J9C1C | Pins 5 & 6 closed | 
| CMOS memory clear | J9C1C | Pins 4 & 5 closed | |
| » | Setup access enabled | J9C1D | Pins 5 & 6 closed | 
| Setup access disabled | J9C1D | Pins 4 & 5 closed | |
| SIMM CONFIGURATION | ||
| Size | Bank 0 | Bank 1 | 
| 8MB | (2) 1M x 36 | None | 
| 16MB | (2) 2M x 36 | None | 
| 16MB | (2) 1M x 36 | (2) 1M x 36 | 
| 24MB | (2) 2M x 36 | (2) 1M x 36 | 
| 32MB | (2) 4M x 36 | None | 
| 32MB | (2) 2M x 36 | (2) 2M x 36 | 
| 40MB | (2) 4M x 36 | (2) 1M x 36 | 
| 48MB | (2) 4M x 36 | (2) 2M x 36 | 
| 64MB | (2) 8M x 36 | None | 
| 64MB | (2) 4M x 36 | (2) 4M x 36 | 
| SIMM CONFIGURATION (CON’T) | ||
| Size | Bank 0 | Bank 1 | 
| 72MB | (2) 8M x 36 | (2) 1M x 36 | 
| 80MB | (2) 8M x 36 | (2) 2M x 36 | 
| 96MB | (2) 8M x 36 | (2) 4M x 36 | 
| 128MB | (2) 8M x 36 | (2) 8M x 36 | 
| 128MB | (2) 16M x 36 | None | 
| 136MB | (2) 16M x 36 | (2) 1M x 36 | 
| 144MB | (2) 16M x 36 | (2) 2M x 36 | 
| 160MB | (2) 16M x 36 | (2) 4M x 36 | 
| 192MB | (2) 16M x 36 | (2) 8M x 36 | 
| 256MB | (2) 16M x 36 | (2) 16M x 36 | 
| Note: Board accepts EDO memory. | ||
| CACHE CONFIGURATION | 
| Note: 256KB/512KB cache is located on the Pentium II CPU. | 
| CPU SPEED SELECTION | |||||
| CPU speed | Clock speed | Multiplier | J9C1A | J9C1B | J9C1C | 
| 233MHz | 66MHz | 3.5x | 2 & 3 | 2 & 3, 5 & 6 | 2 & 3 | 
| 266MHz | 66MHz | 4x | 1 & 2 | 1 & 2, 4 & 5 | 2 & 3 | 
| 300MHz | 66MHz | 4.5x | 1 & 2 | 2 & 3, 4 & 5 | 2 & 3 | 
| Note: Pins designated should be in the closed position. | |||||