SIEMENS-NIXDORF INFORMATIONSSYSTEME AG
SYSTEM BOARD D981
| Device Type | Mainboard | 
| Processor | Pentium II | 
| Processor Speed | 233/266/300/333/366MHz | 
| Chip Set | Unidentified | 
| Video Chip Set | None | 
| Maximum Onboard Memory | 512MB (EDO & SDRAM supported) | 
| Maximum Video Memory | None | 
| Cache | 512KB (located on Pentium II CPU) | 
| BIOS | Unidentified | 
| Dimensions | 305mm x 244mm | 
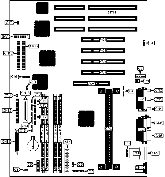
| I/O Options | 32-bit PCI slots (4), floppy drive interface, game/MIDI port, green PC connector, IDE interfaces (2), Ultra Wide SCSI interfaces (2), parallel port, PS/2 mouse port, serial ports (2), IR connector, USB connectors (3), ATX power connector, AGP slot, line in, line out, microphone in, audio in – CD-ROM | 
| NPU Options | None | 
 
| CONNECTIONS | |||
| Purpose | Location | Purpose | Location | 
| AGP slot | AGP | Soft off power supply | C18 | 
| ATX power connector | ATX | Intrusion connector | C19 | 
| Auxiliary in | C1 | Game/MIDI port | CN1 | 
| Audio in – CD-ROM | C2 | Microphone in | CN2 | 
| Voice modem connector | C3 | Line in | CN3 | 
| Device ID & temperature | C4 | Line out | CN4 | 
| USB connector - internal | C5 | Parallel port | CN5 | 
| Chassis fan power | C6 | Serial port 1 | CN6 | 
| Power supply monitor | C7 | Serial port 2 | CN7 | 
| Chip card reader | C8 | USB connector 1 - external | CN8 | 
| CPU fan power | C9 | USB connector 2 - external | CN9 | 
| Wake on LAN connector | C10 | PS/2 mouse port | CN10 | 
| SCSI interface LED | C11 | Ultra Wide SCSI interface | CN11 | 
| Control panel 1 | C12 | Floppy drive interface | CN12 | 
| I2C connector | C13 | Ultra Wide SCSI interface | CN13 | 
| Control panel 2 | C14 | IDE interface 1 | CN14 | 
| Speaker | C15 | IDE interface 2 | CN15 | 
| IR connector | C16 | 32-bit PCI slots | PC1 – PC4 | 
| Wake on modem connector | C17 | ||
| USER CONFIGURABLE SETTINGS | |||
| Function | Label | Position | |
| » | Factory configured - do not alter | SW1/1 | Off | 
| » | Flash BIOS normal operation | SW1/2 | Off | 
| Flash BIOS recovery mode | SW1/2 | On | |
| » | Floppy drive write protect disabled | SW1/3 | Off | 
| Floppy drive write protect enabled | SW1/3 | On | |
| » | Factory configured - do not alter | SW1/4 | Unidentified | 
| DIMM CONFIGURATION | ||||
| Size | Bank 0 | Bank 1 | Bank 2 | Bank 3 | 
| 8MB | (1) 1M x 64 | None | None | None | 
| 16MB | (1) 2M x 64 | None | None | None | 
| 16MB | (1) 1M x 64 | (1) 1M x 64 | None | None | 
| 24MB | (1) 2M x 64 | (1) 1M x 64 | None | None | 
| 24MB | (1) 1M x 64 | (1) 1M x 64 | (1) 1M x 64 | None | 
| DIMM CONFIGURATION (CON’T) | ||||
| Size | Bank 0 | Bank 1 | Bank 2 | Bank 3 | 
| 32MB | (1) 4M x 64 | None | None | None | 
| 32MB | (1) 2M x 64 | (1) 2M x 64 | None | None | 
| 32MB | (1) 1M x 64 | (1) 1M x 64 | (1) 1M x 64 | (1) 1M x 64 | 
| 40MB | (1) 4M x 64 | (1) 1M x 64 | None | None | 
| 48MB | (1) 4M x 64 | (1) 2M x 64 | None | None | 
| 48MB | (1) 2M x 64 | (1) 2M x 64 | (1) 2M x 64 | None | 
| 64MB | (1) 2M x 64 | (1) 2M x 64 | (1) 2M x 64 | (1) 2M x 64 | 
| 64MB | (1) 8M x 64 | None | None | None | 
| 64MB | (1) 4M x 64 | (1) 4M x 64 | None | None | 
| 72MB | (1) 8M x 64 | (1) 1M x 64 | None | None | 
| 80MB | (1) 8M x 64 | (1) 2M x 64 | None | None | 
| 96MB | (1) 8M x 64 | (1) 4M x 64 | None | None | 
| 96MB | (1) 4M x 64 | (1) 4M x 64 | (1) 4M x 64 | None | 
| 128MB | (1) 16M x 64 | None | None | None | 
| 128MB | (1) 8M x 64 | (1) 8M x 64 | None | None | 
| 128MB | (1) 4M x 64 | (1) 4M x 64 | (1) 4M x 64 | (1) 4M x 64 | 
| 136MB | (1) 16M x 64 | (1) 1M x 64 | None | None | 
| 144MB | (1) 16M x 64 | (1) 2M x 64 | None | None | 
| 152MB | (1) 16M x 64 | (1) 1M x 64 | (1) 1M x 64 | (1) 1M x 64 | 
| 160MB | (1) 16M x 64 | (1) 4M x 64 | None | None | 
| 176MB | (1) 16M x 64 | (1) 2M x 64 | (1) 2M x 64 | (1) 2M x 64 | 
| 192MB | (1) 16M x 64 | (1) 8M x 64 | None | None | 
| 192MB | (1) 8M x 64 | (1) 8M x 64 | (1) 8M x 64 | None | 
| 224MB | (1) 16M x 64 | (1) 4M x 64 | (1) 4M x 64 | (1) 4M x 64 | 
| 256MB | (1) 16M x 64 | (1) 16M x 64 | None | None | 
| 256MB | (1) 8M x 64 | (1) 8M x 64 | (1) 8M x 64 | (1) 8M x 64 | 
| 272MB | (1) 16M x 64 | (1) 16M x 64 | (1) 1M x 64 | (1) 1M x 64 | 
| 288MB | (1) 16M x 64 | (1) 16M x 64 | (1) 2M x 64 | (1) 2M x 64 | 
| 320MB | (1) 16M x 64 | (1) 16M x 64 | (1) 4M x 64 | (1) 4M x 64 | 
| 320MB | (1) 16M x 64 | (1) 8M x 64 | (1) 8M x 64 | (1) 8M x 64 | 
| 384MB | (1) 16M x 64 | (1) 16M x 64 | (1) 16M x 64 | None | 
| 512MB | (1) 16M x 64 | (1) 16M x 64 | (1) 16M x 64 | (1) 16M x 64 | 
| Note: Board accepts EDO & SDRAM memory. | ||||
| CACHE CONFIGURATION | 
| Note: 512KB cache is located on the Pentium II CPU. | 
| CPU SPEED SELECTION | ||||||
| CPU speed | Clock speed | Multiplier | SW1/5 | SW1/6 | SW1/7 | SW1/8 | 
| 233MHz | 66MHz | 3.5x | On | On | Off | Off | 
| 266MHz | 66MHz | 4x | On | Off | On | On | 
| 300MHz | 66MHz | 4.5x | On | Off | On | Off | 
| 333MHz | 66MHz | 5x | On | Off | Off | On | 
| 366MHz | 66MHz | 5.5x | On | Off | Off | Off |