SOYO COMPUTER CO., LTD.
6KB
| Processor | Pentium II | 
| Processor Speed | 233/266/300/333MHz | 
| Chip Set | Intel | 
| Video Chip Set | None | 
| Maximum Onboard Memory | 512MB (EDO & SDRAM supported) | 
| Maximum Video Memory | None | 
| Cache | 256/512KB (located on Pentium II CPU) | 
| BIOS | Unidentified | 
| Dimensions | 305mm x 244mm | 
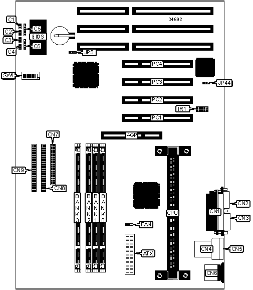
| I/O Options | 32-bit PCI slots (4), floppy drive interface, IDE interfaces (2), parallel port, PS/2 mouse port, serial ports (2), IR connector, USB connectors (2), ATX power connector, AGP slot | 
| NPU Options | None | 
 
| CONNECTIONS | |||
| Purpose | Location | Purpose | Location | 
| AGP slot | AGP | USB connector 1 | CN4 | 
| ATX power connector | ATX | USB connector 2 | CN5 | 
| Reset switch | C1 | PS/2 mouse port | CN6 | 
| Soft off power supply | C2 | Floppy drive interface | CN7 | 
| Turbo LED | C3 | IDE interface 2 | CN8 | 
| IDE interface LED | C4 | IDE interface 1 | CN9 | 
| Power LED & keylock | C5 | CPU fan power | FAN | 
| Speaker | C6 | IR connector | IR1 | 
| Parallel port | CN1 | Wake on LAN connector | JP44 | 
| Serial port 2 | CN2 | 32-bit PCI slots | PC1 – PC4 | 
| Serial port 1 | CN3 | ||
| USER CONFIGURABLE SETTINGS | |||
| Function | Label | Position | |
| » | CMOS memory normal operation | JP5 | Pins 1 & 2 closed | 
| CMOS memory clear | JP5 | Pins 2 & 3 closed | |
| DIMM CONFIGURATION | ||||
| Size | Bank 0 | Bank 1 | Bank 2 | Bank 3 | 
| 8MB | (1) 1M x 64 | None | None | None | 
| 16MB | (1) 2M x 64 | None | None | None | 
| 16MB | (1) 1M x 64 | (1) 1M x 64 | None | None | 
| 24MB | (1) 2M x 64 | (1) 1M x 64 | None | None | 
| 24MB | (1) 1M x 64 | (1) 1M x 64 | (1) 1M x 64 | None | 
| 32MB | (1) 2M x 64 | (1) 2M x 64 | None | None | 
| 32MB | (1) 4M x 64 | None | None | None | 
| 32MB | (1) 1M x 64 | (1) 1M x 64 | (1) 1M x 64 | (1) 1M x 64 | 
| 40MB | (1) 2M x 64 | (1) 2M x 64 | (1) 1M x 64 | None | 
| 40MB | (1) 2M x 64 | (1) 1M x 64 | (1) 1M x 64 | (1) 1M x 64 | 
| 40MB | (1) 4M x 64 | (1) 1M x 64 | None | None | 
| 48MB | (1) 2M x 64 | (1) 2M x 64 | (1) 2M x 64 | None | 
| 48MB | (1) 2M x 64 | (1) 2M x 64 | (1) 1M x 64 | (1) 1M x 64 | 
| 48MB | (1) 4M x 64 | (1) 1M x 64 | (1) 1M x 64 | None | 
| 56MB | (1) 4M x 64 | (1) 2M x 64 | (1) 1M x 64 | None | 
| 56MB | (1) 4M x 64 | (1) 1M x 64 | (1) 1M x 64 | (1) 1M x 64 | 
| 64MB | (1) 2M x 64 | (1) 2M x 64 | (1) 2M x 64 | (1) 2M x 64 | 
| 64MB | (1) 4M x 64 | (1) 4M x 64 | None | None | 
| 64MB | (1) 8M x 64 | None | None | None | 
| 80MB | (1) 4M x 64 | (1) 2M x 64 | (1) 2M x 64 | (1) 2M x 64 | 
| 80MB | (1) 4M x 64 | (1) 4M x 64 | (1) 1M x 64 | (1) 1M x 64 | 
| 80MB | (1) 8M x 64 | (1) 2M x 64 | None | None | 
| DIMM CONFIGURATION (CON’T) | ||||
| Size | Bank 0 | Bank 1 | Bank 2 | Bank 3 | 
| 80MB | (1) 8M x 64 | (1) 1M x 64 | (1) 1M x 64 | None | 
| 96MB | (1) 4M x 64 | (1) 4M x 64 | (1) 2M x 64 | (1) 2M x 64 | 
| 96MB | (1) 4M x 64 | (1) 4M x 64 | (1) 4M x 64 | None | 
| 96MB | (1) 8M x 64 | (1) 2M x 64 | (1) 1M x 64 | (1) 1M x 64 | 
| 112MB | (1) 4M x 64 | (1) 4M x 64 | (1) 4M x 64 | (1) 2M x 64 | 
| 112MB | (1) 8M x 64 | (1) 4M x 64 | (1) 2M x 64 | None | 
| 112MB | (1) 8M x 64 | (1) 4M x 64 | (1) 1M x 64 | (1) 1M x 64 | 
| 128MB | (1) 16M x 64 | None | None | None | 
| 128MB | (1) 4M x 64 | (1) 4M x 64 | (1) 4M x 64 | (1) 4M x 64 | 
| 128MB | (1) 8M x 64 | (1) 4M x 64 | (1) 4M x 64 | None | 
| 128MB | (1) 8M x 64 | (1) 8M x 64 | None | None | 
| 160MB | (1) 16M x 64 | (1) 2M x 64 | (1) 1M x 64 | (1) 1M x 64 | 
| 192MB | (1) 16M x 64 | (1) 4M x 64 | (1) 4M x 64 | None | 
| 192MB | (1) 8M x 64 | (1) 8M x 64 | (1) 4M x 64 | (1) 4M x 64 | 
| 192MB | (1) 8M x 64 | (1) 8M x 64 | (1) 8M x 64 | None | 
| 224MB | (1) 16M x 64 | (1) 8M x 64 | (1) 2M x 64 | (1) 2M x 64 | 
| 224MB | (1) 16M x 64 | (1) 8M x 64 | (1) 4M x 64 | None | 
| 256MB | (1) 16M x 64 | (1) 16M x 64 | None | None | 
| 256MB | (1) 16M x 64 | (1) 8M x 64 | (1) 4M x 64 | (1) 4M x 64 | 
| 256MB | (1) 16M x 64 | (1) 8M x 64 | (1) 8M x 64 | None | 
| 256MB | (1) 8M x 64 | (1) 8M x 64 | (1) 8M x 64 | (1) 8M x 64 | 
| 288MB | (1) 16M x 64 | (1) 16M x 64 | (1) 4M x 64 | None | 
| 320MB | (1) 16M x 64 | (1) 8M x 64 | (1) 8M x 64 | (1) 8M x 64 | 
| 384MB | (1) 16M x 64 | (1) 16M x 64 | (1) 16M x 64 | None | 
| 384MB | (1) 16M x 64 | (1) 16M x 64 | (1) 8M x 64 | (1) 8M x 64 | 
| 448MB | (1) 16M x 64 | (1) 16M x 64 | (1) 16M x 64 | (1) 8M x 64 | 
| 512MB | (1) 16M x 64 | (1) 16M x 64 | (1) 16M x 64 | (1) 16M x 64 | 
| Note: Board accepts EDO & SDRAM memory. | ||||
| CACHE CONFIGURATION | 
| Note: 256KB/512KB cache is located on the Pentium II CPU. | 
| CPU SPEED SELECTION | |||||||
| CPU speed | Clock speed | Multiplier | SW1/1 | SW1/2 | SW1/3 | SW1/4 | SW1/5 | 
| 233MHz | 66MHz | 3.5x | Off | On | Off | Off | On | 
| 266MHz | 66MHz | 4x | Off | On | On | On | Off | 
| 300MHz | 66MHz | 4.5x | Off | On | Off | On | Off | 
| 333MHz | 66MHz | 5x | Off | On | On | Off | Off |