TMC RESEARCH CORPORATION
TI6NLM (VER. 1.0A)
| Processor | Pentium II | 
| Processor Speed | 200/233/266/300MHz | 
| Chip Set | Intel | 
| Video Chip Set | S3 | 
| Maximum Onboard Memory | 384MB (EDO supported) | 
| Maximum Video Memory | 4MB | 
| Cache | 256/512KB (located on Pentium II CPU) | 
| BIOS | AMI | 
| Dimensions | 307mm x 241mm | 
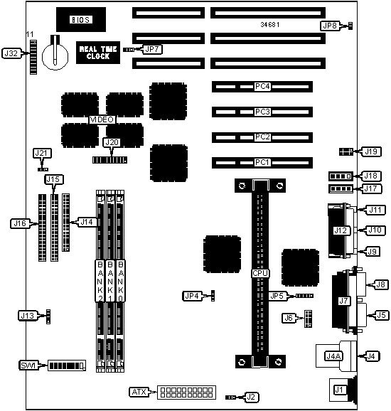
| I/O Options | 32-bit PCI slots (4), floppy drive interface, green PC connector, IDE interfaces (2), parallel port, PS/2 mouse port, serial ports (2), VGA feature connector, VGA port, IR connector, USB connectors (2), ATX power connector, line in, line out, microphone in, wavetable connector, audio in – CD-ROMs (2), game port | 
| NPU Options | None | 
 
| CONNECTIONS | |||
| Purpose | Location | Purpose | Location | 
| ATX power connector | ATX | IDE interface 2 | J16 | 
| PS/2 mouse port | J1 | Audio in – CD-ROM | J17 | 
| CPU fan power | J2 | Audio in – CD-ROM | J18 | 
| USB connector | J4 | Wavetable connector | J19 | 
| USB connector | J4A | VGA feature connector | J20 | 
| Serial port 1 | J5 | Chassis fan power | J21 | 
| Serial port 2 | J6 | Speaker | J32/pins 1 - 4 | 
| Parallel port | J7 | Green PC connector | J32/pins 6 & 16 | 
| VGA port | J8 | Soft off power supply | J32/pins 7 & 17 | 
| Line out | J9 | Turbo LED | J32/pins 8 & 18 | 
| Line in | J10 | Reset switch | J32/pins 9 & 19 | 
| Microphone in | J11 | IDE interface LED | J32/pins 10 & 20 | 
| Game port | J12 | Power LED & keylock | J32/pins 11 - 15 | 
| TV out connector | J13 | Chassis intrusion connector | JP4 | 
| Floppy drive interface | J14 | IR connector | JP5 | 
| IDE interface 1 | J15 | 32-bit PCI slots | PC1 - PC4 | 
| USER CONFIGURABLE SETTINGS | |||
| Function | Label | Position | |
| » | CMOS memory normal operation | JP7 | Pins 1 & 2 closed | 
| CMOS memory clear | JP7 | Pins 2 & 3 closed | |
| On board audio disabled | JP8 | Open | |
| On board audio enabled | JP8 | Closed | |
| DIMM CONFIGURATION | |||
| Size | Bank 0 | Bank 1 | Bank 2 | 
| 8MB | (1) 1M x 64 | None | None | 
| 16MB | (1) 2M x 64 | None | None | 
| 16MB | (1) 1M x 64 | (1) 1M x 64 | None | 
| 24MB | (1) 2M x 64 | (1) 1M x 64 | None | 
| 24MB | (1) 1M x 64 | (1) 1M x 64 | (1) 1M x 64 | 
| 32MB | (1) 4M x 64 | None | None | 
| 32MB | (1) 2M x 64 | (1) 1M x 64 | (1) 1M x 64 | 
| 32MB | (1) 2M x 64 | (1) 2M x 64 | None | 
| 40MB | (1) 4M x 64 | (1) 1M x 64 | None | 
| 40MB | (1) 2M x 64 | (1) 2M x 64 | (1) 1M x 64 | 
| 48MB | (1) 4M x 64 | (1) 1M x 64 | (1) 1M x 64 | 
| 48MB | (1) 4M x 64 | (1) 2M x 64 | None | 
| 48MB | (1) 2M x 64 | (1) 2M x 64 | (1) 2M x 64 | 
| 56MB | (1) 4M x 64 | (1) 2M x 64 | (1) 1M x 64 | 
| 64MB | (1) 8M x 64 | None | None | 
| DIMM CONFIGURATION (CON’T) | |||
| Size | Bank 0 | Bank 1 | Bank 2 | 
| 64MB | (1) 4M x 64 | (1) 2M x 64 | (1) 2M x 64 | 
| 64MB | (1) 4M x 64 | (1) 4M x 64 | None | 
| 72MB | (1) 8M x 64 | (1) 1M x 64 | None | 
| 72MB | (1) 4M x 64 | (1) 4M x 64 | (1) 1M x 64 | 
| 80MB | (1) 8M x 64 | (1) 1M x 64 | (1) 1M x 64 | 
| 80MB | (1) 8M x 64 | (1) 2M x 64 | None | 
| 80MB | (1) 4M x 64 | (1) 4M x 64 | (1) 2M x 64 | 
| 88MB | (1) 8M x 64 | (1) 2M x 64 | (1) 1M x 64 | 
| 96MB | (1) 8M x 64 | (1) 2M x 64 | (1) 2M x 64 | 
| 96MB | (1) 8M x 64 | (1) 4M x 64 | None | 
| 96MB | (1) 4M x 64 | (1) 4M x 64 | (1) 4M x 64 | 
| 104MB | (1) 8M x 64 | (1) 4M x 64 | (1) 1M x 64 | 
| 112MB | (1) 8M x 64 | (1) 4M x 64 | (1) 2M x 64 | 
| 128MB | (1) 16M x 64 | None | None | 
| 128MB | (1) 8M x 64 | (1) 4M x 64 | (1) 4M x 64 | 
| 128MB | (1) 8M x 64 | (1) 8M x 64 | None | 
| 136MB | (1) 16M x 64 | (1) 1M x 64 | None | 
| 136MB | (1) 8M x 64 | (1) 8M x 64 | (1) 1M x 64 | 
| 144MB | (1) 16M x 64 | (1) 1M x 64 | (1) 1M x 64 | 
| 144MB | (1) 16M x 64 | (1) 2M x 64 | None | 
| 144MB | (1) 8M x 64 | (1) 8M x 64 | (1) 2M x 64 | 
| 152MB | (1) 16M x 64 | (1) 2M x 64 | (1) 1M x 64 | 
| 160MB | (1) 16M x 64 | (1) 2M x 64 | (1) 2M x 64 | 
| 160MB | (1) 16M x 64 | (1) 4M x 64 | None | 
| 160MB | (1) 8M x 64 | (1) 8M x 64 | (1) 4M x 64 | 
| 168MB | (1) 16M x 64 | (1) 4M x 64 | (1) 1M x 64 | 
| 176MB | (1) 16M x 64 | (1) 4M x 64 | (1) 2M x 64 | 
| 192MB | (1) 16M x 64 | (1) 4M x 64 | (1) 4M x 64 | 
| 192MB | (1) 16M x 64 | (1) 8M x 64 | None | 
| 192MB | (1) 8M x 64 | (1) 8M x 64 | (1) 8M x 64 | 
| 200MB | (1) 16M x 64 | (1) 8M x 64 | (1) 1M x 64 | 
| 208MB | (1) 16M x 64 | (1) 8M x 64 | (1) 2M x 64 | 
| 224MB | (1) 16M x 64 | (1) 8M x 64 | (1) 4M x 64 | 
| 256MB | (1) 16M x 64 | (1) 8M x 64 | (1) 8M x 64 | 
| 384MB | (1) 16M x 64 | (1) 16M x 64 | (1) 16M x 64 | 
| Note: Board accepts EDO memory. | |||
| CACHE CONFIGURATION | 
| Note: 256KB/512KB cache is located on the Pentium II CPU. | 
| VIDEO MEMORY CONFIGURATION | 
| Note: 4MB video memory is factory installed and is not configurable. | 
| CPU SPEED SELECTION | ||||||
| CPU speed | Clock speed | Multiplier | SW1/1 | SW1/2 | SW1/3 | SW1/4 | 
| 233MHz | 66MHz | 3.5 | Off | Off | On | Off | 
| 266MHz | 66MHz | 4x | Off | Off | Off | On | 
| 300MHz | 66MHz | 4.5x | Off | Off | Off | On | 
| CPU SPEED SELECTION (CON’T) | ||||||
| CPU speed | Clock speed | Multiplier | SW1/5 | SW1/6 | SW1/7 | SW1/8 | 
| 233MHz | 66MHz | 3.5 | Off | On | Off | Off | 
| 266MHz | 66MHz | 4x | On | On | Off | Off | 
| 300MHz | 66MHz | 4.5x | Off | On | Off | Off |